@micrologus grazie mille per avermi dato un barlume di speranza che quel circuito possa funzionare! Magari è il multisim che è fraido o non son capace io (più probabile la seconda).
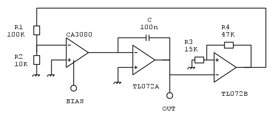
Per quanto riguarda la progettazione del VCO mi rendo anche io che non è proprio il massimo però, dato che si tratta di un progettino per l'esame di maturità è il più semplice che ho trovato e dato che il fine non è quello di essere "figo" o progettato bene ma deve servirci come oggetto di studio non esigo robe complesse. Per quanto riguarda l'approccio che abbiamo fatto è fatto un po' male, dovremmo fare come hai detto tu: capire bene il funzionamento dei VCO ecc....
Però se guardi in rete tutti gli schemi dei VCO di ogni synth analogico ha la coppia di transistor che funge da esponenziatore e quasi tutti (dico quasi perché non li ho visti tutti) si basano sulla velocità di carica di un condensatore.
Grazie mille comunque!
Vi farò sapere a prova su breadboard avvenuta!
Grazie a tutti!

Elettrotecnica e non solo (admin)
Un gatto tra gli elettroni (IsidoroKZ)
Esperienza e simulazioni (g.schgor)
Moleskine di un idraulico (RenzoDF)
Il Blog di ElectroYou (webmaster)
Idee microcontrollate (TardoFreak)
PICcoli grandi PICMicro (Paolino)
Il blog elettrico di carloc (carloc)
DirtEYblooog (dirtydeeds)
Di tutto... un po' (jordan20)
AK47 (lillo)
Esperienze elettroniche (marco438)
Telecomunicazioni musicali (clavicordo)
Automazione ed Elettronica (gustavo)
Direttive per la sicurezza (ErnestoCappelletti)
EYnfo dall'Alaska (mir)
Apriamo il quadro! (attilio)
H7-25 (asdf)
Passione Elettrica (massimob)
Elettroni a spasso (guidob)
Bloguerra (guerra)





