
Display 7 segmenti max 15/20 mA
Moderatori:
carloc,
g.schgor,
BrunoValente,
IsidoroKZ
28 messaggi
• Pagina 3 di 3 • 1, 2, 3
0
voti
modifico tipo di diplay uso un ANODO comune (per motivi di reperibilita) quindi cambio anche transistor BC337 (NPN) ,vabene ragazzi vi ringrazio tantissimo 

-

carlomusumeci
353 5 7 - Sostenitore

- Messaggi: 526
- Iscritto il: 8 apr 2011, 0:35
0
voti
si, fai pure, non vedo grosse controindicazioni
per la resistenza credo che anche 10KOhm vada bene
magari fai una prova e controlla le correnti che scorrono
io non ho simulatore, ma immagino da un paio di conti veloci, che dovresti prelevare meno di 1mA a monte, ma che dovrebbero bastare per i tuoi 10mA sul display.
per la resistenza credo che anche 10KOhm vada bene
magari fai una prova e controlla le correnti che scorrono
io non ho simulatore, ma immagino da un paio di conti veloci, che dovresti prelevare meno di 1mA a monte, ma che dovrebbero bastare per i tuoi 10mA sul display.
1
voti
La resistenza tra collettore e Led la calcolero in modo preciso non appena avro deciso il tipo di diplay...
solitamente per i BC337 utilizzo 2200 OHM alla base..
-

carlomusumeci
353 5 7 - Sostenitore

- Messaggi: 526
- Iscritto il: 8 apr 2011, 0:35
1
voti
Perdonatemi, io non sto capendo... per pilotare dei display sette segmenti da PIC utilizzare un transistor per segmento mi sembra eccessivo. Probabilmente mi sta sfuggendo qualcosa...
carlomusumeci:
- sei collegato alla portB?
- quanti display devi utilizzare? Uno soltanto o più di uno in multiplexing?
- di che dimensioni sono i display che intendi utilizzare? 1/2", 1", oppure più grandi?
- hai già dei display a portata di mano, oppure hai già la sigla di quelli che ti piacerebbe utilizzare?
- hai uno schema elettrico di tutto il circuito?
Certo, quella che tu stai leggendo nei datasheet dei display è la corrente massima oltre la quale bruci il segmento. Devi dimensionare la resistenza in serie per far scorrere nel segmento una corrente che normalmente si fissa tra i 5 e i 10mA.
Raddoppiare la corrente non porta al raddoppio della luminosità. Io, se proprio voglio che il display sia più visibile, invece che aumentare la corrente scelgo il colore verde anziché il rosso.
No no, non sei fuori strada, si fa proprio così!
- sei collegato alla portB?
- quanti display devi utilizzare? Uno soltanto o più di uno in multiplexing?
- di che dimensioni sono i display che intendi utilizzare? 1/2", 1", oppure più grandi?
- hai già dei display a portata di mano, oppure hai già la sigla di quelli che ti piacerebbe utilizzare?
- hai uno schema elettrico di tutto il circuito?
carlomusumeci ha scritto:quindi mi stai dicendo che potrei utilizzare anche un display che lavora a 25 mA?
ma ridimensionarlo tramite resistenza? e non succederebbe nulla?
Certo, quella che tu stai leggendo nei datasheet dei display è la corrente massima oltre la quale bruci il segmento. Devi dimensionare la resistenza in serie per far scorrere nel segmento una corrente che normalmente si fissa tra i 5 e i 10mA.
Raddoppiare la corrente non porta al raddoppio della luminosità. Io, se proprio voglio che il display sia più visibile, invece che aumentare la corrente scelgo il colore verde anziché il rosso.
carlomusumeci ha scritto:ad esempio se il display mi lavora a 1,8 v e 25mA, ed io calcolerei la resistenza in questo modo:
5-1.8 = 3.2 e divido per gli AMPERE che desidero ad esempio 10 mA verrebbe = 320 OHM
e non sforzerei ogni uscita piu di 10 mA giusto? o sto andando fuori strada?
No no, non sei fuori strada, si fa proprio così!

1
voti
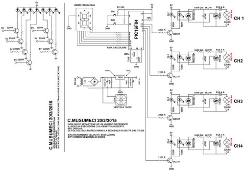
si utilizzo portab...ho disegnato tutto il circuito :) che lavoraccio :)
ALLEGO SCHEDA TECNICA DEL DISPLAY CHE VOLEVO UTILIZZARE INIZIALMENTE
(infatti da progetto per ragioni di visibilita avevo scelto il modello verde come dici tu
davidde)
quindi da datasheet leggo che il display vuole 2,4V e massimo 25mA
volendo farlo funzionare a 10mA faccio 5-2.4= 2.6 / 0.010=260 ohm (in commercio 270)
quanti mA mi consigli per la giusta luminiscenza
davidde?
ALLEGO SCHEDA TECNICA DEL DISPLAY CHE VOLEVO UTILIZZARE INIZIALMENTE
(infatti da progetto per ragioni di visibilita avevo scelto il modello verde come dici tu
quindi da datasheet leggo che il display vuole 2,4V e massimo 25mA
volendo farlo funzionare a 10mA faccio 5-2.4= 2.6 / 0.010=260 ohm (in commercio 270)
quanti mA mi consigli per la giusta luminiscenza
- Allegati
-
WD05212AUG.pdf- (707.97 KiB) Scaricato 146 volte
-

carlomusumeci
353 5 7 - Sostenitore

- Messaggi: 526
- Iscritto il: 8 apr 2011, 0:35
1
voti
Bel lavoro, lo schema anche se costa fatica ci sta sempre
...
Partendo dai dati relativi alla PORTB del microcontrollore bisogna fare una considerazione che vincolerà la corrente che potrà transitare per quella porta. Se decidi di utilizzarla in source (ovvero fargli fornire corrente al carico, come risulta dal tuo schema) avrai a disposizione al massimo 100mA, se invece la utilizzerai in sink (ovvero facendogli portare a GND il carico) avrai a disposizione 150mA.
Per stare certi che il PIC lavori in sicurezza solitamente impongo un margine del 30% rispetto ai valori del datasheet, questo vuol dire che fisseremo in source 70mA mentre in sink 105mA, dividendo per i sette segmenti (se non ti serve il punto) avremo nel primo caso 10mA/segmento mentre nel secondo potremmo spingerci fino a 15mA/segmento.
Ovviamente per lavorare in source va bene il display a catodo comune che hai scelto, se invece vorrai lavorare in sink servirà un display ad anodo comune.
Si, con 270ohm per imporre i 10mA sei a posto.
Se ti servano 10 o 15mA a segmento devi stabilirlo tu in base a delle prove pratiche come qualcuno ti aveva suggerito in precedenza.
Purtroppo il datasheet di quel display non è molto dettagliato e non ti fa vedere il grafico dell'intensità luminosa in funzione della corrente, per altri display questi grafici sono forniti ma comunque sono sempre dati relativi ad una moltitudine di fattori (come la temperatura del segmento) che è difficile stabilire a priori. Quindi, come spesso accade, le prove pratiche sono quelle che danno risultati più tangibili.
P.S.
Occhio che il datasheet che ho postato io ieri è relativo al PIC 16F84A non al PIC16F84; ho controllato ora e rispetto ai parametri che abbiamo preso in considerazione noi non cambia nulla ma non usarlo per il resto perché ci sono sicuramente delle differenze tra i due componenti che potrebbero indurti in errore.
Partendo dai dati relativi alla PORTB del microcontrollore bisogna fare una considerazione che vincolerà la corrente che potrà transitare per quella porta. Se decidi di utilizzarla in source (ovvero fargli fornire corrente al carico, come risulta dal tuo schema) avrai a disposizione al massimo 100mA, se invece la utilizzerai in sink (ovvero facendogli portare a GND il carico) avrai a disposizione 150mA.
Per stare certi che il PIC lavori in sicurezza solitamente impongo un margine del 30% rispetto ai valori del datasheet, questo vuol dire che fisseremo in source 70mA mentre in sink 105mA, dividendo per i sette segmenti (se non ti serve il punto) avremo nel primo caso 10mA/segmento mentre nel secondo potremmo spingerci fino a 15mA/segmento.
Ovviamente per lavorare in source va bene il display a catodo comune che hai scelto, se invece vorrai lavorare in sink servirà un display ad anodo comune.
carlomusumeci ha scritto:volendo farlo funzionare a 10mA faccio 5-2.4= 2.6 / 0.010=260 ohm (in commercio 270)
Si, con 270ohm per imporre i 10mA sei a posto.
carlomusumeci ha scritto:quanti mA mi consigli per la giusta luminiscenza davidde?
Se ti servano 10 o 15mA a segmento devi stabilirlo tu in base a delle prove pratiche come qualcuno ti aveva suggerito in precedenza.
Purtroppo il datasheet di quel display non è molto dettagliato e non ti fa vedere il grafico dell'intensità luminosa in funzione della corrente, per altri display questi grafici sono forniti ma comunque sono sempre dati relativi ad una moltitudine di fattori (come la temperatura del segmento) che è difficile stabilire a priori. Quindi, come spesso accade, le prove pratiche sono quelle che danno risultati più tangibili.
P.S.
Occhio che il datasheet che ho postato io ieri è relativo al PIC 16F84A non al PIC16F84; ho controllato ora e rispetto ai parametri che abbiamo preso in considerazione noi non cambia nulla ma non usarlo per il resto perché ci sono sicuramente delle differenze tra i due componenti che potrebbero indurti in errore.
1
voti
Ciao Davidde :) si intendo utilizzarlo in source,consideriamo un limite di 70 mA totali...e se lo alimento a 2.0 v e 10mA. ottendo questo risultato (allegato)
direi un buon compromesso...
direi un buon compromesso...
-

carlomusumeci
353 5 7 - Sostenitore

- Messaggi: 526
- Iscritto il: 8 apr 2011, 0:35
28 messaggi
• Pagina 3 di 3 • 1, 2, 3
Chi c’è in linea
Visitano il forum: Nessuno e 87 ospiti

Elettrotecnica e non solo (admin)
Un gatto tra gli elettroni (IsidoroKZ)
Esperienza e simulazioni (g.schgor)
Moleskine di un idraulico (RenzoDF)
Il Blog di ElectroYou (webmaster)
Idee microcontrollate (TardoFreak)
PICcoli grandi PICMicro (Paolino)
Il blog elettrico di carloc (carloc)
DirtEYblooog (dirtydeeds)
Di tutto... un po' (jordan20)
AK47 (lillo)
Esperienze elettroniche (marco438)
Telecomunicazioni musicali (clavicordo)
Automazione ed Elettronica (gustavo)
Direttive per la sicurezza (ErnestoCappelletti)
EYnfo dall'Alaska (mir)
Apriamo il quadro! (attilio)
H7-25 (asdf)
Passione Elettrica (massimob)
Elettroni a spasso (guidob)
Bloguerra (guerra)



