15-35 Vac -> 5 Vdc 1 A Alimentatore stabilizzato

Elettronica lineare e digitale: didattica ed applicazioni

Moderatori: Foto Utentecarloc, Foto Utenteg.schgor, Foto UtenteBrunoValente, Foto UtenteIsidoroKZ

Avatar utente
Foto UtenteJarvis
0 2
Messaggi: 12
Iscritto il: 22 mar 2015, 21:34
0
voti

[21] Re: 15-35 V in c.a. -> 5 V in c.c. 1 A Alimentatore stabiliz

Messaggioda Foto UtenteJarvis » 23 mar 2015, 23:46

Ho risolto con la mia idea iniziale, ossia limitando la corrente a 800 mA, valore che riesco ad ottenere anche con una pedalata piuttosto lenta. Provato per 45 minuti, non si surriscalda in modo particolare (la scatola provvisoria che lo contiene è in plastica, al tatto è appena calda). Grazie lo stesso.

Avatar utente
Foto UtenteIsidoroKZ
121,2k 1 3 8
G.Master EY
G.Master EY
Messaggi: 21059
Iscritto il: 17 ott 2009, 0:00
0
voti

[22] Re: 15-35 V in c.a. -> 5 V in c.c. 1 A Alimentatore stabiliz

Messaggioda Foto UtenteIsidoroKZ » 24 mar 2015, 0:16

Pubblica uno schema di quanto hai fatto, cosi` anche gli altri ne possono usufruire!

Che tensione hai all'ingresso del regolatore? Come hai fatto a limitare la corrente?
Per usare proficuamente un simulatore, bisogna sapere molta più elettronica di lui
Plug it in - it works better!
Il 555 sta all'elettronica come Arduino all'informatica! (entrambi loro malgrado)
Se volete risposte rispondete a tutte le mie domande

Avatar utente
Foto UtenteJarvis
0 2
Messaggi: 12
Iscritto il: 22 mar 2015, 21:34
0
voti

[23] Re: 15-35 V in c.a. -> 5 V in c.c. 1 A Alimentatore stabiliz

Messaggioda Foto UtenteJarvis » 24 mar 2015, 10:16

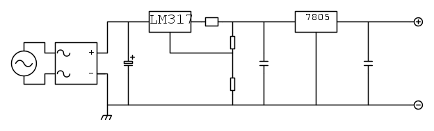
Non ho fatto misurazioni sugli ingressi degli integrati, solo calcoli su carta e misurazione in uscita dal circuito, è stata una prova frettolosa e disperata. Ora il segnale, dopo essere stato raddrizzato e livellato, passa in un lm317 (Vin max: 40V, potenza dissipata max: 15W) in configurazione di limitatore di corrente e partitore di tensione in modo da abbassare anche la differenza tra la Vin e la Vout del 7805. In fine 7805 come stabilizzatore di tensione. Pedalando piano o forte ho sempre in uscita 5V 0,8A che riescono finalmente a caricare uno smartphone. lm317 e 7805 montano dissipatore 24°C/W. Resistori da 5W.

Forse usare due elementi per dissipare l'energia un po' di qua ed un po' di la è stata la scelta giusta. In realtà credo che sia la scoperta dell'acqua calda, una pre-regolazione di tensione.

Sono molto contento di esserci riuscito, anche se in modo grossolano.

Lo schema l'ho riprodotto a mente (e mi sa che devo imparare ad usarlo meglio fidocad...), spero di non aver dimenticato nulla.


Avatar utente
Foto Utentemarco438
37,1k 7 11 13
-EY Legend-
-EY Legend-
Messaggi: 16323
Iscritto il: 24 mar 2010, 14:09
Località: Versilia
0
voti

[24] Re: 15-35 V in c.a. -> 5 V in c.c. 1 A Alimentatore stabiliz

Messaggioda Foto Utentemarco438 » 24 mar 2015, 10:37

Senza i valori dei componenti e' un po' dfficile giudicare un circuito; mi pare tuttavia che non funzioni proprio come dici tu.
D'altra parte, chi si accontenta gode. :D
marco

Avatar utente
Foto UtenteIsidoroKZ
121,2k 1 3 8
G.Master EY
G.Master EY
Messaggi: 21059
Iscritto il: 17 ott 2009, 0:00
0
voti

[25] Re: 15-35 V in c.a. -> 5 V in c.c. 1 A Alimentatore stabiliz

Messaggioda Foto UtenteIsidoroKZ » 24 mar 2015, 11:08

Il 317 per fare il regolatore di corrente non ha bisogno delle due resistenze di partitore che hai disegnato. Avendo a disposizione tanta potenza il circuito funziona, considera che assorbe sempre 0.8A dal raddrizzatore, e se li` ci sono 30V, fanno 24W di potenza assorbita.

CI vorrebbe una misura della tensione di ingresso con un oscilloscopio. Con il tester che cosa dice?

Aggiungi i valori dei componenti, altrimeni chi volesse farsi il circuito non potrebbe farlo.
Per usare proficuamente un simulatore, bisogna sapere molta più elettronica di lui
Plug it in - it works better!
Il 555 sta all'elettronica come Arduino all'informatica! (entrambi loro malgrado)
Se volete risposte rispondete a tutte le mie domande

Avatar utente
Foto UtenteJarvis
0 2
Messaggi: 12
Iscritto il: 22 mar 2015, 21:34
0
voti

[26] Re: 15-35 V in c.a. -> 5 V in c.c. 1 A Alimentatore stabiliz

Messaggioda Foto UtenteJarvis » 24 mar 2015, 11:19

Non citare i messaggi per intero.
Non ho capito, sto recependo informazioni contrastanti.

L'ho fatto ieri sera, con datasheet alla mano.

I due resistori del partitore determinano la tensione di uscita (a me servono per ridurre la Vin del 7805 e non avere una differenza eccessiva tra Vin e Vout del 317), mentre l'altro determina la corrente (come nella configurazione standard limitatore di corrente del 317). Configurazione "battery charger" trovata su un datasheet del lm317 e spudoratamente copiata (formule incluse che uploaderò).

Il 7805 è nella prima configurazione trovata su un datasheet del 7805 come stabilizzatore di tensione.

Non capisco poi come faccia a funzionare nel reale comunque, se è come dice marco... Ho tralasciato qualcosa che magari va a sistemare gli errori concettuali? Appena ho tempo rimetto su tutto con i valori, quello di prima è stato fatto di fretta.


Torna a “Elettronica generale”