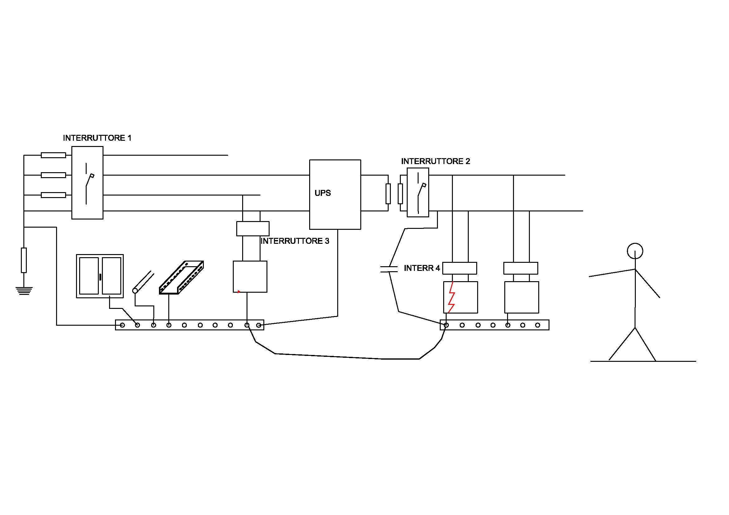
zintonio ha scritto:Al contrario se avessi un 1° guasto nel sistema TN-S, l'interruttore subito a monte scatta per non parlare del generale di quadro [...] Quindi a mio avviso, interporre un trafo d'isolamento non fa altro che aumentare ancora di più la sicurezza elettrica senza compromettere la funzionalità dell'impianto. E' un po' come sparare alla mosca col cannone ma avendo sto trafo in qualche modo bisogna utilizzarlo
ma parliamo dell'impianto elettrico di un CED (anche se piccolino) o della casa della signora maria?
se al primo guasto su una macchina ti salta il generale... direi la seconda

Elettrotecnica e non solo (admin)
Un gatto tra gli elettroni (IsidoroKZ)
Esperienza e simulazioni (g.schgor)
Moleskine di un idraulico (RenzoDF)
Il Blog di ElectroYou (webmaster)
Idee microcontrollate (TardoFreak)
PICcoli grandi PICMicro (Paolino)
Il blog elettrico di carloc (carloc)
DirtEYblooog (dirtydeeds)
Di tutto... un po' (jordan20)
AK47 (lillo)
Esperienze elettroniche (marco438)
Telecomunicazioni musicali (clavicordo)
Automazione ed Elettronica (gustavo)
Direttive per la sicurezza (ErnestoCappelletti)
EYnfo dall'Alaska (mir)
Apriamo il quadro! (attilio)
H7-25 (asdf)
Passione Elettrica (massimob)
Elettroni a spasso (guidob)
Bloguerra (guerra)





