Lo schema di
Regolatore di temperatura ciclico fai da te
23 messaggi
• Pagina 2 di 3 • 1, 2, 3
0
voti
Lo schema di
0
voti
g.schgor ha scritto:daitarn3 ha scritto:Ma appena la t scende sotto 100°C il T100 non si chiude di nuovo riattivando il relè del riscaldatore?
No, perché nel frattempo si è attirato ComV, aprendo il suo contatto NC.
aspetta... tu mi stai parlando di un relè con due contatti controllati?
daitarn3 ha scritto:i termostati che pensavo di utilizzare sono quelli digital
OK, ma volevo sapere se hanno in uscita un contatto doi scambio.[/quote]
per contatto di scambio cosa intendi? un relè?
ciao
1
voti
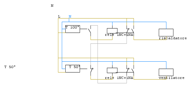
Lo schema del post[5] prevede il comando della resistenza riscaldante e del ventilatore
con altri contatti degli stessi relè. Quindi il circuito di controllo potrebbe essere fatto
(per sicurezza) a tensione minore (12 o 24 V), separato dal circuito di "potenza".
Per questo ho precisato "relè a doppio contatto di scambio"-
con altri contatti degli stessi relè. Quindi il circuito di controllo potrebbe essere fatto
(per sicurezza) a tensione minore (12 o 24 V), separato dal circuito di "potenza".
Per questo ho precisato "relè a doppio contatto di scambio"-
0
voti
FrancoEY ha scritto:
Lo schema dig.schgor (un maestro del forum) è uguale, io ho messo 2 relè per non far attraversare la corrente del riscaldatore e del ventilatore nei termostati.
...per capire...i relè che consideri hanno due contatti controllati ciascuno (1NA + 1NC) per controllare due linee contemporaneamente?
se è così mi torna...altrimenti ci devo riflettere un altro po'
ciao
1
voti
Per relè con 2 contatti di scambio si intende questo:
0
voti
g.schgor ha scritto:Per relè con 2 contatti di scambio si intende questo:
quindi se ho capito bene, un qualcosa del genere:
http://it.rs-online.com/web/p/rele-monostabili/8002795/
2
voti
No. Cdme l'hai scelto?
Devi cercare un tipo DPDT, come questo
in base alla tensione di comando e alla portata ,dei contatti
clmpatibile con il carico,
Devi cercare un tipo DPDT, come questo
in base alla tensione di comando e alla portata ,dei contatti
clmpatibile con il carico,
0
voti
daitarn3 ha scritto:g.schgor ha scritto:Per relè con 2 contatti di scambio si intende questo:
quindi se ho capito bene, un qualcosa del genere:
http://it.rs-online.com/web/p/rele-monostabili/8002795/
Per lo schema che ho fatto io va bene questo ma con bobina a 230V, andrebbe bene anche con 1 solo contatto che "scambia" da NC a NA visto che la fase è comune ai 2 contatti, forse te la puoi cavare anche con un Finder piu economico ma se non sappiamo l'assorbimento dei carichi viene difficile dare consigli.
Fare il comando a 12 o 24 V sarebbe migliore in sicurezza ma aumenta le problematiche...
0
voti
g.schgor ha scritto:No. Cdme l'hai scelto?
Devi cercare un tipo DPDT, come questo
in base alla tensione di comando e alla portata ,dei contatti
clmpatibile con il carico,
la scelta in base al carico non l'avevo fatta. Era solo per capire se la tipologia di relè poteva andare bene.
Il fatto che sia a barra DIN comunque per me è importante per motivi pratici.
comunque mi pare di capire che esistono DPDT sia con entrambe i contatti NA (o NC) che con NA e NC...giusto?
I contatti dovrebbero essere capaci di sopportare 25A in CC.
La tensione di comando, se posso raggruppare tutto in una scatola a barra DIN e chiudere tutto, può tranquillamente essere 220...ma non ho preclusioni in merito.
Grazie per le preziose info...e scusate per le questioni talvolta banali che posso rivolgervi
Un saluto
p.s.
il link che hai fornito a me purtroppo non funziona
0
voti
FrancoEY ha scritto:daitarn3 ha scritto:g.schgor ha scritto:Per relè con 2 contatti di scambio si intende questo:
quindi se ho capito bene, un qualcosa del genere:
http://it.rs-online.com/web/p/rele-monostabili/8002795/
Per lo schema che ho fatto io va bene questo ma con bobina a 230V, andrebbe bene anche con 1 solo contatto che "scambia" da NC a NA visto che la fase è comune ai 2 contatti, forse te la puoi cavare anche con un Finder piu economico ma se non sappiamo l'assorbimento dei carichi viene difficile dare consigli.
Fare il comando a 12 o 24 V sarebbe migliore in sicurezza ma aumenta le problematiche...
...quindi se ho capito bene, il relè con un solo contatto che dici te sarebbe in pratica un bistabile...giusto?
ciao
23 messaggi
• Pagina 2 di 3 • 1, 2, 3
Chi c’è in linea
Visitano il forum: Nessuno e 7 ospiti

Elettrotecnica e non solo (admin)
Un gatto tra gli elettroni (IsidoroKZ)
Esperienza e simulazioni (g.schgor)
Moleskine di un idraulico (RenzoDF)
Il Blog di ElectroYou (webmaster)
Idee microcontrollate (TardoFreak)
PICcoli grandi PICMicro (Paolino)
Il blog elettrico di carloc (carloc)
DirtEYblooog (dirtydeeds)
Di tutto... un po' (jordan20)
AK47 (lillo)
Esperienze elettroniche (marco438)
Telecomunicazioni musicali (clavicordo)
Automazione ed Elettronica (gustavo)
Direttive per la sicurezza (ErnestoCappelletti)
EYnfo dall'Alaska (mir)
Apriamo il quadro! (attilio)
H7-25 (asdf)
Passione Elettrica (massimob)
Elettroni a spasso (guidob)
Bloguerra (guerra)




