Ciao ragazzi,
vorrei rimettere in funzione l'impianto di diffusione che ho a casa: sono 4 casse Edivox AP80 da 10W l'una, tutte collegate presumibilmente in parallelo. Attendo che arrivi l'amplificatore di cui allego le specifiche (Pagato 12€, non ho pretese eccessive).
Le casse lavorano su un unico canale.. la presa a muro ha solo + e -
Come sfrutto tutta la potenza di questo amplificatore? (quindi entrambi i canali?)
Da stereo a mono per impianto di diffusione
Moderatore:
IsidoroKZ
11 messaggi
• Pagina 1 di 2 • 1, 2
0
voti
- Allegati
-
310-372--kinter-ma-700-manual.pdf- Amplificatore Kinter MA-700 Specifiche
- (622.94 KiB) Scaricato 186 volte
0
voti
Le 4 casse vanno ricollegate diversamente.
Per la precisione 2 andranno su un canale e 2 sull'altro.
Però occorre vedere sugli altoparlanti la loro impedenza caratteristica, che nella maggior parte dei casi varia da 4 ohm in su, tipicamente saranno da 4 oppure 8 ohm.
L'ampli accetta da 4 a 16 ohm, quindi il collegamento degli AP va fatto (2 per canale come sopra detto): in serie se sono ognuna da 4 ohm (ottenendo così 8 ohm per canale) o in parallelo se ognuna è da 8 ohm (ottenendo così 4 ohm).
Se per caso dovessero essere da 16 ohm, andrebbero di nuovo in parallelo ottenendo 8 ohm per canale.
Con 4 ohm si avrà la massima potenza, mentre con 8 ohm sarà più o meno a metà.
Gli ingressi dell'ampli andranno collegati in parallelo, in modo che i due canali ricevano lo stesso segnale da inviare alle due linee di altoparlanti.

Per la precisione 2 andranno su un canale e 2 sull'altro.
Però occorre vedere sugli altoparlanti la loro impedenza caratteristica, che nella maggior parte dei casi varia da 4 ohm in su, tipicamente saranno da 4 oppure 8 ohm.
L'ampli accetta da 4 a 16 ohm, quindi il collegamento degli AP va fatto (2 per canale come sopra detto): in serie se sono ognuna da 4 ohm (ottenendo così 8 ohm per canale) o in parallelo se ognuna è da 8 ohm (ottenendo così 4 ohm).
Se per caso dovessero essere da 16 ohm, andrebbero di nuovo in parallelo ottenendo 8 ohm per canale.
Con 4 ohm si avrà la massima potenza, mentre con 8 ohm sarà più o meno a metà.
Gli ingressi dell'ampli andranno collegati in parallelo, in modo che i due canali ricevano lo stesso segnale da inviare alle due linee di altoparlanti.

-

jervisbrown
88 2 - New entry

- Messaggi: 66
- Iscritto il: 26 mar 2015, 14:12
0
voti
Temo che per lui non sia tanto semplice cambiare il collegamento degli altoparlanti, ha parlato di presa a muro, quindi penso che i cavi siano incassati.
Inoltre il fatto di collegare brutalmente insieme i due canali in ingresso potrebbe non essere gradito alla sorgente sonora.
È necessario conoscere l'impedenza degli altoparlanti o almeno conoscere le caratteristiche dell'amplificatore c'era prima.
E non sarà gradito all'amplificatore collegare in parallelo le uscite verso gli altoparlanti. Quello è un amplificatore in classe D (digitale) ed in genere le uscite altoparlanti non hanno un polo in comune, collegandole si fanno danni
Inoltre il fatto di collegare brutalmente insieme i due canali in ingresso potrebbe non essere gradito alla sorgente sonora.
È necessario conoscere l'impedenza degli altoparlanti o almeno conoscere le caratteristiche dell'amplificatore c'era prima.
E non sarà gradito all'amplificatore collegare in parallelo le uscite verso gli altoparlanti. Quello è un amplificatore in classe D (digitale) ed in genere le uscite altoparlanti non hanno un polo in comune, collegandole si fanno danni
-

FedericoSibona
5.022 3 5 8 - Master

- Messaggi: 3951
- Iscritto il: 19 mar 2013, 11:43
0
voti
FedericoSibona ha scritto:Temo che per lui non sia tanto semplice cambiare il collegamento degli altoparlanti, ha parlato di presa a muro, quindi penso che i cavi siano incassati.
Inoltre il fatto di collegare brutalmente insieme i due canali in ingresso potrebbe non essere gradito alla sorgente sonora.
È necessario conoscere l'impedenza degli altoparlanti o almeno conoscere le caratteristiche dell'amplificatore c'era prima.
Esattamente. Alla presa a muro arriva un solo cavo (positivo e negativo). Quindi un solo canale. Le casse se non ricordo male sono da 8Ohm, anche se verificherò meglio. Ogni cassa dispone di un potenziometro in ogni stanza per abbassare e alzare il volume.
All'epoca non c'era un amplificatore ben preciso bensì si usavano gli amplificatori di un tempo (credo fosse un pioneer), quelli composti da diversi pezzi (radio fm/am, cassette, giradischi ecc).
E non sarà gradito all'amplificatore collegare in parallelo le uscite verso gli altoparlanti. Quello è un amplificatore in classe D (digitale) ed in genere le uscite altoparlanti non hanno un polo in comune, collegandole si fanno danni
Questa cosa me la chiedevo anche io... leggevo che alcuni amplificatori hanno la funzione bridge, ma questo è una cinesata. Collegando assieme entrambi i canali non so cosa può succedere
0
voti
Il fatto che si potesse per ogni altoparlante regolare il volume mi fa pensare a qualcosa di più complesso di un semplice collegamento in parallelo. E questo "complesso" si dovrebbe conoscere per poter consigliare a ragion veduta 
-

FedericoSibona
5.022 3 5 8 - Master

- Messaggi: 3951
- Iscritto il: 19 mar 2013, 11:43
0
voti
Ho risolto semplicemente collegando solo un canale (R) all'impianto. L'altro l'ho lasciato inutilizzato. L'audio è abbastanza potente per ascoltare musica in ambito casalingo 

0
voti

"Non farei mai parte di un club che accettasse la mia iscrizione" (G. Marx)
-

claudiocedrone
21,3k 4 7 9 - Master EY

- Messaggi: 15300
- Iscritto il: 18 gen 2012, 13:36
0
voti
Se fosse un semplice amplificatore sarebbe semplice mixare i due canali all'ingresso, ma, visto che hai gran parte delle sorgenti interne (FM, USB, ecc) la cosa viene un po' più complicata e comporterebbe modifiche interne. Questo naturalmente se non c'è la commutazione stereo-mono, ma mi pare di non vederla.
-

FedericoSibona
5.022 3 5 8 - Master

- Messaggi: 3951
- Iscritto il: 19 mar 2013, 11:43
0
voti
@Claudio, si purtroppo ascolterò musica 'zoppa' :) Non sono un fanatico nel suono, mi basta semplicemente che l'audio arrivi in tutte le camere con qualità discreta.
@Federico, sì, nessuna commutazione purtroppo. Userei prevalentemente sorgenti interne (USM e FM).
Mi sembra di capire che collegandoci una sorgente esterna (AUX) potrei risolvere collegando i cavi coassiali R+L entrambi su R con un adattatore a T
@Federico, sì, nessuna commutazione purtroppo. Userei prevalentemente sorgenti interne (USM e FM).
Mi sembra di capire che collegandoci una sorgente esterna (AUX) potrei risolvere collegando i cavi coassiali R+L entrambi su R con un adattatore a T
0
voti
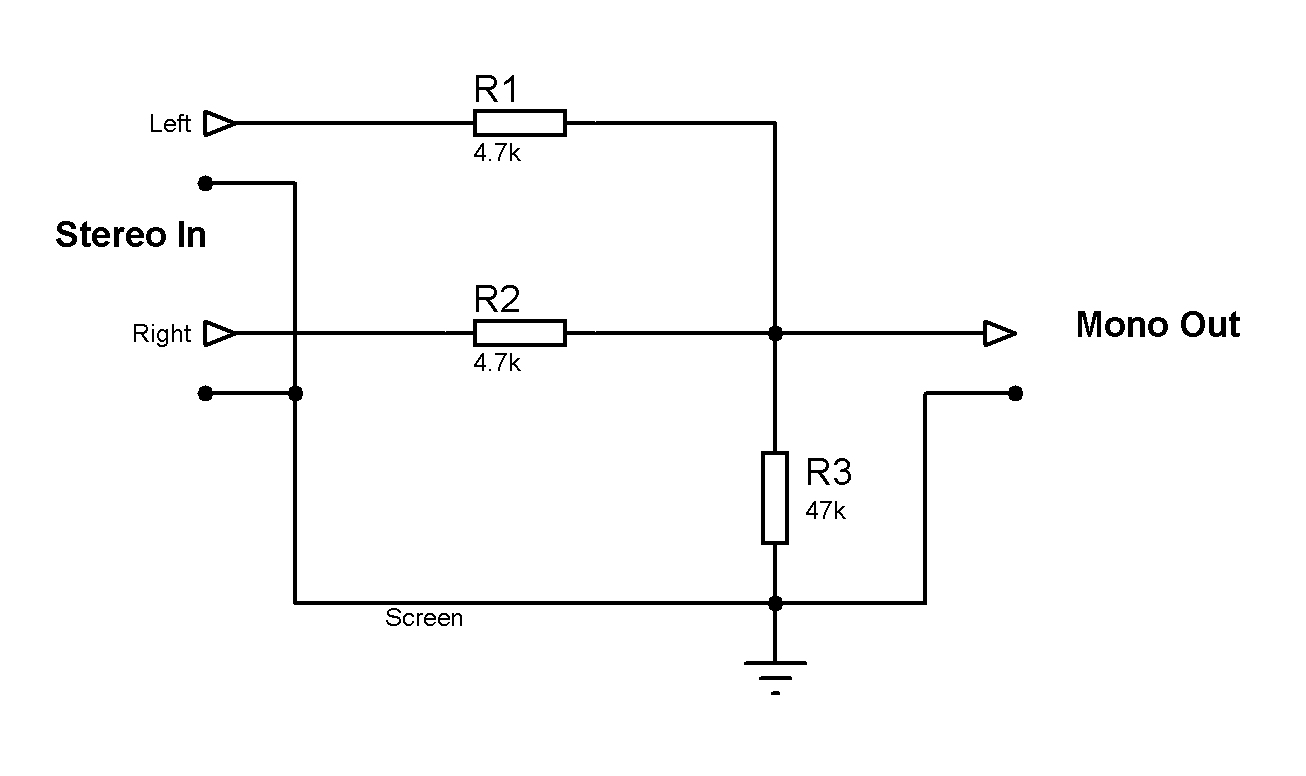
Con sorgenti esterne potresti usare semplicemente tre resistori posizionati così
Il Mono Out devi inserirlo nell'ingresso dell'amplificatore del canale che pensi di utilizzare.
Così continuerai ad utilizzare un solo canale dell'amplificatore, ma, su quel canale, avrai l'intero segnale musicale.
Non è questione di essere "fanatici del suono", è che ti perdi proprio una fetta di orchestra/band
Comunque se è solo per avere un motivo musicale di sottofondo........
Il Mono Out devi inserirlo nell'ingresso dell'amplificatore del canale che pensi di utilizzare.
Così continuerai ad utilizzare un solo canale dell'amplificatore, ma, su quel canale, avrai l'intero segnale musicale.
Non è questione di essere "fanatici del suono", è che ti perdi proprio una fetta di orchestra/band
Comunque se è solo per avere un motivo musicale di sottofondo........
-

FedericoSibona
5.022 3 5 8 - Master

- Messaggi: 3951
- Iscritto il: 19 mar 2013, 11:43
11 messaggi
• Pagina 1 di 2 • 1, 2
Torna a Elettronica e spettacolo
Chi c’è in linea
Visitano il forum: Nessuno e 8 ospiti

Elettrotecnica e non solo (admin)
Un gatto tra gli elettroni (IsidoroKZ)
Esperienza e simulazioni (g.schgor)
Moleskine di un idraulico (RenzoDF)
Il Blog di ElectroYou (webmaster)
Idee microcontrollate (TardoFreak)
PICcoli grandi PICMicro (Paolino)
Il blog elettrico di carloc (carloc)
DirtEYblooog (dirtydeeds)
Di tutto... un po' (jordan20)
AK47 (lillo)
Esperienze elettroniche (marco438)
Telecomunicazioni musicali (clavicordo)
Automazione ed Elettronica (gustavo)
Direttive per la sicurezza (ErnestoCappelletti)
EYnfo dall'Alaska (mir)
Apriamo il quadro! (attilio)
H7-25 (asdf)
Passione Elettrica (massimob)
Elettroni a spasso (guidob)
Bloguerra (guerra)