Problema VCO
Moderatori:
carloc,
g.schgor,
BrunoValente,
IsidoroKZ
0
voti
[51] Re: Problema VCO
Sempre i 30mv, sommati ad una continua che permetta al Diodo di condurre una corrente significativa 
-

Micrologus
55 2 - New entry

- Messaggi: 94
- Iscritto il: 9 feb 2015, 17:29
0
voti
[52] Re: Problema VCO
Buone notizie: ho potuto provare il circuito!
Con una resistenza da 1Kohm funziona benissimo per tensioni da 610mV a 670mV; poi (siccome sono riuscito ad alimentarlo solo a 5V purtroppo) satura a 3,6V e bona ahahah
Ho fatto pure un grafico dell'andamento della Vo, e sembra esponenziale (la parte dalla Vgamma in su) quindi credo che vada bene!
Volevo una conferma sulle tensioni in ingresso: devono variare di così poco?
Con una resistenza da 1Kohm funziona benissimo per tensioni da 610mV a 670mV; poi (siccome sono riuscito ad alimentarlo solo a 5V purtroppo) satura a 3,6V e bona ahahah
Ho fatto pure un grafico dell'andamento della Vo, e sembra esponenziale (la parte dalla Vgamma in su) quindi credo che vada bene!
Volevo una conferma sulle tensioni in ingresso: devono variare di così poco?
0
voti
[53] Re: Problema VCO
Arrow ha scritto:Volevo una conferma sulle tensioni in ingresso: devono variare di così poco?
Metti sempre lo schema completo di quello che stai facendo, perché io non ho la sfera di cristallo e non so cosa combini
MI interessa sapere cosa c'è prima del convertitore esponenziale e quello che viene dopo( non a parole)
Comunque considera ,che per i VCO, di solito si usa un Transistor come convertitore esponenziale e non un Diodo.
-

Micrologus
55 2 - New entry

- Messaggi: 94
- Iscritto il: 9 feb 2015, 17:29
0
voti
[54] Re: Problema VCO
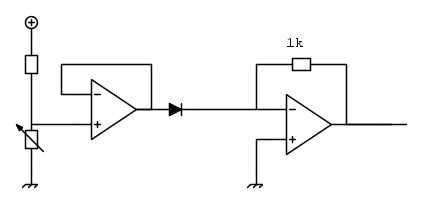
Il circuito di prova era questo:
E funziona a dovere; purtroppo l'ho dovuto alimentare solo a 5V perché mi si era bruciato il regolatore negativo e ho dovuto fare con due zener
Però nel piccolo tratto la curva si vede che è esponenziale (da un grafico su excel).
Domani sostituisco il regolatore bruciato e riprovo il circuito, questa volta saturerà con tensioni un po' più alte...
E funziona a dovere; purtroppo l'ho dovuto alimentare solo a 5V perché mi si era bruciato il regolatore negativo e ho dovuto fare con due zener
Però nel piccolo tratto la curva si vede che è esponenziale (da un grafico su excel).
Domani sostituisco il regolatore bruciato e riprovo il circuito, questa volta saturerà con tensioni un po' più alte...
0
voti
[56] Re: Problema VCO
Fara` un termoconvertitore 
Per usare proficuamente un simulatore, bisogna sapere molta più elettronica di lui
Plug it in - it works better!
Il 555 sta all'elettronica come Arduino all'informatica! (entrambi loro malgrado)
Se volete risposte rispondete a tutte le mie domande
Plug it in - it works better!
Il 555 sta all'elettronica come Arduino all'informatica! (entrambi loro malgrado)
Se volete risposte rispondete a tutte le mie domande
0
voti
[58] Re: Problema VCO
Arrow ha scritto:Si, dici che devo mettere una qualche compensazione termica o farlo classico con la coppia di transistor?![]()
Dipende da quali sono le tue intenzioni.
Se vuoi un progetto approssimato . potrebbe anche andare bene ciò che hai fatto, anche se lo vorrei vedere completo e con tutti i valori.
In ogni caso credo che devi studiare ancora un po' per affrontare la progettazione di un Synth,
anche copiando sembra che hai difficoltà a capire.
Per il tuo progetto scolastico opterei per qualcosa di più semplice.
-

Micrologus
55 2 - New entry

- Messaggi: 94
- Iscritto il: 9 feb 2015, 17:29
0
voti
[59] Re: Problema VCO
Micrologus ha scritto:..Per il tuo progetto scolastico opterei per qualcosa di più semplice.
Concordo al 100%: quando si tenta di stupire con effetti speciali, se non si è più che padroni dell'argomento, si rischia fortemente una brutta figura.
Converrebbe senz'altro qualcosa di più semplice e ben digerita, da esporre con tutta onestà, in modo che i professori possano farsi facilmente e fin da subito un'idea chiara su quale sia il tuo reale livello di preparazione.
Diversamente li inviteresti fin da subito a sospettare della tua preparazione e, visto che l'unico argomento di discussione te lo saresti bruciato, potrebbero arrivare anche a sospettare che tu non sia preparato su nulla.
-

BrunoValente
39,6k 7 11 13 - G.Master EY

- Messaggi: 7796
- Iscritto il: 8 mag 2007, 14:48
0
voti
[60] Re: Problema VCO
Forse ho dato un'impressione un po' sbagliata di me.... Ho chiesto aiuto qui perché a scuola quel circuito (come tanti altri) li abbiamo visti solo su carta e chiedevo delucidazioni...
Si ok, il mio primo schema era copiato spudoratamente ma ora sto seguendo tutta un'altra strada; il fatto è che io e il mio compagno di progetto ci siamo "fissati" con questo synth e anche se non suona bene come il minimoog (o qualsiasi altro sintetizzatore) l'importante è che capiamo.
Credo che chiedere aiuto a voi sia un modo per capire cose che nelle ore normali di lezione nessuno spiega e vedere che quei circuiti funzionano veramente e vedere come funzionano e in che condizioni è quello che mi interessa...
Comunquesia posterò il circuito completo appena posso...
edit: se lo facessi digitale con un micro tipo MSP430 o TM4C123(arm) lo avrei già concluso da un bel pezzo, solo che vorrei una cosa analogica...
Si ok, il mio primo schema era copiato spudoratamente ma ora sto seguendo tutta un'altra strada; il fatto è che io e il mio compagno di progetto ci siamo "fissati" con questo synth e anche se non suona bene come il minimoog (o qualsiasi altro sintetizzatore) l'importante è che capiamo.
Credo che chiedere aiuto a voi sia un modo per capire cose che nelle ore normali di lezione nessuno spiega e vedere che quei circuiti funzionano veramente e vedere come funzionano e in che condizioni è quello che mi interessa...
Comunquesia posterò il circuito completo appena posso...
edit: se lo facessi digitale con un micro tipo MSP430 o TM4C123(arm) lo avrei già concluso da un bel pezzo, solo che vorrei una cosa analogica...
Chi c’è in linea
Visitano il forum: Nessuno e 294 ospiti

Elettrotecnica e non solo (admin)
Un gatto tra gli elettroni (IsidoroKZ)
Esperienza e simulazioni (g.schgor)
Moleskine di un idraulico (RenzoDF)
Il Blog di ElectroYou (webmaster)
Idee microcontrollate (TardoFreak)
PICcoli grandi PICMicro (Paolino)
Il blog elettrico di carloc (carloc)
DirtEYblooog (dirtydeeds)
Di tutto... un po' (jordan20)
AK47 (lillo)
Esperienze elettroniche (marco438)
Telecomunicazioni musicali (clavicordo)
Automazione ed Elettronica (gustavo)
Direttive per la sicurezza (ErnestoCappelletti)
EYnfo dall'Alaska (mir)
Apriamo il quadro! (attilio)
H7-25 (asdf)
Passione Elettrica (massimob)
Elettroni a spasso (guidob)
Bloguerra (guerra)



