modifica circuito lampada emergenza a led
Moderatori:
carloc,
g.schgor,
BrunoValente,
IsidoroKZ
38 messaggi
• Pagina 2 di 4 • 1, 2, 3, 4
0
voti
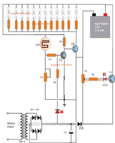
ho trovato in rete questo schema potrebbe andare bene per il mio utilizzo elminando pero' la parte ldrche non mi serve
0
voti
ciao a tutti visto che non ho avuto risposte su come modificare il cirquito postato, io in questi giorni mi sono dato da fare. ripeto che io non ho la conoscenza per progettere nulla, per qui ho cercato e ricercato ma non ho trovato quello che cerco,pero' mi sono immedesimato a progettaore, uno che non sa gnente progetta qualcosa ma per piacere
. comunque ho trovato lo schema di un carica batteria con lm317 il circuito qui: http://www.adrirobot.it/caricabatteria/ ... tteria.htm al quale ho abbinato delle resistenze dei transistor e un relè. lo schema lo ho fatto ancora con kicad, perché fidocadj che ho scaricato manca un casino di componenti sicuramente non ho capito come usarlo. per favore mi controllate quello che ho fatto e mi dite se puo' funzionare correttamente e se ho sbagliato mi potete correggere 

Ultima modifica di
steorai il 31 mar 2015, 11:41, modificato 1 volta in totale.
0
voti
riguardondo lo schema mi sono accorto che non ho messo il diodo sulla bobina del relè
1
voti
Quello non è uno schema complicato e FidoCadJ è perfettamente in grado di riprodurlo al meglio, applicati un po'
Guarda che non è un nostro pallino, gli schemi in FidoCadJ possono venire facilmente importati, modificati da parte di chi ti vuol rispondere e ripubblicati senza dover ridisegnare tutto lo schema, quindi direi di adeguarti o rassegnarti ad avere poche risposte o, quantomeno, meno circostanziate
Guarda che non è un nostro pallino, gli schemi in FidoCadJ possono venire facilmente importati, modificati da parte di chi ti vuol rispondere e ripubblicati senza dover ridisegnare tutto lo schema, quindi direi di adeguarti o rassegnarti ad avere poche risposte o, quantomeno, meno circostanziate
-

FedericoSibona
5.022 3 5 8 - Master

- Messaggi: 3951
- Iscritto il: 19 mar 2013, 11:43
0
voti
ciao in quello che ho scaricato praticamente mancano tutti i componenti se no lo avrei fatto con fidocadj
0
voti
Ok grazie appena rientro a casa scarico e installo
0
voti
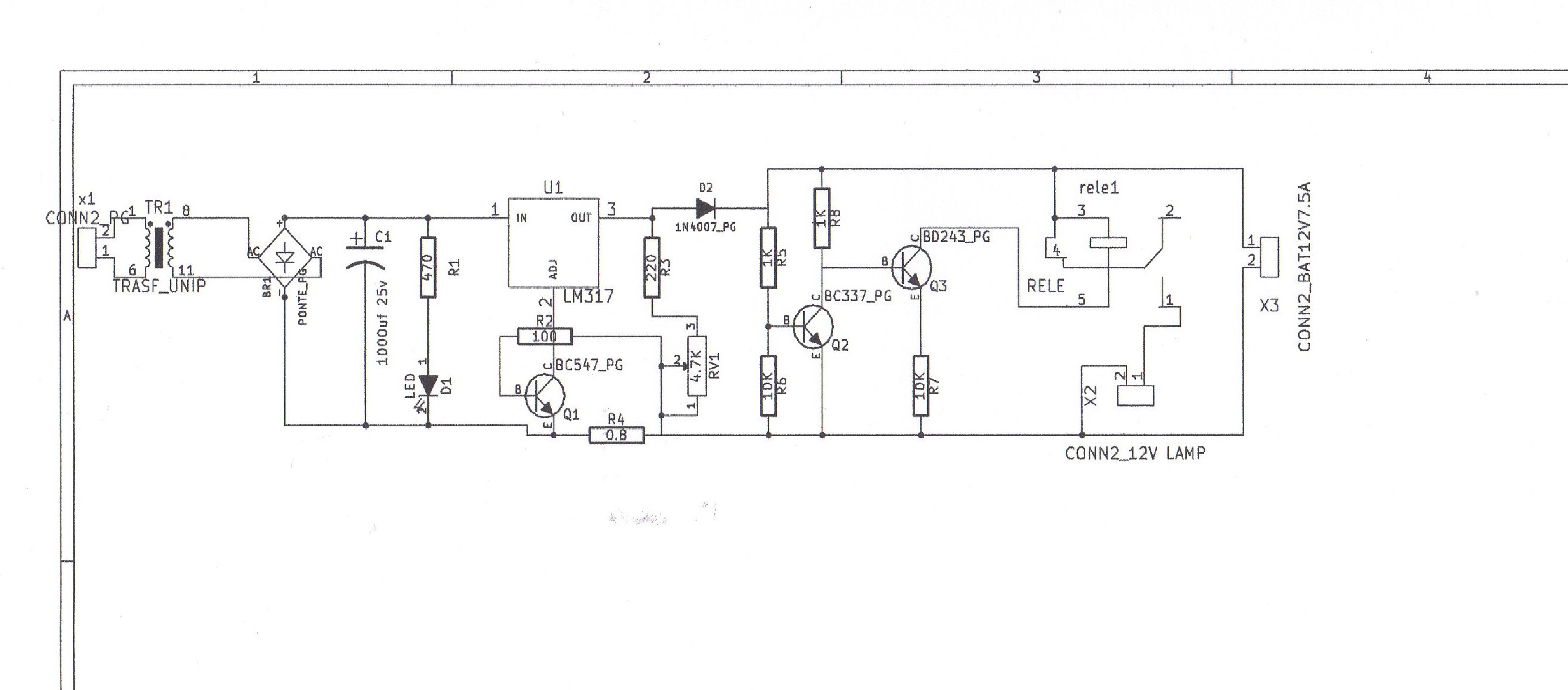
ok ecco fatto non è dei migliori ma penso si capisca in teoria quando manca la 220 V i transitor alimentano la bobina del rele e si accende la lampadina che dite funziona ho sbagliato mi correggete il circuito fatto con fidocadj
0
voti
ciao oggi ho provato su breadboard i transistor come da schema ma non funziona help
0
voti
Fammi capire
tutto il circuito serve a ricaricare le 8 stilo ricaricabili, e per alimentare da batteria (se manca corrente) una striscia LED da 12V/23W?
[prima di continuare ti faccio notare che le ricaricabili sono da 1.2V e che una serie di 8 arriva a 9.6V, che non è quanto ti aspettavi credo]
E il problema è che le stilo si scaricano subito quando devono alimentare i LED?
Allora devi definire quanto vale il tuo "subito", perche' una stilo sana da 2000mAh credo che in massimo un'oretta è normle che sia completamente esausta con quella striscia LED.
tutto il circuito serve a ricaricare le 8 stilo ricaricabili, e per alimentare da batteria (se manca corrente) una striscia LED da 12V/23W?
[prima di continuare ti faccio notare che le ricaricabili sono da 1.2V e che una serie di 8 arriva a 9.6V, che non è quanto ti aspettavi credo]
E il problema è che le stilo si scaricano subito quando devono alimentare i LED?
Allora devi definire quanto vale il tuo "subito", perche' una stilo sana da 2000mAh credo che in massimo un'oretta è normle che sia completamente esausta con quella striscia LED.
38 messaggi
• Pagina 2 di 4 • 1, 2, 3, 4
Chi c’è in linea
Visitano il forum: Nessuno e 41 ospiti

Elettrotecnica e non solo (admin)
Un gatto tra gli elettroni (IsidoroKZ)
Esperienza e simulazioni (g.schgor)
Moleskine di un idraulico (RenzoDF)
Il Blog di ElectroYou (webmaster)
Idee microcontrollate (TardoFreak)
PICcoli grandi PICMicro (Paolino)
Il blog elettrico di carloc (carloc)
DirtEYblooog (dirtydeeds)
Di tutto... un po' (jordan20)
AK47 (lillo)
Esperienze elettroniche (marco438)
Telecomunicazioni musicali (clavicordo)
Automazione ed Elettronica (gustavo)
Direttive per la sicurezza (ErnestoCappelletti)
EYnfo dall'Alaska (mir)
Apriamo il quadro! (attilio)
H7-25 (asdf)
Passione Elettrica (massimob)
Elettroni a spasso (guidob)
Bloguerra (guerra)


