Ciao a tutti,
sto costruendo una console per un videogioco e sto avendo qualche difficoltà con un componente. Vi spiego meglio il mio progetto: Il gioco normalmente richiederebbe di usare la tastiera, ma risulta scomodo. così ho comprato una tastiera USB e l'ho smontata per interfacciarmi direttamente col cip e collegarci dei tasti da collocare su un pannello di PVC.
Macchinoso direte, ma funziona tutto. quando schiaccio il mio interruttore a bottone il PC rileva correttamente la chiusura del tasto che voglio io e lo legge come se premessi la tastiera.
Il problema mi viene dal fatto di voler collegare un joystick di arduino ( in allegato ) a questo sistema ( per i comandi di visuale ), collegandolo ai 4 tasti corrispondendi alle 4 frecciette della tastiera.
C'è un modo per generare 4 segnali dal joystick senza collegarlo al relativo arduino? Che tipo di risposta mi dovrebbe dare il joystick una volta alimentato?
So che sono due potenziometri... ma non ho idea di come gestirli per fare quello che voglio.
Grazie dell'aiuto =)
da Joystick arduino a segnale per 4 tasti
Moderatori:
carloc,
g.schgor,
BrunoValente,
IsidoroKZ
21 messaggi
• Pagina 1 di 3 • 1, 2, 3
0
voti
in effetti quel componente non è semplicemente per Arduino, dovrebbe integrare sostanzialmente solo 2 resistenze fariabili (una per ogni asse)
Come vedi è alimentato da Vcc e GND, il piedino VERT in posizione di riposo rileverà una tensione Vcc/2, quando sei completamente in alto e completamente in basso rileverà Vcc e GND.
In pratica puoi distinguere le 3 condizioni con delle soglie a 1/3 Vcc e 2/3 Vcc.
(Idem per HORZ che gestisce l'altra componente)
Se ti serva uno schema per trasformare questo in un impulso come se provenisse dalla tastiera credo tu possa farlo banalmente con un comparatore.
Ad es com lo schema sotto hai un partitore a 3 resistenze uguali che ti da' il riferimento per le 2 soglie, quando l'ingresso supera 2/3Vcc fa' commutare il comparatore che passerà da GND a Vcc, come se in pratica tu avessi premuto il pulsante "freccia in alto"
puoi ripetere il confronto con la soglia 1/3 Vcc per il segnale della "freccia in basso"... e poi tutto uguale per le freccie orizzontali.
non so se è quello che ti serve, fammi sapere.
Come vedi è alimentato da Vcc e GND, il piedino VERT in posizione di riposo rileverà una tensione Vcc/2, quando sei completamente in alto e completamente in basso rileverà Vcc e GND.
In pratica puoi distinguere le 3 condizioni con delle soglie a 1/3 Vcc e 2/3 Vcc.
(Idem per HORZ che gestisce l'altra componente)
Se ti serva uno schema per trasformare questo in un impulso come se provenisse dalla tastiera credo tu possa farlo banalmente con un comparatore.
Ad es com lo schema sotto hai un partitore a 3 resistenze uguali che ti da' il riferimento per le 2 soglie, quando l'ingresso supera 2/3Vcc fa' commutare il comparatore che passerà da GND a Vcc, come se in pratica tu avessi premuto il pulsante "freccia in alto"
puoi ripetere il confronto con la soglia 1/3 Vcc per il segnale della "freccia in basso"... e poi tutto uguale per le freccie orizzontali.
non so se è quello che ti serve, fammi sapere.
0
voti
Carlofiori91 ha scritto:Ciao a tutti,
C'è un modo per generare 4 segnali dal joystick senza collegarlo al relativo arduino? Che tipo di risposta mi dovrebbe dare il joystick una volta alimentato?
So che sono due potenziometri... ma non ho idea di come gestirli per fare quello che voglio.
Grazie dell'aiuto =)
Ciao, anche io sto utilizzando un joystick identico al tuo, ed ho risolto con 4 comparatori (2 per ogni asse) come ha indicato anche
Utilizzare 4 comparatori è di sicuro la soluzione più comoda, e anche meno ingombrante.
0
voti
Grazie delle risposte.
Purtroppo sono davvero poco esperto di elettronica, il mio campo di studi e tutt'altro...
Mi potreste indicare le caratteristiche di questi comparatori e lo schema? Io non conosco neanche i valori di resistenza del componente...
Ora che guardo sul mio componente ho:
-GND che dovrebbe essere la massa
-+5V l'alimentazione
- VRx
- VRy
- SW, che in effetti non so cosa sia.
Purtroppo sono davvero poco esperto di elettronica, il mio campo di studi e tutt'altro...
Mi potreste indicare le caratteristiche di questi comparatori e lo schema? Io non conosco neanche i valori di resistenza del componente...
Ora che guardo sul mio componente ho:
-GND che dovrebbe essere la massa
-+5V l'alimentazione
- VRx
- VRy
- SW, che in effetti non so cosa sia.
-

Carlofiori91
5 2 - Messaggi: 16
- Iscritto il: 1 mar 2015, 10:48
0
voti
Carlofiori91 ha scritto: SW, che in effetti non so cosa sia.
quello è associato alla pressione del joystick stesso, in pratica si comporta come un interruttore
Carlofiori91 ha scritto:Io non conosco neanche i valori di resistenza del componente
hai un multimetro?
0
voti
c'è l'ho, ma temo che sia scassato...
L ho dimenticato acceso e non funziona più... =(
L ho dimenticato acceso e non funziona più... =(
-

Carlofiori91
5 2 - Messaggi: 16
- Iscritto il: 1 mar 2015, 10:48
0
voti
comunque le 3 resistenze del circuito disegnato sopra puoi metterle tutte ad es da 10KOhm
poi i 4 comparatori che ti servono per gestire le soglie a regola puoi trovarli all'interno di un unico integrato
ad es MAX944, sembra sia quello che ti serve (alimentazione singola a 3 - 5V):
http://datasheets.maximintegrated.com/en/ds/MAX941-MAX944.pdf
comunque sarebbe interessante sapere la soluzione pratica adottata anche da
StefDrums
poi i 4 comparatori che ti servono per gestire le soglie a regola puoi trovarli all'interno di un unico integrato
ad es MAX944, sembra sia quello che ti serve (alimentazione singola a 3 - 5V):
http://datasheets.maximintegrated.com/en/ds/MAX941-MAX944.pdf
comunque sarebbe interessante sapere la soluzione pratica adottata anche da
0
voti
Russell ha scritto:comunque le 3 resistenze del circuito disegnato sopra puoi metterle tutte ad es da 10KOhm
poi i 4 comparatori che ti servono per gestire le soglie a regola puoi trovarli all'interno di un unico integrato
ad es MAX944, sembra sia quello che ti serve (alimentazione singola a 3 - 5 V):
http://datasheets.maximintegrated.com/en/ds/MAX941-MAX944.pdf
comunque sarebbe interessante sapere la soluzione pratica adottata anche daStefDrums
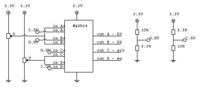
Ecco, io ho proprio utilizzato un comparatore simile a quello indicato da te!
Il circuito è molto semplice: tramite le resistenze da 3,3K e 10K si imposta la soglia oltre la quale, muovendo il joystick, il rispettivo "output" del comparatore andrà a livello logico alto.
In questo modo il comparatore ha soglie simmetriche (circa 0,8V e 2,5V) e i componenti hanno valori standard.
ciao!
0
voti
ok ottimo
mi hai fatto venire in mente che potrebbe essere interessante un circuito antirimbalzo per non avere troppi problemi durante la manovra del joystick
si puo' procedere come in figura, il valore del condensatore e resistenzina aggiuntiva possono essere ad esempio da 1uF e 100KOhm per una costante tempo (smorzante dei rimbalzi) di circa 0.1sec ... non credo sia un problema con gli eventuali ritardi indotti.
mi hai fatto venire in mente che potrebbe essere interessante un circuito antirimbalzo per non avere troppi problemi durante la manovra del joystick
si puo' procedere come in figura, il valore del condensatore e resistenzina aggiuntiva possono essere ad esempio da 1uF e 100KOhm per una costante tempo (smorzante dei rimbalzi) di circa 0.1sec ... non credo sia un problema con gli eventuali ritardi indotti.
0
voti
Carlofiori91 ha scritto:c'è l'ho, ma temo che sia scassato...
L ho dimenticato acceso e non funziona più... =(

"Non farei mai parte di un club che accettasse la mia iscrizione" (G. Marx)
-

claudiocedrone
21,3k 4 7 9 - Master EY

- Messaggi: 15302
- Iscritto il: 18 gen 2012, 13:36
21 messaggi
• Pagina 1 di 3 • 1, 2, 3
Chi c’è in linea
Visitano il forum: Nessuno e 351 ospiti

Elettrotecnica e non solo (admin)
Un gatto tra gli elettroni (IsidoroKZ)
Esperienza e simulazioni (g.schgor)
Moleskine di un idraulico (RenzoDF)
Il Blog di ElectroYou (webmaster)
Idee microcontrollate (TardoFreak)
PICcoli grandi PICMicro (Paolino)
Il blog elettrico di carloc (carloc)
DirtEYblooog (dirtydeeds)
Di tutto... un po' (jordan20)
AK47 (lillo)
Esperienze elettroniche (marco438)
Telecomunicazioni musicali (clavicordo)
Automazione ed Elettronica (gustavo)
Direttive per la sicurezza (ErnestoCappelletti)
EYnfo dall'Alaska (mir)
Apriamo il quadro! (attilio)
H7-25 (asdf)
Passione Elettrica (massimob)
Elettroni a spasso (guidob)
Bloguerra (guerra)





