Buonasera a tutti, ci ho provato, ma non ne vengo fuori: sto costruendo di sana pianta una torcia video (che se acquistate "costruite" costano anche qualche migliaia di €) per la subacquea. Dopo che il test dello switch on-off con cappuccio in plastica ha fatto acqua ho deciso di utilizzare uno switch reed che a malincuore non pilotano la potenza che mi serve.
Attualmente sono in possesso del seguente materiale:
-led da "3000lm" (bah)
-batterie 26650 3.7v X 3 (che pensavo di collegare in serie)
- driver led meanwell ldd-1500l (che forse non è stata scelta saggia, ma ormai li butto?) (specifiche)
ebbene a questo punto pensavo di assemblare il tutto su una millefori ma mi manca qualcosa in mezzo tra il reed (che devo ancora acquistare) e il resto dei driver.
per quanto ne so io credo che mi serva un transistor..ma quale? 1 oppure 3 transistor (ogni driver ha il suo?)
servono qualche altro componente per il circuito immagino es resistenze o ....
sapete aiutarmi?
grazie per chi si prodigherà
ciaoo mattia
costruire una nuova torcia sub
Moderatori:
carloc,
g.schgor,
BrunoValente,
IsidoroKZ
39 messaggi
• Pagina 1 di 4 • 1, 2, 3, 4
0
voti
0
voti
Se ti interessa, dato che devo cercarla tra i miei acquisti storici di ebay, ti indico una resina trasparente per impermeabilizzare il fronte dei led.
Con il relay-reed pensi di usare un magnete esterno per attivare il circuito quando allontani il magnete?
Con il relay-reed pensi di usare un magnete esterno per attivare il circuito quando allontani il magnete?
0
voti
Per i led non ho problemi, mio fratello provvederà a tornire un cilindro in alluminio e i componenti interni li metterò assieme con una struttura stampata in 3d..quindi la resina non mi serve grazie (bene a sapersi).. per il reed si utilizzerò un magnete esterno, quando avvicino chiude il circuito e fa partire tutto, almeno questa è l'idea..
0
voti
speravo di saperlo da voi che tipo di transistor usare..
leggevo su wikipedia una caduta di tensione doppia e alta dissipazione tradotta in calore..considerando che siamo in un ambiente chiuso e che utilizzo batterie..più risparmio in termini di corrente meglio è..
è la soluzione ideale? mi suggerisci questo? sono più o meno ininfluenti questi contro che ho letto?
grazie per l'info..
ciaoo
leggevo su wikipedia una caduta di tensione doppia e alta dissipazione tradotta in calore..considerando che siamo in un ambiente chiuso e che utilizzo batterie..più risparmio in termini di corrente meglio è..
è la soluzione ideale? mi suggerisci questo? sono più o meno ininfluenti questi contro che ho letto?
grazie per l'info..
ciaoo
0
voti
I convertitori che hai scelto hanno un ingresso di accensione/spegnimento.
Ti dovrebbe bastare un solo transistore piccolino, ad esempio BS170 o 2N7000 per tirare giu` gli ingressi e spegnere i convertitori.
Il reed e` normalmente aperto (senza magnete): in quelle condizioni vuoi la lampada accesa o spenta?
Ti dovrebbe bastare un solo transistore piccolino, ad esempio BS170 o 2N7000 per tirare giu` gli ingressi e spegnere i convertitori.
Il reed e` normalmente aperto (senza magnete): in quelle condizioni vuoi la lampada accesa o spenta?
Per usare proficuamente un simulatore, bisogna sapere molta più elettronica di lui
Plug it in - it works better!
Il 555 sta all'elettronica come Arduino all'informatica! (entrambi loro malgrado)
Se volete risposte rispondete a tutte le mie domande
Plug it in - it works better!
Il 555 sta all'elettronica come Arduino all'informatica! (entrambi loro malgrado)
Se volete risposte rispondete a tutte le mie domande
0
voti
vorrei che si accendesse con il magnete vicino (cosi che nel trasporto se si muove qualcosa non si accende se il magnete si allontana)..
quindi con un BS170 (o l'altro) con il reed attaccato alla base e con l'emettitore in tutti gli ingressi PWM dei ldd dovrebbe funzionare tutto?
mi serve una resistenza nella base del transistor? (tipo da avere un partitore? ho detto una cazzata?)
grazie
quindi con un BS170 (o l'altro) con il reed attaccato alla base e con l'emettitore in tutti gli ingressi PWM dei ldd dovrebbe funzionare tutto?
mi serve una resistenza nella base del transistor? (tipo da avere un partitore? ho detto una cazzata?)
grazie
0
voti
daflanck ha scritto:un BS170
Ho avuto brutte esperienze in passato con il BS170, troppo delicato, basta poco e non arrivi nemmeno a saldarlo...
L'altro non lo conosco, magari è più resistente...

http://millefori.altervista.org
Tool gratuito per chi sviluppa su millefori.
Tutti sanno che una cosa è impossibile da realizzare, finché arriva uno sprovveduto che non lo sa e la inventa. (A. Einstein)
Se non c'e` un 555 non e` un buon progetto (IsidoroKZ)
Strumento per formule
Tool gratuito per chi sviluppa su millefori.
Tutti sanno che una cosa è impossibile da realizzare, finché arriva uno sprovveduto che non lo sa e la inventa. (A. Einstein)
Se non c'e` un 555 non e` un buon progetto (IsidoroKZ)
Strumento per formule
-

posta10100
5.550 4 10 13 - Master EY

- Messaggi: 4832
- Iscritto il: 5 nov 2006, 0:09
0
voti
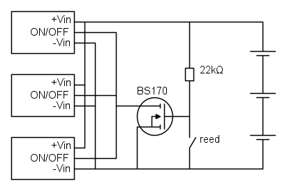
Questo potrebbe essere lo schema.
Molto probabilmente fra positivo e negativo dell'ingresso serve un buon condensatore, magari ceramico da un paio di microfarad, dipende da cosa c'e` dentro al convertitore, forse sul data sheet c'e` scritto.
Quando avvicini la calamita si accendono i led.
Per usare proficuamente un simulatore, bisogna sapere molta più elettronica di lui
Plug it in - it works better!
Il 555 sta all'elettronica come Arduino all'informatica! (entrambi loro malgrado)
Se volete risposte rispondete a tutte le mie domande
Plug it in - it works better!
Il 555 sta all'elettronica come Arduino all'informatica! (entrambi loro malgrado)
Se volete risposte rispondete a tutte le mie domande
0
voti
IsidoroKZ ha scritto:posta10100 il BS170 lo ha trovato delicato per il case o dal pundo di vista elettrico?
Ho avuto un sacco di problemi col gate, se tocchi i terminali con le dita mentre lo monti poi diventa impossibile spegnerlo.
Ma forse era solo una partita difettosa... io però da quel giorno non ne ho più voluto vedere uno nemmeno dipinto!

http://millefori.altervista.org
Tool gratuito per chi sviluppa su millefori.
Tutti sanno che una cosa è impossibile da realizzare, finché arriva uno sprovveduto che non lo sa e la inventa. (A. Einstein)
Se non c'e` un 555 non e` un buon progetto (IsidoroKZ)
Strumento per formule
Tool gratuito per chi sviluppa su millefori.
Tutti sanno che una cosa è impossibile da realizzare, finché arriva uno sprovveduto che non lo sa e la inventa. (A. Einstein)
Se non c'e` un 555 non e` un buon progetto (IsidoroKZ)
Strumento per formule
-

posta10100
5.550 4 10 13 - Master EY

- Messaggi: 4832
- Iscritto il: 5 nov 2006, 0:09
39 messaggi
• Pagina 1 di 4 • 1, 2, 3, 4
Chi c’è in linea
Visitano il forum: Nessuno e 58 ospiti

Elettrotecnica e non solo (admin)
Un gatto tra gli elettroni (IsidoroKZ)
Esperienza e simulazioni (g.schgor)
Moleskine di un idraulico (RenzoDF)
Il Blog di ElectroYou (webmaster)
Idee microcontrollate (TardoFreak)
PICcoli grandi PICMicro (Paolino)
Il blog elettrico di carloc (carloc)
DirtEYblooog (dirtydeeds)
Di tutto... un po' (jordan20)
AK47 (lillo)
Esperienze elettroniche (marco438)
Telecomunicazioni musicali (clavicordo)
Automazione ed Elettronica (gustavo)
Direttive per la sicurezza (ErnestoCappelletti)
EYnfo dall'Alaska (mir)
Apriamo il quadro! (attilio)
H7-25 (asdf)
Passione Elettrica (massimob)
Elettroni a spasso (guidob)
Bloguerra (guerra)




