Salve a tutti,
sto cercando di costruire un automatismo per finestra battente.
E' composto da un alimentatore in CC che eroga 6v ed un ponte H, pilotato da raspberry, per invertire la polarità.
Uso un motoriduttore da 6v che in condizione normali assorbe 20 mA.
Ecco la domanda:
Vorrei inserire un dispositivo di finecorsa elettronico che rileva lo sforzo del motore ed in caso interrompa la tensione per 5 secondi.
Potrei utilizzare degli switch meccanici ma non rileverei eventuali ostacoli.
Avevo pensato quindi ad un circuito che interviene se la corrente assorbita dal motore supera una certa soglia.
Se fosse possibile vorrei che tale soglia sia regolabile con un trimmer in un range di 20mA => 1A (questo perché in futuro vorrei applicare lo stesso principio alle persiane e avrò bisogno di un motore più potente).
Ho cercato schemi pratici su internet senza successo.
Sono un informatico con qualche nozione di elettronica.
Potreste indicarmi uno schema?
Grazie
saluti
luca
Finecorsa elettronico per motoriduttore
Moderatori:
carloc,
g.schgor,
BrunoValente,
IsidoroKZ
11 messaggi
• Pagina 1 di 2 • 1, 2
0
voti
0
voti
l'idea di fondo proposta in questo link sembra in linea con le tue necessità
http://www.romanblack.com/current.htm
http://www.romanblack.com/current.htm
0
voti
potrebbe bastare un microfusibile autoripristinante o usare un encoder per sapere se c'è movimento (dell'albero motore o di altre parti coinvolte
E l’uomo si addormentò e nel sogno creò il mondo
1
voti
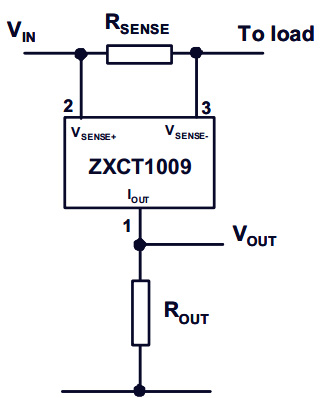
Potresti anche usare un monitor di corrente, ce ne sono vari modelli. Uno che ho utilizzato in più occasioni funziona bene e costa poco è lo ZXCT1009. E' un monitor di corrente high side, converte la corrente assorbita dal carico in un livello di tensione che puoi leggere direttamente da un qualsiasi ingresso analogico. Per settarlo bastano un paio di resistenze e funziona con tensioni comprese tra i 2,5 e i 20V.
Puoi trovarlo su RS, Farnell, Mouser etc. etc..
Puoi trovarlo su RS, Farnell, Mouser etc. etc..
0
voti
Grazie Russel, lo schema che hai postato è proprio quello che cercavo.
Purtroppo però vedo che le resistenze con i valori che mi occorrono (0,5 0,1 Ohm etc ) non sono facilmente reperibili.
Potreste indicarmi uno schema per utilizzare lo ZXCT1009 indicato da Davidee?
Ancora grazie
luca
Purtroppo però vedo che le resistenze con i valori che mi occorrono (0,5 0,1 Ohm etc ) non sono facilmente reperibili.
Potreste indicarmi uno schema per utilizzare lo ZXCT1009 indicato da Davidee?
Ancora grazie
luca
0
voti
Lo schema è sul datasheet che ti ho postato:
a Vin colleghi il positivo di alimentazione e a To load il positivo del motore, prima di entrare nel ponte ad H.
Le formule per calcolare Rsense e Rout le trovi sul datasheet.
Comunque servono delle resistenze di basso valore sia con la soluzione che ti ha indicato
Russel che con lo ZXCT1009. Non so dove le hai cercate ma non sono difficili da trovare, dovrebbero averle anche in un qualsiasi negozio di elettronica.
Se posti lo schema di quello che stai facendo usando FidocadJ possiamo aiutarti modificandotelo direttamente.
a Vin colleghi il positivo di alimentazione e a To load il positivo del motore, prima di entrare nel ponte ad H.
Le formule per calcolare Rsense e Rout le trovi sul datasheet.
Comunque servono delle resistenze di basso valore sia con la soluzione che ti ha indicato
Se posti lo schema di quello che stai facendo usando FidocadJ possiamo aiutarti modificandotelo direttamente.
0
voti
eolina ha scritto:Purtroppo però vedo che le resistenze con i valori che mi occorrono (0,5 0,1 Ohm etc ) non sono facilmente reperibili.
Tranquillo, se proprio non le trovi nel negozietto di fiducia, con pochi euro un cinesino te li porta a casa.
Attenzione magari alle correnti in gioco, scegliele della potenza giusta
http://www.aliexpress.com/item/2-pcs-lot-0-5-ohm-1-Metal-Film-Resistors-3W-3-Watts/2018955276.html
0
voti
Risolto con le resistenze, ne metterò 2 o più in parallelo per ottenere il valore desiderato.
Nello schema postato da Russell, C1 è un condensatore elettrolitico oppure un normale condensatore al poliestere?
Saluti
luca
Nello schema postato da Russell, C1 è un condensatore elettrolitico oppure un normale condensatore al poliestere?
Saluti
luca
0
voti
C1 in pratica fa parte di filtro passabasso RC presente all'ingresso per stabilizzare la tensione della base del transistor.
Non deve fare particolari sforzi ... metterei probabilmente un elettrolitico
Non deve fare particolari sforzi ... metterei probabilmente un elettrolitico
0
voti
Perfetto, grazie 1000
Ho ordinato i componenti vi aggiorno non appena provo tutto
Ciao
luca
Ho ordinato i componenti vi aggiorno non appena provo tutto
Ciao
luca
11 messaggi
• Pagina 1 di 2 • 1, 2
Chi c’è in linea
Visitano il forum: Nessuno e 44 ospiti

Elettrotecnica e non solo (admin)
Un gatto tra gli elettroni (IsidoroKZ)
Esperienza e simulazioni (g.schgor)
Moleskine di un idraulico (RenzoDF)
Il Blog di ElectroYou (webmaster)
Idee microcontrollate (TardoFreak)
PICcoli grandi PICMicro (Paolino)
Il blog elettrico di carloc (carloc)
DirtEYblooog (dirtydeeds)
Di tutto... un po' (jordan20)
AK47 (lillo)
Esperienze elettroniche (marco438)
Telecomunicazioni musicali (clavicordo)
Automazione ed Elettronica (gustavo)
Direttive per la sicurezza (ErnestoCappelletti)
EYnfo dall'Alaska (mir)
Apriamo il quadro! (attilio)
H7-25 (asdf)
Passione Elettrica (massimob)
Elettroni a spasso (guidob)
Bloguerra (guerra)





