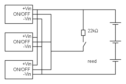
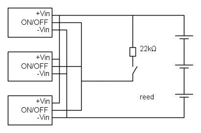
IsidoroKZ ha scritto:Mettere il reed direttamente in serie alle batterie deve tenere troppa corrente.
Hai perfettamente ragione, mi era sfuggito questo importante particolare.
Moderatori:
carloc,
g.schgor,
BrunoValente,
IsidoroKZ
IsidoroKZ ha scritto:Mettere il reed direttamente in serie alle batterie deve tenere troppa corrente.


IsidoroKZ ha scritto:
Dato che i moduli hanno un comando ON/OFF e che in OFF consumano in tutto 3mA, con batterie dichiarate da oltre 5000mAh, si ha una scarica in circa 2000h, che direi che possa essere accettabile. Entro quel tempo bisogna ricaricare le batterie e tenerle cariche.
Visitano il forum: Google Adsense [Bot] e 55 ospiti