Saluti a tutti,
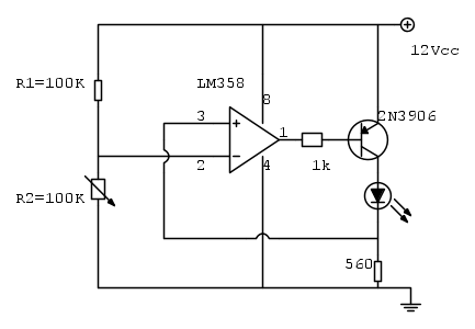
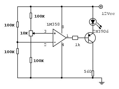
sto cercando di fare un po di pratica per cercare di capire come funziona un opamp (LM358) in configurazione di comparatore di tensione. Vedi circuito riportato di seguito. Il + dello schema è il 12Vcc di un alimentaore.
Ho collegato il piedino 2 a GND ed il piedino 3 al GND prima e al 12Vcc dopo ed dal piedino 1 ho misurato sempre + 10,5V.
Quando ho collegato sia il 2 che il 3 al 12V ho bruciato LM358.
Qualcuno riuscirebbe a spiegarmi perché?
Vi ringrazio in anticipo!
LM358P in pratica
Moderatori:
carloc,
g.schgor,
BrunoValente,
IsidoroKZ
20 messaggi
• Pagina 1 di 2 • 1, 2
2
voti
Prima di applicare tensione, bisogna sapere cosa si vuole ottenere.
Ad es. basta 1mV di differenza di tensione fra i pin 2 e 3 per
saturare (Vcc-1.5V) o interdire (+1.5V) l'uscita dell'operazionale.
Che senso ha mettere la stessa tensione sui due ingressi?
Ad es. basta 1mV di differenza di tensione fra i pin 2 e 3 per
saturare (Vcc-1.5V) o interdire (+1.5V) l'uscita dell'operazionale.
Che senso ha mettere la stessa tensione sui due ingressi?
0
voti
Se vai a leggerti i dati tecnici scoprirai che: "Input common mode voltage range : VCC+ -1.5V".
Ovvero che non puoi collegare ambedue gli ingressi a Vcc.
Anche se questo evento non dovrebbe provocare il danneggiamento del componente ma solo uno stato dell'uscita indeterminato.
Bye
Ser.Tom
Ovvero che non puoi collegare ambedue gli ingressi a Vcc.
Anche se questo evento non dovrebbe provocare il danneggiamento del componente ma solo uno stato dell'uscita indeterminato.
Bye
Ser.Tom1
voti
Grazie a tutti per le vostre risposte.
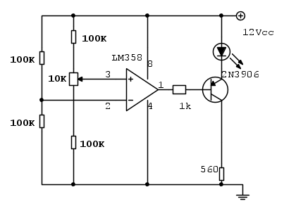
Cercando di capire l'uso dell'opamp come comparatore di tensione ho aggiornato il circuito
Variando la resistenza R2, l'uscita 1 su LM358 si modifica per annulare la differenza tra la tensione su pin 3 e pin 2.
Il circuito sembra funzionare, ma misurando le tensioni su 2 e 3 noto che la differenza è di circa 50mV, molto superiore a 1mV.
Quale dovrebbe essere la differenza di tensione corretta? C'è ancore qualcosa che non va nel circuito?
Vi ringrazio in anticipo.
Saluti
Cercando di capire l'uso dell'opamp come comparatore di tensione ho aggiornato il circuito
Variando la resistenza R2, l'uscita 1 su LM358 si modifica per annulare la differenza tra la tensione su pin 3 e pin 2.
Il circuito sembra funzionare, ma misurando le tensioni su 2 e 3 noto che la differenza è di circa 50mV, molto superiore a 1mV.
Quale dovrebbe essere la differenza di tensione corretta? C'è ancore qualcosa che non va nel circuito?
Vi ringrazio in anticipo.
Saluti
-

scipiusbarbatus
35 3 - Messaggi: 38
- Iscritto il: 21 lug 2012, 18:12
0
voti
in questo modo lo stai usando sostanzialmente come un comparatore rispetto ad un valore di riferimento ... che pero' non è costante, ma che puo' variare rispetto all'uscita dell'operazione stesso
si, ok, ma non ti aspettare che ti venga sempre dietro pari pari come un cagnolino... in certe condizioni è normale che prenda un po' le distanze.
l'analisi del circuito a questo punto è piuttosto complesso, e non vale tanto la pena studiarlo: dovresti attenerti maggiormente agli schemi base
http://it.wikipedia.org/wiki/Amplificatore_operazionale#Configurazioni_di_base
magari approfondendo la sezioni filtri, derivatore, integratore, buffer, comparatore, ecc
tutti circuiti di cui si conosce bene il comportamento ... riciclabilissimi anche per le applicazioni 'homemade'
sempre che tu non abbia uno scopo preciso, e non ti interessi raggiungere un particolare obiettivo... in tal caso dillo pure che vediamo
scipiusbarbatus ha scritto:Variando la resistenza R2, l'uscita 1 su LM358 si modifica per annulare la differenza tra la tensione su pin 3 e pin 2.
si, ok, ma non ti aspettare che ti venga sempre dietro pari pari come un cagnolino... in certe condizioni è normale che prenda un po' le distanze.
l'analisi del circuito a questo punto è piuttosto complesso, e non vale tanto la pena studiarlo: dovresti attenerti maggiormente agli schemi base
http://it.wikipedia.org/wiki/Amplificatore_operazionale#Configurazioni_di_base
magari approfondendo la sezioni filtri, derivatore, integratore, buffer, comparatore, ecc
tutti circuiti di cui si conosce bene il comportamento ... riciclabilissimi anche per le applicazioni 'homemade'
sempre che tu non abbia uno scopo preciso, e non ti interessi raggiungere un particolare obiettivo... in tal caso dillo pure che vediamo
1
voti
scipiusbarbatus ha scritto:..Quando ho collegato sia il 2 che il 3 al 12 V ho bruciato LM358.
Qualcuno riuscirebbe a spiegarmi perché?
collegando entrambi gli ingressi al + non si dovrebbe bruciare.
-

BrunoValente
39,6k 7 11 13 - G.Master EY

- Messaggi: 7796
- Iscritto il: 8 mag 2007, 14:48
1
voti
Riferendomi al primo circuito riportato, ho collegato prima il 2 a 12V e 3 a GND, poi il 2 a 12V e 3 a 12V, ho sentito odore di circuito bruciato LM358 era molto caldo al tatto.
Poteva essere già bruciato prima e non me ne sono accorto?
Riferendomi al circuito che ho riportato oggi, è quindi corretto vedere differenze di tensione di circa 50mV (ho notato anche punte di 100mV per alcuni valori di R2)?
Grazie, ciao a tutti
Poteva essere già bruciato prima e non me ne sono accorto?
Riferendomi al circuito che ho riportato oggi, è quindi corretto vedere differenze di tensione di circa 50mV (ho notato anche punte di 100mV per alcuni valori di R2)?
Grazie, ciao a tutti

-

scipiusbarbatus
35 3 - Messaggi: 38
- Iscritto il: 21 lug 2012, 18:12
3
voti
In un circuito non si possono mettere gli elemento a casaccio
e poi pretendere che funzioni.
Prova così:
e poi pretendere che funzioni.
Prova così:
20 messaggi
• Pagina 1 di 2 • 1, 2
Chi c’è in linea
Visitano il forum: Nessuno e 177 ospiti

Elettrotecnica e non solo (admin)
Un gatto tra gli elettroni (IsidoroKZ)
Esperienza e simulazioni (g.schgor)
Moleskine di un idraulico (RenzoDF)
Il Blog di ElectroYou (webmaster)
Idee microcontrollate (TardoFreak)
PICcoli grandi PICMicro (Paolino)
Il blog elettrico di carloc (carloc)
DirtEYblooog (dirtydeeds)
Di tutto... un po' (jordan20)
AK47 (lillo)
Esperienze elettroniche (marco438)
Telecomunicazioni musicali (clavicordo)
Automazione ed Elettronica (gustavo)
Direttive per la sicurezza (ErnestoCappelletti)
EYnfo dall'Alaska (mir)
Apriamo il quadro! (attilio)
H7-25 (asdf)
Passione Elettrica (massimob)
Elettroni a spasso (guidob)
Bloguerra (guerra)






