I microfoni della protesi dovrebbero captare oltre ai suoni ambientali anche la voce dell'utente.
Quindi penso che si potrebbero utilizzare per inviare la voce dell'utente al telefono, senza dover estrarre il telefono dalla tasca, come si fa con i normali auricolari con microfono.
Però ripeto non uso gli auricolari, ho solo visto gente usarli e tenere il telefono in tasca.
Ah, un'idea che mi è venuta ieri è usare la batteria del telefono anche per la protesi. Bisognerebbe verificare se dalla micro USB del telefono si riesce ad ottenere una tensione di alimentazione. Così si risparmierebbero la batteria al litio e tutto il circuito di carica, al prezzo di doversi portare dietro sempre lo smartphone, ma ormai lo fanno tutti.
Ma ho dei dubbi che la micro USB di uno smartphone possa fornire tensione a dispositivi esterni, bisognerebbe vedere se è documentato.
Protesi auricolare stereo rivisitata
Moderatore:
brabus
0
voti
Big fan of ⋮ƎlectroYou! Ausili per disabili e anziani su ⋮ƎlectroYou
Caratteri utili: À È É Ì Ò Ó Ù α β γ δ ε η θ λ μ π ρ σ τ φ ω Ω º ª ² ³ √ ∛ ∜ ₀ ₁ ₂ ₃ ₄ ₅ ₆ ∃ ∄ ∆ ∈ ∉ ± ∓ ∾ ≃ ≈ ≠ ≤ ≥
Caratteri utili: À È É Ì Ò Ó Ù α β γ δ ε η θ λ μ π ρ σ τ φ ω Ω º ª ² ³ √ ∛ ∜ ₀ ₁ ₂ ₃ ₄ ₅ ₆ ∃ ∄ ∆ ∈ ∉ ± ∓ ∾ ≃ ≈ ≠ ≤ ≥
5
voti
Nel frattempo ho provato a sperimentare per conto mio le varie apps per hearing aid che sfruttano il microfono e le cuffie per il cellulare: semplicemente penose, tutte quante, perché, allo scopo (penso) di evitare effetti larsen, prima registrano e poi inviano il segnale all'auricolare che, se vicini come negli headset a cavo, danno origine a un fastidiosissimo effetto eco. In ogni caso TUTTE hanno una latenza semplicemente inaccettabile (anche un buon secondo che, se l'aiuto acustico viene usato per andare in strada, può costituire tranquillamente la differenza tra il reagire in tempo per non finire sotto una macchina e il finirci senza neppure accorgersi da dove arriva).
Questo e altro rende ancora (purtroppo devo dire) indispensabile un aiuto acustico indipendente dal cellulare che agisca in tempo reale.
Preciso anche che, sebbene vada previsto, in caso di guasto a uno dei microfoni, la possibilità di mettere in mono gli ingressi da microfono, la stereofonia è INDISPENSABILE per la sicurezza di spostamento mentre si cammina in strada (appunto per capire la direzione di provenienza di possibili veicoli e pericoli).
Per ora è tutto!
Ciao
Piercarlo
Questo e altro rende ancora (purtroppo devo dire) indispensabile un aiuto acustico indipendente dal cellulare che agisca in tempo reale.
Preciso anche che, sebbene vada previsto, in caso di guasto a uno dei microfoni, la possibilità di mettere in mono gli ingressi da microfono, la stereofonia è INDISPENSABILE per la sicurezza di spostamento mentre si cammina in strada (appunto per capire la direzione di provenienza di possibili veicoli e pericoli).
Per ora è tutto!
Ciao
Piercarlo
1
voti
.GuidoB ha scritto: Ma ho dei dubbi che la micro USB di uno smartphone possa fornire tensione a dispositivi esterni, bisognerebbe vedere se è documentato.
La forniscono sicuramente le batterie esterne ausiliarie che, con la voracità degli smartphone attuali, sono praticamente obbligatorie non appena si allarghi un po' il giro da casa a posto di lavoro (e lo sono comunque se, come me, si usa il tablet come telefono e come lettore per libri). Comunque, se non si decide di fare un protesi "audiofila" a tubi e in classe A -
Ciao
Piercarlo
0
voti
Per quanto riguarda l'utilizzo degli auricolari sia per parlare al telefono che per ascoltare i suoni ambientali, non si possono fare le due cose in parallelo?
Nel senso che, supponiamo di avere due microfono per l'apparecchio acustico che captano i suoni da destra e a sinistra e li mandano agli auricolari della protesi. Quando arriva una chiamata non è possibile prelevare il segnale audo dal telefono e miscelarlo sui due auricolari in modo da sentire tutto, sia l'ambiente che la telefonata?
Per quanto riguarda l'alimentazione, ho pensato che si potrebbe vedere che integrati usano per ricaricare le batterie delle sigarette elettroniche, che sono al litio e si usa lo stesso dispositivo per caricare batterie di capacità diversa, da 300mAh in su fino o 1000mAh.
Nel senso che, supponiamo di avere due microfono per l'apparecchio acustico che captano i suoni da destra e a sinistra e li mandano agli auricolari della protesi. Quando arriva una chiamata non è possibile prelevare il segnale audo dal telefono e miscelarlo sui due auricolari in modo da sentire tutto, sia l'ambiente che la telefonata?
Per quanto riguarda l'alimentazione, ho pensato che si potrebbe vedere che integrati usano per ricaricare le batterie delle sigarette elettroniche, che sono al litio e si usa lo stesso dispositivo per caricare batterie di capacità diversa, da 300mAh in su fino o 1000mAh.
Atlant.
Behind every great man is a woman rolling her eyes.
Behind every great man is a woman rolling her eyes.
0
voti
spud ha scritto:Nel senso che, supponiamo di avere due microfono per l'apparecchio acustico che captano i suoni da destra e a sinistra e li mandano agli auricolari della protesi. Quando arriva una chiamata non è possibile prelevare il segnale audo dal telefono e miscelarlo sui due auricolari in modo da sentire tutto, sia l'ambiente che la telefonata?
Si è possibile farlo credo senza aggravare troppo il circuito, e se non ho mal capito è l'idea inizialmenta lanciata da
Non mi convince molto perché è una soluzione "telefono dipendente", cioè è difficile da rendere universale su dispositivi che usano un sistema di funzionamento (e/o cablaggio) diverso degli auricolari (vedi ad esempio tra dispositivi IOS e Android) per le possibili differenze di impedenza di uscita tra dispositivi.
Inoltre potrebbe capitare che mentre si passeggia per strada, magari anche in una situazione "difficile", arrivi un SMS o comunque che il telefono (che sia smart o meno) emetta un suono che in quel momento può in qualsiasi maniera distrarre la nostra attenzione.
Chiedo quindi a
spud ha scritto:..ho pensato che si potrebbe vedere che integrati usano per ricaricare le batterie delle sigarette elettroniche..
Io non fumo, tu hai modo e tempo di indagare su quanto dici? LA reputo molto interessante come indagine.
spud ha scritto:Ma ho dei dubbi che la micro USB di uno smartphone possa fornire tensione a dispositivi esterni..
Ci ho appena provato con il mio smartphone e non fornisce alcuna alimentazione, il che ci può anche stare perché è "lui" che necessita di riceve energia e non di fornirla. Non escludo però che tramite qualche particolare applicazione (e forse anche qualche modifica al kernel di Android) la cosa sia possibile (ammesso che l'hardware lo permetta) ma in ogni caso non la vedo una buona cosa.
Altra domanda per
Qualcuno di voi ha tempo di cercare batterie al litio singola cella con il terzo filo per il monitor della temperatura? (io l'ho fatto in qualche ritaglio di tempo ma ho trovato solo quelle a due fili)
1
voti
belva87 ha scritto:Io non fumo, tu hai modo e tempo di indagare su quanto dici?
Si, ne ho qualcuno per le mani e ne ho cannibalizzati un paio
So per certo che l'ingombro di questi circuitini è estremamente ridotto, lo sono altrettanto i consumi e prezzi.
Atlant.
Behind every great man is a woman rolling her eyes.
Behind every great man is a woman rolling her eyes.
0
voti
belva87 ha scritto:Non mi convince molto perché è una soluzione "telefono dipendente", cioè è difficile da rendere universale su dispositivi che usano un sistema di funzionamento (e/o cablaggio) diverso degli auricolari (vedi ad esempio tra dispositivi IOS e Android) per le possibili differenze di impedenza di uscita tra dispositivi.
Su questo non sono molto sapiente, però posso dirti che ho un nokia lumia (preso prima che diventassero microsoft) e uso spesso gli auricolari dell'ipod per ascoltare la musica e l'audio delle chiamate, inoltre ho usato più di una volta l'auricolare del telefono di mia sorella (un samsung con android di quelli stile piastrella) per parlare con il mio e viceversa, quindi credo che siano abbastanza standardizzati su questo aspetto.
La cosa di prendere l'alimentazione dal telefono non mi ispira molto, quella si che sarebbe molto telefono dipendente, secondo me sarebbe meglio disaccoppiare le due cose.
Atlant.
Behind every great man is a woman rolling her eyes.
Behind every great man is a woman rolling her eyes.
2
voti
Per la "dipendenza" da cellulare direi che sia il caso di minimizzarla il più possibile!
Poi l'ingresso per il cell dovrebbe secondo me essere tale da poter essere escluso proprio per evitare pericoli o distrazioni in situazione di potenziale pericolo (usando in questo caso un segnale luminoso al posto di quello sonoro).
Quanto alla capacità delle batterie, come ho già detto a Belva87 in privato, mi sono sempre andate bene da 1500 mAh in su per durare una settimana. Una maggior durata fa solo bene soprattutto se si vuole essere anche "caricatore indipendente" (utile per non avere rogne se si viaggia all'estero con prese, presine adattatori, soprattutto se il viaggio è solo di qualche giorno.
Inoltre, come già detto, l'ideale sarebbe caricare la batteria attraverso i caricatori USB per smartphone in modo da minimizzare il bagaglio in casi di viaggio.
Ciao
Piercarlo
Quanto alla capacità delle batterie, come ho già detto a Belva87 in privato, mi sono sempre andate bene da 1500 mAh in su per durare una settimana. Una maggior durata fa solo bene soprattutto se si vuole essere anche "caricatore indipendente" (utile per non avere rogne se si viaggia all'estero con prese, presine adattatori, soprattutto se il viaggio è solo di qualche giorno.
Inoltre, come già detto, l'ideale sarebbe caricare la batteria attraverso i caricatori USB per smartphone in modo da minimizzare il bagaglio in casi di viaggio.
Ciao
Piercarlo
0
voti
spud ha scritto:..appena riesco posto le sigle degli integrati che si usano sia per la ricarica che per la regolazione e rilevazione della scarica delle batterie.
Bene, ti ringrazio in anticipo, è un bell'aiuto!
spud ha scritto:..quindi credo che siano abbastanza standardizzati su questo aspetto.
Non lo so di preciso nemmeno io, però stando alla tua esperienza se funzionasse così anche con i dispositivi IOS ci si potrebbe pensare. Puoi indicarmi il modello del Nokia con cui hai fatto la prova, quello del Samsung di tua sorella e del tipo degli auricolari provati? (se originali o meno intendo).
Piercarlo ha scritto:Poi l'ingresso per il cell dovrebbe secondo me essere tale da poter essere escluso proprio per evitare pericoli o distrazioni in situazione di potenziale pericolo (usando in questo caso un segnale luminoso al posto di quello sonoro).
Si meglio poterlo escludere, non mi è chiaro però cosa intendi con il segnale luminoso al posto del sonoro.
Intendi, per esempio, far lampeggiare un led quando l'ingresso audio del telefonino è disabilitato?
Piercarlo ha scritto:Quanto alla capacità delle batterie, come ho già detto a [user]Belva8[/user]7 in privato, mi sono sempre andate bene da 1500 mAh in su per durare una settimana.
Me ne ero totalmente dimenticato, pardon
Direi quindi che una litio da 2700mAh o giù di lì dovrebbe essere più che sufficiente per almeno la stessa durata ma, senza fare calcoli, credo che se riusciamo a contenere i consumi di tutta "la fiera" si può guadagnare qualche giornata in più.
Se avete altro fatevi pure avanti, io intanto sto appuntando in brutta i vari punti emersi per stilare delle specifiche definitive (o semi-definitive) che poi condividerò qui con tutti voi per un "check" .. anche se per ora non sound.
1
voti
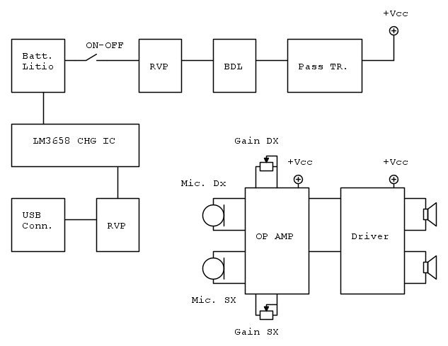
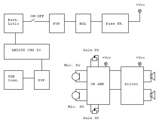
Dunque, per ora ho elaborato questo schema a blocchi.
Descrizione dei blocchi:
- RVP-Reverse Polarity Protection: evita che in caso di collegamento errato della batteria/alimentazione si danneggino i circuiti a valle
- CHG IC: ha il compito di caricare (linearmente) la batteria al litio. L'integrato riportato può anche essere variato, sto cercando qualcosa di più "agevole" sempre in SMD.
- BDL-Battery Detection Level: evita il funzionamento del circuito quando la tensione di batteria al litio è al di sotto della soglia minima di sicurezza.
- Pass. Transistor: abilita o meno il funzionamento della circuiteria successiva a seconda della tensione di batteria. (ed altri eventuali stati non voluti).
- OP AMP: amplifica il segnale proveniente dalle capsule microfoniche, regola il volume del canale destro e sinistro indistintamente.
- Driver: si fa carico di pilotare le cuffiette.
La tensione +Vcc non è regolata, difatti è la tensione di batteria.
Non è ancora compresa la circuiteria per il cellulare, non cel'ho ancora ben chiara in mente.
In particolare mi sfugge la questione microfono del telefono.
Voi avete qualche idea in mente?
Per ora è tutto, Luca.
Descrizione dei blocchi:
- RVP-Reverse Polarity Protection: evita che in caso di collegamento errato della batteria/alimentazione si danneggino i circuiti a valle
- CHG IC: ha il compito di caricare (linearmente) la batteria al litio. L'integrato riportato può anche essere variato, sto cercando qualcosa di più "agevole" sempre in SMD.
- BDL-Battery Detection Level: evita il funzionamento del circuito quando la tensione di batteria al litio è al di sotto della soglia minima di sicurezza.
- Pass. Transistor: abilita o meno il funzionamento della circuiteria successiva a seconda della tensione di batteria. (ed altri eventuali stati non voluti).
- OP AMP: amplifica il segnale proveniente dalle capsule microfoniche, regola il volume del canale destro e sinistro indistintamente.
- Driver: si fa carico di pilotare le cuffiette.
La tensione +Vcc non è regolata, difatti è la tensione di batteria.
Non è ancora compresa la circuiteria per il cellulare, non cel'ho ancora ben chiara in mente.
In particolare mi sfugge la questione microfono del telefono.
Voi avete qualche idea in mente?
Per ora è tutto, Luca.
Chi c’è in linea
Visitano il forum: Nessuno e 9 ospiti

Elettrotecnica e non solo (admin)
Un gatto tra gli elettroni (IsidoroKZ)
Esperienza e simulazioni (g.schgor)
Moleskine di un idraulico (RenzoDF)
Il Blog di ElectroYou (webmaster)
Idee microcontrollate (TardoFreak)
PICcoli grandi PICMicro (Paolino)
Il blog elettrico di carloc (carloc)
DirtEYblooog (dirtydeeds)
Di tutto... un po' (jordan20)
AK47 (lillo)
Esperienze elettroniche (marco438)
Telecomunicazioni musicali (clavicordo)
Automazione ed Elettronica (gustavo)
Direttive per la sicurezza (ErnestoCappelletti)
EYnfo dall'Alaska (mir)
Apriamo il quadro! (attilio)
H7-25 (asdf)
Passione Elettrica (massimob)
Elettroni a spasso (guidob)
Bloguerra (guerra)




