
Led per il mio circuito
Moderatore:
IsidoroKZ
0
voti
Ho trovato quanto segue in rete con qualche dettaglio per la configurazione
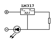
Non mi sono però chiare alcune cose, leggo che il regolatore mantiene tensione costante tra i terminali ADJ e Vout di 1.25V ma se ho capito bene il range sarebbe regolabile tra 1.25V e 37V. Guardando il datasheet mi parrebbe che la tensione sia regolabile a seguito di interventi esterni con l'aggiunta di ulteriore resistenza e due condensatori.
Ma quindi il semplice circuito riportato restituisce di base in uscita 1.25V a prescindere da Vin (con tensione massima di 40V)?
Se così fosse, applicando un LM317 per ogni led (si trovano a 1euro) per calcolare la R è sufficiente dividere 1.25 per la corrente assorbita dal led ottenendo una R da 3.3 ohm con potenza di soli 1/2W (vome limite minimo naturalmente)?
[edit]
perché leggo che Vin deve essere 3V+VLED minore di Vin minore di 37V
Non mi sono però chiare alcune cose, leggo che il regolatore mantiene tensione costante tra i terminali ADJ e Vout di 1.25V ma se ho capito bene il range sarebbe regolabile tra 1.25V e 37V. Guardando il datasheet mi parrebbe che la tensione sia regolabile a seguito di interventi esterni con l'aggiunta di ulteriore resistenza e due condensatori.
Ma quindi il semplice circuito riportato restituisce di base in uscita 1.25V a prescindere da Vin (con tensione massima di 40V)?
Se così fosse, applicando un LM317 per ogni led (si trovano a 1euro) per calcolare la R è sufficiente dividere 1.25 per la corrente assorbita dal led ottenendo una R da 3.3 ohm con potenza di soli 1/2W (vome limite minimo naturalmente)?
[edit]
perché leggo che Vin deve essere 3V+VLED minore di Vin minore di 37V
-

valterhome
178 1 7 - Frequentatore

- Messaggi: 181
- Iscritto il: 13 mar 2015, 9:33
1
voti
Alimentatore a tensione costante: la tensione resta costante al variare della corrente erogata sul carico, compatibilmente con le specifiche dell'alimentatore.
Alimentatore a corrente costante: la corrente resta costante al variare della tensione ai capi del carico, compatibilmente con le specifiche dell'alimentatore.
In entrambi i casi l'LM317 necessita, date le cadute di tensione sulle giunzioni dei semiconduttori interni, all'ingresso di una tensione entrante superiore a quella uscente di 3V (meglio 4V) e di una corrente disponibile a monte uguale (meglio se ragionevolmente superiore) a quella che dovrà erogare.
Non sono sicuro di aver risposto esaurientemente visto che ho capito poco di quanto hai scritto
Alimentatore a corrente costante: la corrente resta costante al variare della tensione ai capi del carico, compatibilmente con le specifiche dell'alimentatore.
In entrambi i casi l'LM317 necessita, date le cadute di tensione sulle giunzioni dei semiconduttori interni, all'ingresso di una tensione entrante superiore a quella uscente di 3V (meglio 4V) e di una corrente disponibile a monte uguale (meglio se ragionevolmente superiore) a quella che dovrà erogare.
Non sono sicuro di aver risposto esaurientemente visto che ho capito poco di quanto hai scritto
-

FedericoSibona
5.022 3 5 8 - Master

- Messaggi: 3951
- Iscritto il: 19 mar 2013, 11:43
1
voti
valterhome ha scritto:Non mi sono però chiare alcune cose, leggo che il regolatore mantiene tensione costante tra i terminali ADJ e Vout di 1.25V ma se ho capito bene il range sarebbe regolabile tra 1.25V e 37V.
La tensione di cui parli e' quella di riferimento che e' possibile rilevare tra GND e OUT in condizioni ottimali; il range di regolazione e' quello che si puo' ottenere su OUT con tensione d'ingresso di 40VCC.
Questo pero' e' LM317 configurato come regolatore di tensione e, per farlo, occorre l'aggiunta di qualche altro componente (un resistore un trimmer ed un paio di condensatori); lo schema che hai esposto, al contrario, e' quello di un generatore di corrente costante in cui il valore della corrente d'uscita viene determinato dalla resistenza posta tra OUT e ADJ secondo la formula che hai esposto.
Per quanto riguarda il drop-out, ti ha gia' risposto
marco
0
voti
Grazie ad entrambi, ora è chiaro
Domani sperimento con un LM317 recuperato da una scheda

Domani sperimento con un LM317 recuperato da una scheda

-

valterhome
178 1 7 - Frequentatore

- Messaggi: 181
- Iscritto il: 13 mar 2015, 9:33
0
voti
In questo articolo
puoi trovare informazioni supplementari sul regolatore che ti interessa.
puoi trovare informazioni supplementari sul regolatore che ti interessa.
marco
0
voti
Raga, scusate la mia ignoranza e il mio chiedere riepilogo, purtroppo non ne capisco e purtroppo devo realizzare questo circuito a tutti i costi e per farlo so di approfittare della vostra bontà;
Allora,
1) se prendo i led da 2,6v (dovrebbero essere 400mA) ovvero questi:
A) http://it.rs-online.com/web/p/led-visibili/7781393/
Potrei mettere resistenza ad ogni led di 27-30 ohm 5w? Vi ricordo che il problema dissipazione è relativo perché dal momento in cui le accendo, accenderebbero per meno di un secondo, con intervalli sempre di un secondo prima che si riaccendano;
2) non ho capito in questo caso quanti lumen avrei
Passando invece agli altri led ovvero 2.25v 400mA che sono i seguenti:
B) http://it.rs-online.com/web/p/led-visibili/7650510/
Andrebbe bene sempre il resistore da 27-30ohn e 5w?
Vi prego riepilogarmi se vanno bene i resistori o eventualmente da quanto è anche il tipo di driver sia per (A) che per (B)
Ma secondo voi esistono anche led sempre che posso saldare a mano, piccoli e che siano 12v ma con emissione in lumen non inferiore a 70?
Allora,
1) se prendo i led da 2,6v (dovrebbero essere 400mA) ovvero questi:
A) http://it.rs-online.com/web/p/led-visibili/7781393/
Potrei mettere resistenza ad ogni led di 27-30 ohm 5w? Vi ricordo che il problema dissipazione è relativo perché dal momento in cui le accendo, accenderebbero per meno di un secondo, con intervalli sempre di un secondo prima che si riaccendano;
2) non ho capito in questo caso quanti lumen avrei
Passando invece agli altri led ovvero 2.25v 400mA che sono i seguenti:
B) http://it.rs-online.com/web/p/led-visibili/7650510/
Andrebbe bene sempre il resistore da 27-30ohn e 5w?
Vi prego riepilogarmi se vanno bene i resistori o eventualmente da quanto è anche il tipo di driver sia per (A) che per (B)
Ma secondo voi esistono anche led sempre che posso saldare a mano, piccoli e che siano 12v ma con emissione in lumen non inferiore a 70?
0
voti
Leggendo il tuo post mi pare di capire che non hai letto (o capito) quanto ho scritto in precedenza al punto 28.
Rileggilo e poi riformula la domanda.
Sarebbe altresi opportuno che tu illustrassi meglio l'insieme del circuito.
Rileggilo e poi riformula la domanda.
Sarebbe altresi opportuno che tu illustrassi meglio l'insieme del circuito.
marco
0
voti
armran ha scritto:il mio chiedere riepilogo
Ciao armran, al post[24] ti ho linkato due pagine relative ai led che hai indicato e c'è qualche info in più rispetto a quelle riportate sul sito dove hai deciso di comprare.
Al post[25]
Poi con
Sul solito sito di vendita on line ho trovato gli LM317 ad 1euro per due pezzi quindi oltre alle spedizioni di 6.50euro spenderesti 6euro per 12 regolatori, uno per led.
Qui trovi lo schema http://www.electroyou.it/forum/viewtopic.php?f=13&t=57689&start=30#p572761 e ti faccio un copia incolla della parte che ti riguarda più da vicino:
Se così fosse, applicando un LM317 per ogni LED per calcolare la R è sufficiente dividere 1.25 per la corrente assorbita dal LED ottenendo una R da 3.3 ohm con potenza di soli 1/2W (come limite minimo naturalmente)?
Se ti serve altro aiuto io posso provare a risponderti ma considera che sto imparando un po' come te... (se leggi tutti i post precedenti in questo 3d ci sono proprio tutte le risposte
[edit]
perché non posti un disegno di come assembleresti il tutto?
-

valterhome
178 1 7 - Frequentatore

- Messaggi: 181
- Iscritto il: 13 mar 2015, 9:33
0
voti
valterhome ha scritto:Sul solito sito di vendita on line ho trovato gli LM317 ad 1euro per due pezzi quindi oltre alle spedizioni di 6.50euro spenderesti 6euro per 12 regolatori, uno per LED.
Qui costano anche meno e se li prende in Cina, con 1.46 euro (spedizione gratuita- vedi qui) ne mandano 10.
marco
Torna a Elettronica e spettacolo
Chi c’è in linea
Visitano il forum: Nessuno e 10 ospiti

Elettrotecnica e non solo (admin)
Un gatto tra gli elettroni (IsidoroKZ)
Esperienza e simulazioni (g.schgor)
Moleskine di un idraulico (RenzoDF)
Il Blog di ElectroYou (webmaster)
Idee microcontrollate (TardoFreak)
PICcoli grandi PICMicro (Paolino)
Il blog elettrico di carloc (carloc)
DirtEYblooog (dirtydeeds)
Di tutto... un po' (jordan20)
AK47 (lillo)
Esperienze elettroniche (marco438)
Telecomunicazioni musicali (clavicordo)
Automazione ed Elettronica (gustavo)
Direttive per la sicurezza (ErnestoCappelletti)
EYnfo dall'Alaska (mir)
Apriamo il quadro! (attilio)
H7-25 (asdf)
Passione Elettrica (massimob)
Elettroni a spasso (guidob)
Bloguerra (guerra)



