Cos'è ElectroYou | Login Iscriviti

ElectroYou - la comunità dei professionisti del mondo elettrico

Fotoresistenza e BJT

Elettronica lineare e digitale: didattica ed applicazioni

Moderatori: Foto Utentecarloc, Foto Utenteg.schgor, Foto UtenteBrunoValente, Foto UtenteIsidoroKZ

0
voti

[1] Fotoresistenza e BJT

Messaggioda Foto Utentevalterhome » 24 apr 2015, 12:11

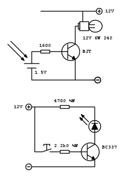
Ciao, sto sperimentando un minicircuito

Il primo l'ho trovato in rete, il secondo l'ho adattato io.
Il progetto originale si avvale di un BJT non specificato e l'alimentazione da 1.5V è fornita da una cella solare quando illuminata. Il BJT agisce da interruttore in zona di saturazione.
Quello che non mi è chiaro è il ragionamento per il dimensionamento della resistenza sulla base, con una serie di calcoli ricava la corrente Ib = 5mA definita come corrente minima necessaria a mandare il BJT in saturazione.
Ho assemblato su breadboard il secondo circuito adattandolo con le mie scarse conoscenze ad un led e polarizzando la base tutto con la medesima alimentazione da 12V e valutando la medesima Ib = 5mA.
Lo scarabocchio parrebbe funzionare, alla pressione del micropulsante il led si accende, l'intensità luminosa sembra corretta (non ho preso ancora misurazioni).
Siccome sono andato ad istinto (non si dovrebbe fare ma mentre sto ancora studiando la resistenza equivalente voglio prendermi qualche libertà :-) ) certamente anche se "lavora" mi aspetto errori o valutazioni sbagliate da parte mia...
volevo chiedervi dove intervenire per aggiustarlo perché in seguito vorrei sostituire il pulsante con una fotoresistenza e dovrò chiedere ragguagli ma su una base corretta...
Avatar utente
Foto Utentevalterhome
178 1 7
Frequentatore
Frequentatore
 
Messaggi: 181
Iscritto il: 13 mar 2015, 9:33

0
voti

[2] Re: Fotoresistenza e BJT

Messaggioda Foto Utentesimo85 » 24 apr 2015, 12:42

Nel secondo schema il LED è girato al contrario. O si tratta di un fotodiodo ?

Hai già la LDR ? La cosa migliore è osservare il datasheet della LDR a cui sei interessato e vedere i dati della resistenza a piena luce ed al buio.

Se vuoi il transistore spento quando non c'è luce e viceversa, la resistenza andrebbe messa in serie a quella fissa che già hai messo, cosi garantisci che il transistore sia spento con una elevata resistenza di base (al buio).
Avatar utente
Foto Utentesimo85
30,9k 7 12 13
Disattivato su sua richiesta
 
Messaggi: 9927
Iscritto il: 30 ago 2010, 4:59

0
voti

[3] Re: Fotoresistenza e BJT

Messaggioda Foto UtenteRussell » 24 apr 2015, 13:38

nel secondo schema una resistenzina di pull down a valle dell'interruttore si potrebbe anche mettere :?
Avatar utente
Foto UtenteRussell
3.373 3 5 9
Master
Master
 
Messaggi: 2193
Iscritto il: 4 ott 2009, 10:25

0
voti

[4] Re: Fotoresistenza e BJT

Messaggioda Foto Utentevalterhome » 24 apr 2015, 13:42

||O questi led mi mandano in confusione, non è un fotodiodo ma semplice led giallo 2.1V
il catodo non è il terminale più lungo e nel simbolo raffigurato dalla linea orizzontale? perché se è così io ho posto questo terminale verso i 12V e si accende regolarmente :?
Si, LDR ce l'ho già, dove li ho presi non mi forniscono dati per recuperare il datasheet ma queste specifiche:
tensione max alimentazione: 300Vdc
potenza: 250mW
resistenza con 10lx: 5KOhm
resistenza con 100lx: 10KOhm
Però prima di modificare il circuito con LDR volevo sapere se, allo stato attuale, i valori dei componenti da me utilizzati sono corretti o se necessitano di essere rivisti
Avatar utente
Foto Utentevalterhome
178 1 7
Frequentatore
Frequentatore
 
Messaggi: 181
Iscritto il: 13 mar 2015, 9:33

1
voti

[5] Re: Fotoresistenza e BJT

Messaggioda Foto Utentesimo85 » 24 apr 2015, 13:52

Spero che Foto Utentemir non mi faccia problemi di copyright :-)

Avatar utente
Foto Utentesimo85
30,9k 7 12 13
Disattivato su sua richiesta
 
Messaggi: 9927
Iscritto il: 30 ago 2010, 4:59

0
voti

[6] Re: Fotoresistenza e BJT

Messaggioda Foto Utentevalterhome » 24 apr 2015, 14:01

SGRUNT...ingannevole :-)

led_fd1.jpg
led_fd1.jpg (6.42 KiB) Osservato 6693 volte
Avatar utente
Foto Utentevalterhome
178 1 7
Frequentatore
Frequentatore
 
Messaggi: 181
Iscritto il: 13 mar 2015, 9:33

0
voti

[7] Re: Fotoresistenza e BJT

Messaggioda Foto Utentevalterhome » 24 apr 2015, 14:07

Russell ha scritto:nel secondo schema una resistenzina di pull down a valle dell'interruttore si potrebbe anche mettere :?

non dimenticandoti che sono un po' un'azzeccagarbugli :-) wikipedia mi ha dato un'idea di massima per le resistenze di pull-up e pull-down ma
quando dici a valle intendi tra l'interruttore ed il positivo?
come si definisce il valore corretto?
Avatar utente
Foto Utentevalterhome
178 1 7
Frequentatore
Frequentatore
 
Messaggi: 181
Iscritto il: 13 mar 2015, 9:33

0
voti

[8] Re: Fotoresistenza e BJT

Messaggioda Foto UtenteRussell » 24 apr 2015, 14:14

in effetti uno schemino si fa presto

per il valore prova ad es con 100KOhm fino a che usi l'interruttore
quando metterai la fotoresistenza è possibile che tu lo debba diminuire un po'

Avatar utente
Foto UtenteRussell
3.373 3 5 9
Master
Master
 
Messaggi: 2193
Iscritto il: 4 ott 2009, 10:25

0
voti

[9] Re: Fotoresistenza e BJT

Messaggioda Foto Utentesimo85 » 24 apr 2015, 14:26

valterhome ha scritto:SGRUNT...ingannevole :-)

Mmm ... dove hai trovato quell' immagine ?

Foto UtenteRussell il LED al contrario! :D

E poi la resistenza meglio metterla sulla base. Consuma meno.
Avatar utente
Foto Utentesimo85
30,9k 7 12 13
Disattivato su sua richiesta
 
Messaggi: 9927
Iscritto il: 30 ago 2010, 4:59

0
voti

[10] Re: Fotoresistenza e BJT

Messaggioda Foto UtenteRussell » 24 apr 2015, 14:30

ah, vabbè, mi ero limitato a indicare l'approccio
allora ecco qua il LED ora è girato, e la resitenza spostata un po' :mrgreen:

Avatar utente
Foto UtenteRussell
3.373 3 5 9
Master
Master
 
Messaggi: 2193
Iscritto il: 4 ott 2009, 10:25

Prossimo

Torna a Elettronica generale

Chi c’è in linea

Visitano il forum: Nessuno e 227 ospiti