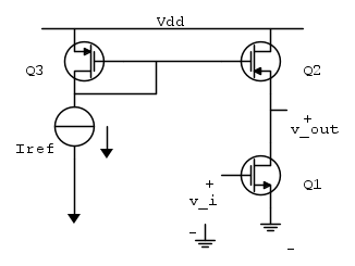
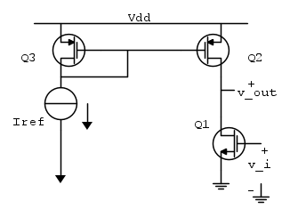
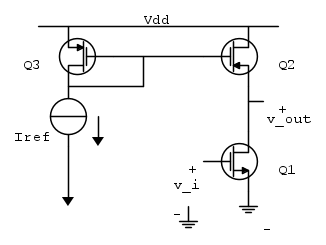
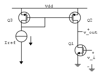
descrive il CMOS mostrandolo come in figura (Q2 ha la freccia entrante in alto, non riesco a disegnarlo, dovrebbe essere comunque un PMOS, così come Q3) e senza neanche passare per i circuiti equivalenti per piccoli segnali mostra che il guadagno è:
![A_{v}=-g_{m1}\left[ r_{01}\; // r_{02} \right]=-\frac{\sqrt{K}\left| V_{A} \right|}{\sqrt{I_{REF}}} A_{v}=-g_{m1}\left[ r_{01}\; // r_{02} \right]=-\frac{\sqrt{K}\left| V_{A} \right|}{\sqrt{I_{REF}}}](/forum/latexrender/pictures/28ddc0285382b373cbc7490fbef54949.png)
Diciamo che questo è abbastanza chiaro, ma non capisco dove vuole andare a parare mostandomi questo nuovo tipo di amplificatore che unisce PMOS e NMOS.
Cos'ha in più di uno classico integrato NMOS? perché dovrei usarlo al posto di questo?
Grazie in anticipo.

Elettrotecnica e non solo (admin)
Un gatto tra gli elettroni (IsidoroKZ)
Esperienza e simulazioni (g.schgor)
Moleskine di un idraulico (RenzoDF)
Il Blog di ElectroYou (webmaster)
Idee microcontrollate (TardoFreak)
PICcoli grandi PICMicro (Paolino)
Il blog elettrico di carloc (carloc)
DirtEYblooog (dirtydeeds)
Di tutto... un po' (jordan20)
AK47 (lillo)
Esperienze elettroniche (marco438)
Telecomunicazioni musicali (clavicordo)
Automazione ed Elettronica (gustavo)
Direttive per la sicurezza (ErnestoCappelletti)
EYnfo dall'Alaska (mir)
Apriamo il quadro! (attilio)
H7-25 (asdf)
Passione Elettrica (massimob)
Elettroni a spasso (guidob)
Bloguerra (guerra)


metti una resistenza dello stesso ordine.




