Ciao Pietro, secondo te quest'altro schema può funzionare (alla pagina 3 del seguente link):
http://www.ing.unibs.it/~mauro.serpello ... toring.pdf
la differenza è che c'è il guard , che non riesco a capire a cosa è, forse cosi non satura l'amplificatore operazionale??....
Ad esempio in quest'altro schema seguente: http://isn.ucsd.edu/pubs/biocas07_eeg.pdf lo stesso c'è il guard ring e c'è l'INA 116 che è un integrato che lo stesso dispone di pin guard che non riesco a capire cosa è...
l'INA 116 è al seguente link: http://www.ti.com.cn/cn/lit/ds/symlink/ina116.pdf
resistenza da 100Gigaohm
Moderatori:
carloc,
g.schgor,
BrunoValente,
IsidoroKZ
2
voti
Daniele (suppongo),
io non so che elettronica strana facciano in certe università, e forse sono l'ultimo che dovrebbe mettere voce, dato che non l'ho mai frequentata, ma vedere operazionali con ingressi connessi solo a delle capacità è per me un puro e semplice errore. Banale nella sua gravità. E' quello che si vede nel primo dei due documenti. Se funziona è solo per caso.
Nel secondo documento noterai la presenza di un transistore di reset. Questo è ciò che serve per rendere il progetto quantomeno sensato. Resettando periodicamente gli ingressi e utilizzando opportuni operazionali con femtoampere di corrente di leakage, il circuito funziona.
Il guard serve per ridurre le correnti superficiali che si comportano più o meno come le correnti di leakage, spostando la componente continua degli ingressi. E' un argomento intricato che ti consiglio di leggere in qualche application note di uno dei produttori di operazionali. I documenti li trovi googleando questi termini.
io non so che elettronica strana facciano in certe università, e forse sono l'ultimo che dovrebbe mettere voce, dato che non l'ho mai frequentata, ma vedere operazionali con ingressi connessi solo a delle capacità è per me un puro e semplice errore. Banale nella sua gravità. E' quello che si vede nel primo dei due documenti. Se funziona è solo per caso.
Nel secondo documento noterai la presenza di un transistore di reset. Questo è ciò che serve per rendere il progetto quantomeno sensato. Resettando periodicamente gli ingressi e utilizzando opportuni operazionali con femtoampere di corrente di leakage, il circuito funziona.
Il guard serve per ridurre le correnti superficiali che si comportano più o meno come le correnti di leakage, spostando la componente continua degli ingressi. E' un argomento intricato che ti consiglio di leggere in qualche application note di uno dei produttori di operazionali. I documenti li trovi googleando questi termini.
2
voti
Ciao,
conosco l'INA116, che non è un operazionale ma un amplificatore per strumentazione.
Il circuito che ti propongono nel primo articolo è questo:
che non può funzionare perché non è chiuso il circuito esterno per le correnti di bias.
Molto spesso si tende a trascurare questo problema e l'effetto è quello di vedere la tensione di uscita andare lentamente verso la saturazione.
No bueno.
L'INA116 ha un controllo delle correnti di bias che chiamare spettacolare equivale ad insultare i suoi progettisti.
Come prima cosa le correnti di bias sono ridotte a valori estremamente piccoli, che è un vantaggio non indifferente, ma anche uno svantaggio.
Questo perché se si usano impedenze di ingresso molto alte non è più possibile trascurare le correnti superficiali che per le cause più strane contribuiscono a definire il bias.
Per evitarle si cerca di tenere gli ingressi dell'ampli da strumentazione quanto più "isolati" possibili.
Nello stesso data sheet che riporti ti viene suggerito un esempio di circuito stampato, che serve per minimizzarle:
Quando trovi della documentazione tecnica devi leggerla con attenzione, in genere le spiegazioni sono tutte lì.
Il circuito con i transistori che "resettano" periodicamente gli ingressi serve proprio perché non è stato previsto alcun controllo delle correnti di bias.
Non ha senso.
Facendo così si "affetta" il segnale e si producono dei buchi (che forse poi verranno tolti via sw, non so), ma si può fare decisamente di meglio.
La prima cosa da fare è quella di costruire un filtro passa alto in ingresso (lo so, non è il massimo) da porre il più vicino (fisicamente) possibile agli elettrodi di prelievo SENZA amplificare, da mandare subito agli ingressi di un amplificatore da strumentazione.
L'effetto è quello di recuperare poco segnale, ma anche quello di abbassare l'impedenza.
Si provvede poi, separatamente, ad amplificare e a filtrare come si deve.
Il progetto di questi stadi non è banale e va curato molto bene.
Quando poi si ha un segnale ad un livello decente e in bassa impedenza si ragiona.
I circuiti che hai trovato sono semplicemente senza senso e basati su accrocchi che lasciano il tempo che trovano.
Ciao,
Pietro.
conosco l'INA116, che non è un operazionale ma un amplificatore per strumentazione.
Il circuito che ti propongono nel primo articolo è questo:
che non può funzionare perché non è chiuso il circuito esterno per le correnti di bias.
Molto spesso si tende a trascurare questo problema e l'effetto è quello di vedere la tensione di uscita andare lentamente verso la saturazione.
No bueno.
L'INA116 ha un controllo delle correnti di bias che chiamare spettacolare equivale ad insultare i suoi progettisti.
Come prima cosa le correnti di bias sono ridotte a valori estremamente piccoli, che è un vantaggio non indifferente, ma anche uno svantaggio.
Questo perché se si usano impedenze di ingresso molto alte non è più possibile trascurare le correnti superficiali che per le cause più strane contribuiscono a definire il bias.
Per evitarle si cerca di tenere gli ingressi dell'ampli da strumentazione quanto più "isolati" possibili.
Nello stesso data sheet che riporti ti viene suggerito un esempio di circuito stampato, che serve per minimizzarle:
Quando trovi della documentazione tecnica devi leggerla con attenzione, in genere le spiegazioni sono tutte lì.
Il circuito con i transistori che "resettano" periodicamente gli ingressi serve proprio perché non è stato previsto alcun controllo delle correnti di bias.
Non ha senso.
Facendo così si "affetta" il segnale e si producono dei buchi (che forse poi verranno tolti via sw, non so), ma si può fare decisamente di meglio.
La prima cosa da fare è quella di costruire un filtro passa alto in ingresso (lo so, non è il massimo) da porre il più vicino (fisicamente) possibile agli elettrodi di prelievo SENZA amplificare, da mandare subito agli ingressi di un amplificatore da strumentazione.
L'effetto è quello di recuperare poco segnale, ma anche quello di abbassare l'impedenza.
Si provvede poi, separatamente, ad amplificare e a filtrare come si deve.
Il progetto di questi stadi non è banale e va curato molto bene.
Quando poi si ha un segnale ad un livello decente e in bassa impedenza si ragiona.
I circuiti che hai trovato sono semplicemente senza senso e basati su accrocchi che lasciano il tempo che trovano.
Ciao,
Pietro.
-

PietroBaima
90,7k 7 12 13 - G.Master EY

- Messaggi: 12207
- Iscritto il: 12 ago 2012, 1:20
- Località: Londra
0
voti
-

PietroBaima
90,7k 7 12 13 - G.Master EY

- Messaggi: 12207
- Iscritto il: 12 ago 2012, 1:20
- Località: Londra
0
voti
Una cosa molto importante con gli anelli di guardia (l'italiano certe volte è terribile) è che devono essere fatti da entrambi i lati dello stampato, e devono essere lasciati senza solder resist, altrimenti non hanno senso. E' fondamentale anche entrare con un componente PTH (Pin Through Hole) che scavalchi l'anello senza toccarlo. Per queste correnti è comunque necessario lavare il circuito con acqua deionizzata a 18 Megaohm, altrimenti tutto il lavoro viene vanificato da ciò che scorre sul case dell'integrato.
0
voti
voi che siete esperti dato che io non ci riesco mi aiutereste a realizzare uno schema, che funzioni che sappia prelevare l'ECG del paziente, cosi da implementarlo con una millefori ...partendo da questi articoli, o da altri che stanno su internet (google scholar)...
per esempio un altro articolo: http://www.isn.ucsd.edu/pubs/bsn10.pdf
per esempio un altro articolo: http://www.isn.ucsd.edu/pubs/bsn10.pdf
-

naide91
-26 4 - CRU - Account cancellato su Richiesta utente
- Messaggi: 63
- Iscritto il: 14 ott 2014, 23:51
5
voti
Ho il sospetto che gli articoli mostrati il problema del bias venga abbastanza spesso passato sotto silenzio.
Nell'articolo http://www.isn.ucsd.edu/pubs/bsn10.pdf si legge quanto segue:
"An extremely difficult to obtain resistor of greater than 1TΩ would be required to match the current noise specification of the INA116. Fortunately, it was found during experiments that the INA116 would reliably charge a floating input to a point inside the allowable input range shortly after power-up purely through leakage currents, removing the need for any external bias network."
Il che è abbastanza per far torcere le budella ad ogni elettronico degno di questo nome (perché gli elettronici sono abituati a pensare subito alla produzione in serie). Probabilmente, gli autori hanno provicchiato con un prototipo ed hanno ottenuto un prototipo che funzionicchia abbastanza da poter pubblicare un qualcosa come articolo (ma non so in che contesto, una conferenzina?). Mi pare che l'amplificatore da strumentazione sia anche usato fuori specifica per quanto riguarda la tensione di alimentazione minima. Insomma, hanno ottenuto il risultato che cercavano, ma il circuito è una schifezza.
Sfruttano le correnti di fuga, totalmente incontrollabili, per fare in modo che il circuito funzioni hic et nunc, quel tanto che basta per fare una misuretta. Povero colui che debba industrializzare un prototipo del genere, ovvero fare in modo che funzioni sempre, in ogni situazione, dando risultati affidabili
Per risolvere il problema della polarizzazione, diverse soluzioni sono a disposizione:
- lo si ignora bellamente, si fa in modo che il circuito funzioni a botta di c... come sembra essere indicato da alcuni articoli di cui sopra, contribuendo alla quantità di budella ritorte, fegati rovinati e bruciori di stomaco
- si implementa un sistema di reset, con i problemi citati da
PietroBaima
- si legge il datasheet dell'INA116, che dà alcuni consigli:
Io proverei intanto a discutere con il professore, dato che seguirti se fai una tesi con lui fa parte della sua missione professionale.
Se vuoi seguire l'ultima via, resistenze da 100MΩ sono abbastanza reperibili. Nel caso non bastino, si sale, finché ragionevole. Personalmente, io ho utilizzato in passato resistenze da 1 GΩ, ma costavano abbastanza care, erano ingombranti e più difficili da reperire. Naturalmente, bisogna stare attenti a tutto, perché quello che di solito è considerato isolante non è detto che lo sia quando si fa attenzione a correnti così piccole. Bob Pease aveva scritto qualche articolo interessante a questo proposito:
http://electronicdesign.com/test-amp-me ... uff-anyhow
Io comunque continuerei a fare una bella ricerca bibliografica seria per vedere come questi problemi sono risolti in circuiti di quel tipo. C'è una letteratura vastissima legata alle misure a bassa corrente, secondo me qualcosa si dovrebbe poter scovare.
Nell'articolo http://www.isn.ucsd.edu/pubs/bsn10.pdf si legge quanto segue:
"An extremely difficult to obtain resistor of greater than 1TΩ would be required to match the current noise specification of the INA116. Fortunately, it was found during experiments that the INA116 would reliably charge a floating input to a point inside the allowable input range shortly after power-up purely through leakage currents, removing the need for any external bias network."
Il che è abbastanza per far torcere le budella ad ogni elettronico degno di questo nome (perché gli elettronici sono abituati a pensare subito alla produzione in serie). Probabilmente, gli autori hanno provicchiato con un prototipo ed hanno ottenuto un prototipo che funzionicchia abbastanza da poter pubblicare un qualcosa come articolo (ma non so in che contesto, una conferenzina?). Mi pare che l'amplificatore da strumentazione sia anche usato fuori specifica per quanto riguarda la tensione di alimentazione minima. Insomma, hanno ottenuto il risultato che cercavano, ma il circuito è una schifezza.
Sfruttano le correnti di fuga, totalmente incontrollabili, per fare in modo che il circuito funzioni hic et nunc, quel tanto che basta per fare una misuretta. Povero colui che debba industrializzare un prototipo del genere, ovvero fare in modo che funzioni sempre, in ogni situazione, dando risultati affidabili
Per risolvere il problema della polarizzazione, diverse soluzioni sono a disposizione:
- lo si ignora bellamente, si fa in modo che il circuito funzioni a botta di c... come sembra essere indicato da alcuni articoli di cui sopra, contribuendo alla quantità di budella ritorte, fegati rovinati e bruciori di stomaco
- si implementa un sistema di reset, con i problemi citati da
- si legge il datasheet dell'INA116, che dà alcuni consigli:
Io proverei intanto a discutere con il professore, dato che seguirti se fai una tesi con lui fa parte della sua missione professionale.
Se vuoi seguire l'ultima via, resistenze da 100MΩ sono abbastanza reperibili. Nel caso non bastino, si sale, finché ragionevole. Personalmente, io ho utilizzato in passato resistenze da 1 GΩ, ma costavano abbastanza care, erano ingombranti e più difficili da reperire. Naturalmente, bisogna stare attenti a tutto, perché quello che di solito è considerato isolante non è detto che lo sia quando si fa attenzione a correnti così piccole. Bob Pease aveva scritto qualche articolo interessante a questo proposito:
http://electronicdesign.com/test-amp-me ... uff-anyhow
Io comunque continuerei a fare una bella ricerca bibliografica seria per vedere come questi problemi sono risolti in circuiti di quel tipo. C'è una letteratura vastissima legata alle misure a bassa corrente, secondo me qualcosa si dovrebbe poter scovare.
Follow me on Mastodon: @davbucci@mastodon.sdf.org
-

DarwinNE
31,0k 7 11 13 - G.Master EY

- Messaggi: 4420
- Iscritto il: 18 apr 2010, 9:32
- Località: Grenoble - France
6
voti
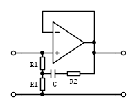
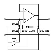
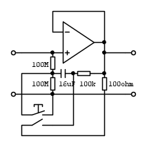
Stavo pensando, giusto per giocare, ad un bootstrap per realizzare quel valore dell'impedenza di ingresso, considerando che non occorre che sia tanto alto anche in continua.
Se non ho sbagliato i conti l'impedenza di ingresso dovrebbe valere
![\[Z_{in}=2R_{1}+\frac{1}{\frac{1}{j\omega CR_{1}^{2}}+\frac{R_{2}}{R_{1}^{2}}}\] \[Z_{in}=2R_{1}+\frac{1}{\frac{1}{j\omega CR_{1}^{2}}+\frac{R_{2}}{R_{1}^{2}}}\]](/forum/latexrender/pictures/ec5cb86aa197ef2f2346011c0656e925.png)
dove la frazione è chiaramente il parallelo tra un'induttanza di valore
![\[L_{e}=CR_{1}^{2}\] \[L_{e}=CR_{1}^{2}\]](/forum/latexrender/pictures/5b479804855c2b3c75b718626fe1f77b.png)
e una resistenza di valore
![\[R_{e}=\frac{R_{1}^{2}}{R_{2}}\] \[R_{e}=\frac{R_{1}^{2}}{R_{2}}\]](/forum/latexrender/pictures/e7a4a4e172019930b18af50145bf40f2.png)
e quindi possiamo immaginare che il circuito equivalente visto guardando l'ingresso sia questo
Ipotizzando l'uso di un operazionale adatto e di un valore ragionevole di 100Mohm per
, possiamo quindi dimensionare
per realizzare il valore richiesto di
per l'impedenza di ingresso ma solo alle frequenze alte, cioè a quelle frequenze dove guardando l'ingresso si vede solo Re, cioè dove la reattanza di
è alta rispetto ad
.
![\[R_{2}=\frac{R_{1}^{2}}{R_{e}}=\frac{10^{16}}{10^{11}}=100k\Omega\] \[R_{2}=\frac{R_{1}^{2}}{R_{e}}=\frac{10^{16}}{10^{11}}=100k\Omega\]](/forum/latexrender/pictures/5060ee9e22753cdf85d80167a920431e.png)
Possiamo poi dimensionare
per avere un valore della reattanza di
pari a
ad una frequenza sufficientemente bassa, nell'esempio ho scelto 0.1Hz
![\[\omega L_{e}=R_{e}\] \[\omega L_{e}=R_{e}\]](/forum/latexrender/pictures/fd5332798f9d99b53d6cf3a8df300c56.png)
![\[\omega CR_{1}^{2}=\frac{R_{1}^{2}}{R_{2}}\] \[\omega CR_{1}^{2}=\frac{R_{1}^{2}}{R_{2}}\]](/forum/latexrender/pictures/646f0ea51ac744e548d116fa0aaae000.png)
![\[C=\frac{1}{\omega R_{2}}=16\mu F\] \[C=\frac{1}{\omega R_{2}}=16\mu F\]](/forum/latexrender/pictures/19824865020948a066d46130873f4e4d.png)
In definitiva il circuito sarebbe quindi questo
dove avrei anche previsto il pulsante necessario a far caricare
in fretta dopo l'accensione, altrimenti si dovrebbe attendere un'eternità prima che il circuito si assesti.
L'impedenza di ingresso sarebbe quindi pari a
a partire da qualche decimo di hertz.
Non ho idea di quanto tutto questo nella realtà possa funzionare, l'istinto mi suggerisce che non funziona.. posso quanto meno immaginare miriadi di problemi dovuti al rumore...
Se non ho sbagliato i conti l'impedenza di ingresso dovrebbe valere
![\[Z_{in}=2R_{1}+\frac{1}{\frac{1}{j\omega CR_{1}^{2}}+\frac{R_{2}}{R_{1}^{2}}}\] \[Z_{in}=2R_{1}+\frac{1}{\frac{1}{j\omega CR_{1}^{2}}+\frac{R_{2}}{R_{1}^{2}}}\]](/forum/latexrender/pictures/ec5cb86aa197ef2f2346011c0656e925.png)
dove la frazione è chiaramente il parallelo tra un'induttanza di valore
![\[L_{e}=CR_{1}^{2}\] \[L_{e}=CR_{1}^{2}\]](/forum/latexrender/pictures/5b479804855c2b3c75b718626fe1f77b.png)
e una resistenza di valore
![\[R_{e}=\frac{R_{1}^{2}}{R_{2}}\] \[R_{e}=\frac{R_{1}^{2}}{R_{2}}\]](/forum/latexrender/pictures/e7a4a4e172019930b18af50145bf40f2.png)
e quindi possiamo immaginare che il circuito equivalente visto guardando l'ingresso sia questo
Ipotizzando l'uso di un operazionale adatto e di un valore ragionevole di 100Mohm per
, possiamo quindi dimensionare
per realizzare il valore richiesto di
per l'impedenza di ingresso ma solo alle frequenze alte, cioè a quelle frequenze dove guardando l'ingresso si vede solo Re, cioè dove la reattanza di
è alta rispetto ad
.![\[R_{2}=\frac{R_{1}^{2}}{R_{e}}=\frac{10^{16}}{10^{11}}=100k\Omega\] \[R_{2}=\frac{R_{1}^{2}}{R_{e}}=\frac{10^{16}}{10^{11}}=100k\Omega\]](/forum/latexrender/pictures/5060ee9e22753cdf85d80167a920431e.png)
Possiamo poi dimensionare
per avere un valore della reattanza di
pari a
ad una frequenza sufficientemente bassa, nell'esempio ho scelto 0.1Hz![\[\omega L_{e}=R_{e}\] \[\omega L_{e}=R_{e}\]](/forum/latexrender/pictures/fd5332798f9d99b53d6cf3a8df300c56.png)
![\[\omega CR_{1}^{2}=\frac{R_{1}^{2}}{R_{2}}\] \[\omega CR_{1}^{2}=\frac{R_{1}^{2}}{R_{2}}\]](/forum/latexrender/pictures/646f0ea51ac744e548d116fa0aaae000.png)
![\[C=\frac{1}{\omega R_{2}}=16\mu F\] \[C=\frac{1}{\omega R_{2}}=16\mu F\]](/forum/latexrender/pictures/19824865020948a066d46130873f4e4d.png)
In definitiva il circuito sarebbe quindi questo
dove avrei anche previsto il pulsante necessario a far caricare
in fretta dopo l'accensione, altrimenti si dovrebbe attendere un'eternità prima che il circuito si assesti.L'impedenza di ingresso sarebbe quindi pari a
a partire da qualche decimo di hertz.Non ho idea di quanto tutto questo nella realtà possa funzionare, l'istinto mi suggerisce che non funziona.. posso quanto meno immaginare miriadi di problemi dovuti al rumore...
-

BrunoValente
39,6k 7 11 13 - G.Master EY

- Messaggi: 7796
- Iscritto il: 8 mag 2007, 14:48
0
voti
Non so se ti può essere d'aiuto ma io guarderei i datasheet di front end per ECG tipo questi:
http://www.ti.com/lsds/ti/data-converters/medical-analog-front-end-products.page?familyAliasId=1301916¶mCriteria=no
e magari trovi spunto per risolvere il tuo problema.....
Ciao,
Dario
http://www.ti.com/lsds/ti/data-converters/medical-analog-front-end-products.page?familyAliasId=1301916¶mCriteria=no
e magari trovi spunto per risolvere il tuo problema.....
Ciao,
Dario
⋮ƎlectroYou e non smetti mai di imparare!
1
voti
Tra le tante cose lasciate completamente al nulla in quei documenti c'è la la questione della protezione del paziente. La maglietta di cotone non è sufficiente come isolamento galvanico. Bisogna necessariamente introdurre un resistore serie di elevato valore che manda a farfalle tutti i ragionamenti fatti sulle impedenze di ingresso.
Ribadisco, che buffonata.
Ribadisco, che buffonata.
Chi c’è in linea
Visitano il forum: Nessuno e 152 ospiti

Elettrotecnica e non solo (admin)
Un gatto tra gli elettroni (IsidoroKZ)
Esperienza e simulazioni (g.schgor)
Moleskine di un idraulico (RenzoDF)
Il Blog di ElectroYou (webmaster)
Idee microcontrollate (TardoFreak)
PICcoli grandi PICMicro (Paolino)
Il blog elettrico di carloc (carloc)
DirtEYblooog (dirtydeeds)
Di tutto... un po' (jordan20)
AK47 (lillo)
Esperienze elettroniche (marco438)
Telecomunicazioni musicali (clavicordo)
Automazione ed Elettronica (gustavo)
Direttive per la sicurezza (ErnestoCappelletti)
EYnfo dall'Alaska (mir)
Apriamo il quadro! (attilio)
H7-25 (asdf)
Passione Elettrica (massimob)
Elettroni a spasso (guidob)
Bloguerra (guerra)

pigreco]=π
, preceduto da 



