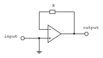
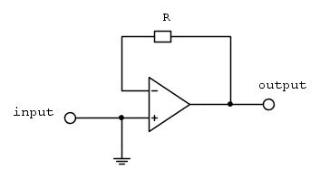
Ciao a tutti, mi è capitato tra le mani un circuito in cui si presenta un inseguitore di tensione con resistore sulla reazione:
a cosa serve la R ?
Chiarimenti inseguitore di tensione
Moderatori:
carloc,
g.schgor,
BrunoValente,
IsidoroKZ
7 messaggi
• Pagina 1 di 1
0
voti
0
voti
A niente, se l'ingresso è collegato a terra e la terra è collegata al nodo di riferimento dell'OPAMP.
Anzi, ne peggiora il funzionamento.
Ciao,
Pietro.
Anzi, ne peggiora il funzionamento.
Ciao,
Pietro.
-

PietroBaima
90,7k 7 12 13 - G.Master EY

- Messaggi: 12207
- Iscritto il: 12 ago 2012, 1:20
- Località: Londra
0
voti
3
voti
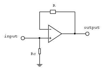
Sono le resistenze che servono per minimizzare l'effetto delle correnti di bias sull'uscita.
L'operazionale ideale è modellato con un circuito aperto, fra gli ingressi invertente e non invertente.
Quello reale, invece, vede due piccole correnti scorrere fra l'ingresso non invertente e nodo di riferimento e fra l'ingresso invertente e nodo di riferimento, dette correnti di bias.
Chiamiamo la corrente di bias del morsetto non invertente
e quella invertente
.
Cerchiamo di capire quale contributo (non voluto ovviamente) diano queste correnti all'uscita quando l'ingresso non è presente. La tensione di uscita, in questo caso, dovrebbe essere nulla.
ridisegno il tuo circuito così:
Quindi:

da cui

Per quanto riguarda il secondo morsetto

Se non considero altri contributi, posso assumere che
, da cui ho che:

Se l'operazionale è costruito bene le due correnti di bias dovrebbero essere uguali.
Se sono uguali basta porre le due resistenze uguali per annullare l'effetto delle due correnti.
Se non sono uguali (operazionale ancora più reale
) non ci resta che metterle di valore più piccolo possibile (compatibilmente con la capacità di pilotaggio dell'operazionale e della resistenza di ingresso voluta) e minimizzare in questo modo il loro contributo.
E' quindi buona norma, nel progetto di un circuito ad operazionale, tenere le due resistenze equivalenti viste dai due morsetti più uguali possibili e più di piccolo valore possibile.
Ovviamente queste considerazioni valgono per il DC,
carloc (
), nel post linkato, fa altre considerazioni relative alla banda e alla dinamica di ingresso uscita molto interessanti. Come sempre bisogna vedere il progetto da più punti di vista, relativi al caso specifico, per farlo bene.
Ciao,
Pietro.
L'operazionale ideale è modellato con un circuito aperto, fra gli ingressi invertente e non invertente.
Quello reale, invece, vede due piccole correnti scorrere fra l'ingresso non invertente e nodo di riferimento e fra l'ingresso invertente e nodo di riferimento, dette correnti di bias.
Chiamiamo la corrente di bias del morsetto non invertente
e quella invertente
.Cerchiamo di capire quale contributo (non voluto ovviamente) diano queste correnti all'uscita quando l'ingresso non è presente. La tensione di uscita, in questo caso, dovrebbe essere nulla.
ridisegno il tuo circuito così:
Quindi:

da cui

Per quanto riguarda il secondo morsetto

Se non considero altri contributi, posso assumere che
, da cui ho che:
Se l'operazionale è costruito bene le due correnti di bias dovrebbero essere uguali.
Se sono uguali basta porre le due resistenze uguali per annullare l'effetto delle due correnti.
Se non sono uguali (operazionale ancora più reale
E' quindi buona norma, nel progetto di un circuito ad operazionale, tenere le due resistenze equivalenti viste dai due morsetti più uguali possibili e più di piccolo valore possibile.
Ovviamente queste considerazioni valgono per il DC,
), nel post linkato, fa altre considerazioni relative alla banda e alla dinamica di ingresso uscita molto interessanti. Come sempre bisogna vedere il progetto da più punti di vista, relativi al caso specifico, per farlo bene.Ciao,
Pietro.
-

PietroBaima
90,7k 7 12 13 - G.Master EY

- Messaggi: 12207
- Iscritto il: 12 ago 2012, 1:20
- Località: Londra
1
voti
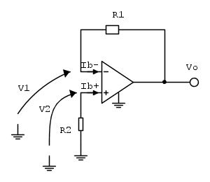
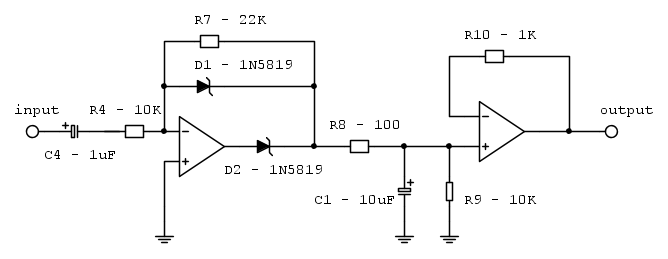
Grazie PietroBaima, di seguito riporto il circuito completo in cui in input viene inviato un segnale proveniente da un preampli microfonico:
questo circuito non è farina del mio sacco ma è tratto da uno schema di un circuito open hardware pubblicizzato dalla Spartfunk.
questo circuito non è farina del mio sacco ma è tratto da uno schema di un circuito open hardware pubblicizzato dalla Spartfunk.
7 messaggi
• Pagina 1 di 1
Chi c’è in linea
Visitano il forum: Nessuno e 346 ospiti

Elettrotecnica e non solo (admin)
Un gatto tra gli elettroni (IsidoroKZ)
Esperienza e simulazioni (g.schgor)
Moleskine di un idraulico (RenzoDF)
Il Blog di ElectroYou (webmaster)
Idee microcontrollate (TardoFreak)
PICcoli grandi PICMicro (Paolino)
Il blog elettrico di carloc (carloc)
DirtEYblooog (dirtydeeds)
Di tutto... un po' (jordan20)
AK47 (lillo)
Esperienze elettroniche (marco438)
Telecomunicazioni musicali (clavicordo)
Automazione ed Elettronica (gustavo)
Direttive per la sicurezza (ErnestoCappelletti)
EYnfo dall'Alaska (mir)
Apriamo il quadro! (attilio)
H7-25 (asdf)
Passione Elettrica (massimob)
Elettroni a spasso (guidob)
Bloguerra (guerra)


pigreco]=π
ho sbagliato a disegnarlo scusatemi:


