Purtroppo non ho a disposizione un oscilloscopio
Si rispetto a prima è più accettabile, comunque domani provo a mettere un condensatore da 220nF, credo di averne anche da 300nF per il ritardo di intervento non è molto importante
Grazie
Eccitare un teleruttore a una certa tensione Aiuto!!!!!
Moderatori:
carloc,
g.schgor,
BrunoValente,
IsidoroKZ
25 messaggi
• Pagina 3 di 3 • 1, 2, 3
0
voti
Ok, facci sapere.
Un'ultima curiosita' : ma i 30 integrati sono quelli buoni o quelli sostituiti perche' difettosi ?
Ed inoltre: per quale difetto tipico sono sostituiti cosi' frequentemente ?
Un'ultima curiosita' : ma i 30 integrati sono quelli buoni o quelli sostituiti perche' difettosi ?
Ed inoltre: per quale difetto tipico sono sostituiti cosi' frequentemente ?
0
voti
I 30 integrati che ho sono nuovi e li sostituisco negli UPS online che ritiro riparo e rivendo.
Li sostituisco perché alcune volte danno problemi con le tensioni rilevate in uscita che di solito sono più elevate rispetto a quelle impostate.
Li sostituisco perché alcune volte danno problemi con le tensioni rilevate in uscita che di solito sono più elevate rispetto a quelle impostate.
0
voti
Benissimo ! Sarebbe stato interessante vedere con un oscilloscopio la presenza o meno di disturbi sulla alimentazione a 3 volt, ad ogni modo se si e' risolto cosi' tanto meglio.
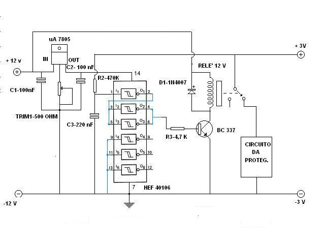
Ho riaggiornato lo schema con le ultime modifiche :
Saluti
ginfizz
Ho riaggiornato lo schema con le ultime modifiche :
Saluti
ginfizz
25 messaggi
• Pagina 3 di 3 • 1, 2, 3
Chi c’è in linea
Visitano il forum: Nessuno e 32 ospiti

Elettrotecnica e non solo (admin)
Un gatto tra gli elettroni (IsidoroKZ)
Esperienza e simulazioni (g.schgor)
Moleskine di un idraulico (RenzoDF)
Il Blog di ElectroYou (webmaster)
Idee microcontrollate (TardoFreak)
PICcoli grandi PICMicro (Paolino)
Il blog elettrico di carloc (carloc)
DirtEYblooog (dirtydeeds)
Di tutto... un po' (jordan20)
AK47 (lillo)
Esperienze elettroniche (marco438)
Telecomunicazioni musicali (clavicordo)
Automazione ed Elettronica (gustavo)
Direttive per la sicurezza (ErnestoCappelletti)
EYnfo dall'Alaska (mir)
Apriamo il quadro! (attilio)
H7-25 (asdf)
Passione Elettrica (massimob)
Elettroni a spasso (guidob)
Bloguerra (guerra)

