Ciao ragazzi, sono nuovo del forum, mi chiamo Francesco, ho 22 anni, sono perito Meccanico e sono di Pavia.
Ho iniziato con l'elettronica riparando semplici circuiti, e suonando la chitarra , costruendo semplici pedali. Sono passato poi agli amplificatori valvolari e da lì ho iniziato a modificarli in base alle mie esigenze.
E qui arriviamo alla mia domanda di oggi (non ho ancora realizzato uno schema.. sono ancora alla fase di "ideazione" del circuito).
Praticamente ho in mente di sdoppiare i controlli di volume, gain , bassi , medi e alti , per ognuno dei due canali del mio amplificatore (Bugera 6262, clone del Peavey 6505+); in questo modo , potendo selezionare quale "array" di potenziometri utilizzare , posso avere 2 serie di controlli per ogni canale, e utilizzando regolazioni molto diverse tra le due "modalità" posso praticamente sdoppiare ognuno dei due canali , arrivando ad avere 4 canali invece che 2.
Passando alla pratica l'idea era questa (la semplifico un po per arrivare alla mia domanda): per ogni potenziometro, vorrei collegare il comune del relè al circuito, e mettere un potenziometro su ognuno dei due scambi , in modo che all'attivazione del relè , mi cambi il potenziometro selezionato. Dato che per ogni canale ho 5 potenziometri (gain , volume , bassi , medi , alti) (che quindi diventano 10 dato che ho i doppi controlli), e dato che ho un relè per ogni coppia di potenziometri, risulta che ho 5 relè per canale.
Per semplificare il circuito ho pensato di utilizzare un array di transistor darlington (uln2803) per l'attivazione , dato che il segnale che li attiva non reggerebbe il carico di 5 relè. L'attivazione di questi relè, deve essere simultanea , e deve avvenire tramite l'accensione di un led, ovvero fino a che questo led rimane attivo , i relè rimangono eccitati (in questo modo semplifico di molto il sistema di controllo dei relè, dato che mi basta attivare quel led per attivare anche tutti i relè, facendo anche si di non modificare troppo l'elettronica dell'ampli). La domanda è: posso collegare il positivo del led ai 5 ingressi dell'uln2803 (in parallelo) , in modo che solamente attivando il led, attivo simultaneamente tutti e 5 gli ingressi dell'integrato, attivando di fatto tutti e 5 i relè?
Spero di essere stato chiaro.. purtroppo non ho ancora buttato giù uno schema, ma pensavo di farlo una volta fugati tutti i dubbi.
Grazie a tutti :)
Attivare ULN2803 con unico segnale
Moderatore:
IsidoroKZ
38 messaggi
• Pagina 1 di 4 • 1, 2, 3, 4
0
voti
0
voti
Cosi ?
Altrimenti fai uno schema di quello che intendi realizzare, cosi si capisce meglio.

Altrimenti fai uno schema di quello che intendi realizzare, cosi si capisce meglio.

0
voti
Precisamente!! È esattamente quello che devo fare.. avevo solo una preoccupazione: in tutti gli schemi che ho visto di esempio nessuno collegava relè diversi alle uscite pilotate da uno stesso segnale, quindi mi è venuto il dubbio che così facendo l'integrato assorbisse troppo, e che il led non avesse abbastanza corrente per accendersi (comunque è un led normale , non ad alta luminosità ).
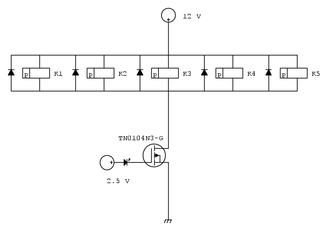
Io pensavo di alimentare l'integrato e i relè a 12v e per i segnali in ingresso, 2.5v di alimentazione del led.
Non dovrebbero esserci problemi giusto? (Sul datasheet davano come tensione di alimentazione massima 30v, e per gli ingressi di solito si usano i segnali di uscita dei microcontrollori a 3.3v quindi credo che i 2.5v del led vadano bene)
Grazie mille per l'aiuto
Io pensavo di alimentare l'integrato e i relè a 12v e per i segnali in ingresso, 2.5v di alimentazione del led.
Non dovrebbero esserci problemi giusto? (Sul datasheet davano come tensione di alimentazione massima 30v, e per gli ingressi di solito si usano i segnali di uscita dei microcontrollori a 3.3v quindi credo che i 2.5v del led vadano bene)
Grazie mille per l'aiuto

0
voti
Frenzi ha scritto:È esattamente quello che devo fare..
In questo modo la corrente di entrata per ciascun darlington interno è limitata anche dalla resistenza del LED (vedi alla sezione 9.2 del datasheet che ogni entrata ha già una resistenza di limitazione di corrente).
Frenzi ha scritto:Io pensavo di alimentare l'integrato e i relè a 12 V e per i segnali in ingresso, 2.5 V di alimentazione del LED.
Non ho capito molto bene, ma il problema è mio che non capisco i circuiti a parole. 2.5 V sono proprio il minimo richiesto.
Fai una cosa: lo schema esatto e completo di quello che hai intenzione di fare.
Ciao.
Simo
1
voti
Scusa se non ho postato lo schema ma purtroppo , anche se è molto ripetitivo, è un circuito abbastanza grosso (per i mei standard di grosso) e non ho molta manualità con i programmi di disegno elettronici. Tra l'altro ho visto che nelle regole del forum viene detto di usare fidocad, programma che non ho mai usato (per quel poco che faccio uso eagle perché ha molti componenti e posso organizzare il layout della PCB già pronto da stampare). Se riesco carico in allegato un disegno fatto velocemente a mano (faccio questo nei tempi morti al lavoro).. chiedo scusa per l'incorrettezza dello schema elettricamente parlando, ma purtroppo non è proprio il mio campo.. spero che si capisca (il circuito di controllo è come deve essere, mentre per la parte controllata dai relè ne ho disegnato solo 1 per far capire il funzionamento).
0
voti
Frenzi ha scritto:Ciao ragazzi, sono nuovo del forum, mi chiamo Francesco, ho 22 anni, sono perito Meccanico e sono di Pavia.
Innanzitutto, ciao Francesco e benvenuto in questa gabbia di matti
Frenzi ha scritto:...e utilizzando regolazioni molto diverse tra le due "modalità" posso praticamente sdoppiare ognuno dei due canali , arrivando ad avere 4 canali invece che 2.
Questa non é chiara; avrai 4 combinazioni di regolazioni audio diverse tra cui scegliere, ma sempre 2 canali
Frenzi ha scritto:...ho pensato di utilizzare un array di transistor darlington (uln2803) per l'attivazione
Mi sembra che cosi' ti complichi la vita: riassumento tu devi attivare 5 relé + 1 Led fornendo un solo segnale di comando (che tipo di comando? uno switch immagino, collegato al +12 V ).
Perché non invii il comando ad un modesto Mosfet (es. TN0104N3-G di Microchip, 40 V e 2 A, Euro 0.60 daTME) con i 5 rele' in parallelo (e il LED) sul Drain?
Te la cavi con 2 componenti attivi piu' semplici degli ULN.
Purtroppo non posso inserire schemi da questo PC; sarebbe piu' semplice che spiegare.
----
Poi, ci sarebbe una soluzione piu' bella, elettronicamente parlando, ovver usare degli switch analogici CMOS (es. i MAX4729 di Maxim), con risparmi anche economici (non servono driver) e di assorbimento rispetto ai 10 rele'.
Peccato solo che queste 'bestioline' siano molto piccole (SC70) e difficili da utilizzare per un quasi neofita.

Nemmeno gli Dei possono nulla contro la stupidità umana ?
0
voti
Per i canali.. ovvio che rimangono solo 2, però suonando alla fine è come averne 4 (cambiando eq e gain da canale a canale) cosa che fa veramente molto comodo.
Il led non so come sia comandato (non ho ancora lavorato sul curcuito dell'ampli) ma presumo che ci sia un microcontrollore più che un semplice switch dato che le impostazioni di riverbero e loop effetti vengono salvati da canale a canale. Quindi per semplicità e per non stravolgere l'ampli mi accontento di usare come segnale l'accensione del led.
Per il mosfet ci avevo pensato, ma mi piaceva di più l'integrato perché al suo interno integra anche i diodi in parallelo alla bobina del relè, quindi mi risparmiava un po di lavoro e spazio sulla PCB (ma alla fine pensandoci è abbastanza una cavolata.. anzi .. spreco più spazio con l'integrato) .
Inoltre da ignorante (fantasie della mia mente) non pensavo che un solo mosfet potesse pilotare tutti i relè.
Per il max4729.. mi sembra una soluzione molto bella.. per saldarli non c'e problema.. lavoro spesso su circuiti SMD e non ho particolari problemi (ho anche la stazione ad aria calda quindi no problem).. diciamo che sono ignorante sulla teoria ma un po meno nella pratica. l'unica cosa che mi lascia perplesso (sempre per colpa della mia famosa ignoranza ) è che i segnali che devono passare in questi circuiti fanno parte di un pre ad alto guadagno, quindi se la parte di controllo non è ben isolata da quella controllata rischio che si sentano ronzii e altre scocciature (mentre con i relè questo non mi è mai successo) e soprattutto che vengano amplificati parecchio dal finale.
P.s.ho fatto una rapida ricerca online, e, mentre tutti gli altri componenti li trovo facilmente, il max4729 non sono riuscito a reperirlo
Il led non so come sia comandato (non ho ancora lavorato sul curcuito dell'ampli) ma presumo che ci sia un microcontrollore più che un semplice switch dato che le impostazioni di riverbero e loop effetti vengono salvati da canale a canale. Quindi per semplicità e per non stravolgere l'ampli mi accontento di usare come segnale l'accensione del led.
Per il mosfet ci avevo pensato, ma mi piaceva di più l'integrato perché al suo interno integra anche i diodi in parallelo alla bobina del relè, quindi mi risparmiava un po di lavoro e spazio sulla PCB (ma alla fine pensandoci è abbastanza una cavolata.. anzi .. spreco più spazio con l'integrato) .
Inoltre da ignorante (fantasie della mia mente) non pensavo che un solo mosfet potesse pilotare tutti i relè.
Per il max4729.. mi sembra una soluzione molto bella.. per saldarli non c'e problema.. lavoro spesso su circuiti SMD e non ho particolari problemi (ho anche la stazione ad aria calda quindi no problem).. diciamo che sono ignorante sulla teoria ma un po meno nella pratica. l'unica cosa che mi lascia perplesso (sempre per colpa della mia famosa ignoranza ) è che i segnali che devono passare in questi circuiti fanno parte di un pre ad alto guadagno, quindi se la parte di controllo non è ben isolata da quella controllata rischio che si sentano ronzii e altre scocciature (mentre con i relè questo non mi è mai successo) e soprattutto che vengano amplificati parecchio dal finale.
P.s.ho fatto una rapida ricerca online, e, mentre tutti gli altri componenti li trovo facilmente, il max4729 non sono riuscito a reperirlo
0
voti
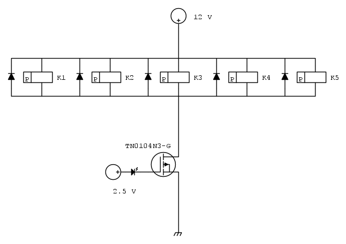
Ho provato a fare il circuito con il mosfet con fidocadj.. Così dovrebbe funzionare no?
Il problema è che anche questo Mosfet faccio fatica a trovarlo.. Ne su Rs ne sulla baia.. voi sapete dove potrei recuperarlo?
Grazie a tutti
Il problema è che anche questo Mosfet faccio fatica a trovarlo.. Ne su Rs ne sulla baia.. voi sapete dove potrei recuperarlo?
Grazie a tutti
0
voti
Continuo a non capire perché ti vuoi attaccare all'anodo del LED o collgarti in serie ad esso..
L'ultimo circuito che hai postato ha tutta l'aria di non funzionare come credi, il LED non si accende..
L'ultimo circuito che hai postato ha tutta l'aria di non funzionare come credi, il LED non si accende..
0
voti
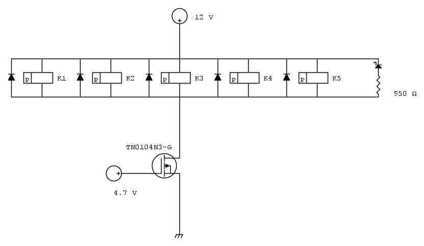
Ho appena aperto l'ampli, e sono risalito al segnale che accende i led ( a monte delle varie resistenze) :la tensione è di 4,7 v , quindi utilizzo direttamente quel segnale e i led (ho scoperto che sono due e non uno come credevo) li lascio accendere per conto loro.. Ho comunque rifatto il circuito nel caso dovessi far accendere il famoso led.
38 messaggi
• Pagina 1 di 4 • 1, 2, 3, 4
Torna a Elettronica e spettacolo
Chi c’è in linea
Visitano il forum: Nessuno e 8 ospiti

Elettrotecnica e non solo (admin)
Un gatto tra gli elettroni (IsidoroKZ)
Esperienza e simulazioni (g.schgor)
Moleskine di un idraulico (RenzoDF)
Il Blog di ElectroYou (webmaster)
Idee microcontrollate (TardoFreak)
PICcoli grandi PICMicro (Paolino)
Il blog elettrico di carloc (carloc)
DirtEYblooog (dirtydeeds)
Di tutto... un po' (jordan20)
AK47 (lillo)
Esperienze elettroniche (marco438)
Telecomunicazioni musicali (clavicordo)
Automazione ed Elettronica (gustavo)
Direttive per la sicurezza (ErnestoCappelletti)
EYnfo dall'Alaska (mir)
Apriamo il quadro! (attilio)
H7-25 (asdf)
Passione Elettrica (massimob)
Elettroni a spasso (guidob)
Bloguerra (guerra)






