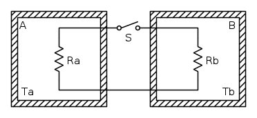
A seguito di un intervento in un altro thread, mi sono posto alcune domande sul trasferimento energetico tra sistemi isolati ad opera del rumore termico. Consideriamo quanto visibile in figura.
A e B sono due ambienti adiabatici con temperature Ta e Tb, diverse tra loro. Ra e Rb sono resistori in equilibrio termico con il proprio ambiente, soggetti all’effetto Johnson. Fino a quando S è aperto, non vi è alcuna interazione tra A e B e le variabili di stato del sistema restano invariate.
Alla chiusura di S, la sorgente di rumore termico contenuta in A vede un carico costituito dalla serie dei due resistori. Contemporaneamente, anche la sorgente di rumore termico contenuta in B vede lo stesso carico ai suoi capi.
L’effetto è che parte della potenza di rumore viene dissipata all’interno dello stesso ambiente che l’ha generata, ma parte viene dissipata nell’ambiente opposto. Si ha quindi passaggio energetico da un ambiente all’altro. Di conseguenza, la temperatura dell’ambiente generatore tende a scendere, mentre quella dell’ambiente opposto a salire.
Essendoci generatori in entrambi gli ambienti, lo scambio energetico è reciproco. Ciò che però è fondamentale considerare, è che il trasferimento energetico è direttamente proporzionale alla temperatura assoluta del generatore e che quindi più calda è la sorgente e più questa tenderà a trasferire energia all’altra parte.
Quanto descritto sopra porta inevitabilmente a concludere che a seguito della chiusura di S, in un tempo dipendente dalla banda passante del collegamento elettrico, si giunge all’equilibrio termico tra i due ambienti.
C’è qualcosa che mi è sfuggito?
Equilibrio per rumore termico
Moderatori:
IsidoroKZ,
PietroBaima,
Ianero
25 messaggi
• Pagina 1 di 3 • 1, 2, 3
0
voti
A parte le possibili considerazioni su cosa abbia causato questa tua deriva filosofica
in questo caso non vedo quale sia il problema, essendoci un filo i due sistemi non sono più isolati ed è giusto che tendano a portarsi alla stessa temperatura.
Non vedo nessuna violazione e dirò di più: se il filo conduce corrente conduce anche calore...quindi oltre ad aggiungere un altro contributo al trasporto di energia, se non lo isoli scaldi pure l'ambiente esterno
in questo caso non vedo quale sia il problema, essendoci un filo i due sistemi non sono più isolati ed è giusto che tendano a portarsi alla stessa temperatura.
Non vedo nessuna violazione e dirò di più: se il filo conduce corrente conduce anche calore...quindi oltre ad aggiungere un altro contributo al trasporto di energia, se non lo isoli scaldi pure l'ambiente esterno
0
voti
angel99 ha scritto:C’è qualcosa che mi è sfuggito?
Ma nel circuito proposto da
0
voti
simo85 ha scritto:Ma nel circuito proposto daDirtyDeeds c'è il diodo ideale. Nel tuo no.
Infatti questo circuito è diverso. La questione mi ha stuzzicato parecchio e credo valga un'analisi approfondita.
richiurci ha scritto:se il filo conduce corrente conduce anche calore
richiurci, non banalizzare o aggiungere... rumore!
Se si considerano in ipotesi i due ambienti come adiabatici, ogni trasferimento termico è escluso a priori.
0
voti
Nel circuito disegnato in [1] sapresti calcolare la potenza che a un generico istante di tempo il resistore Ra trasferisce a Rb e quella che Rb trasferisce a Ra?
It's a sin to write
instead of
(Anonimo).
...'cos you know that
ain't
, right?
You won't get a sexy tan if you write
in lieu of
.
Take a log for a fireplace, but don't take
for
arithm.
instead of
(Anonimo)....'cos you know that
ain't
, right?You won't get a sexy tan if you write
in lieu of
.Take a log for a fireplace, but don't take
for
arithm.-

DirtyDeeds
55,9k 7 11 13 - G.Master EY

- Messaggi: 7012
- Iscritto il: 13 apr 2010, 16:13
- Località: Somewhere in nowhere
0
voti
DirtyDeeds ha scritto:Nel circuito disegnato in [1] sapresti calcolare la potenza che a un generico istante di tempo il resistore Ra trasferisce a Rb e quella che Rb trasferisce a Ra?
Senza dubbio.
E' necessario stabilire la banda passante elettrica per semplificare la questione (semplificarla dal punto di vista analitico, non da quello fisico).
Se non si inserisce la limitazione di banda bisogna ricorrere al modello quantistico che è ben più complesso, ma che alla fine fornisce gli stessi risultati.
2
voti
angel99 ha scritto:E' necessario stabilire la banda passante elettrica per semplificare la questione (semplificarla dal punto di vista analitico, non da quello fisico).
No, non serve.
It's a sin to write
instead of
(Anonimo).
...'cos you know that
ain't
, right?
You won't get a sexy tan if you write
in lieu of
.
Take a log for a fireplace, but don't take
for
arithm.
instead of
(Anonimo)....'cos you know that
ain't
, right?You won't get a sexy tan if you write
in lieu of
.Take a log for a fireplace, but don't take
for
arithm.-

DirtyDeeds
55,9k 7 11 13 - G.Master EY

- Messaggi: 7012
- Iscritto il: 13 apr 2010, 16:13
- Località: Somewhere in nowhere
5
voti
angel99 ha scritto:Fallo tu, allora.
No, non credo: non sono io che ho fatto la domanda in [1].
It's a sin to write
instead of
(Anonimo).
...'cos you know that
ain't
, right?
You won't get a sexy tan if you write
in lieu of
.
Take a log for a fireplace, but don't take
for
arithm.
instead of
(Anonimo)....'cos you know that
ain't
, right?You won't get a sexy tan if you write
in lieu of
.Take a log for a fireplace, but don't take
for
arithm.-

DirtyDeeds
55,9k 7 11 13 - G.Master EY

- Messaggi: 7012
- Iscritto il: 13 apr 2010, 16:13
- Località: Somewhere in nowhere
25 messaggi
• Pagina 1 di 3 • 1, 2, 3
Chi c’è in linea
Visitano il forum: Nessuno e 15 ospiti

Elettrotecnica e non solo (admin)
Un gatto tra gli elettroni (IsidoroKZ)
Esperienza e simulazioni (g.schgor)
Moleskine di un idraulico (RenzoDF)
Il Blog di ElectroYou (webmaster)
Idee microcontrollate (TardoFreak)
PICcoli grandi PICMicro (Paolino)
Il blog elettrico di carloc (carloc)
DirtEYblooog (dirtydeeds)
Di tutto... un po' (jordan20)
AK47 (lillo)
Esperienze elettroniche (marco438)
Telecomunicazioni musicali (clavicordo)
Automazione ed Elettronica (gustavo)
Direttive per la sicurezza (ErnestoCappelletti)
EYnfo dall'Alaska (mir)
Apriamo il quadro! (attilio)
H7-25 (asdf)
Passione Elettrica (massimob)
Elettroni a spasso (guidob)
Bloguerra (guerra)



