Alimentazione da singola a duale
Moderatori:
carloc,
g.schgor,
BrunoValente,
IsidoroKZ
17 messaggi
• Pagina 2 di 2 • 1, 2
0
voti
Scopo principale della nostra vita , è dare prosieguo alla vita , come tutti gli esseri viventi fanno.
1
voti
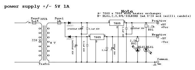
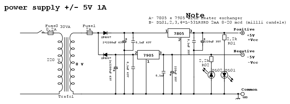
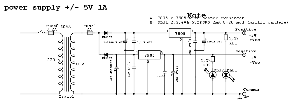
lo schema del post sopra è sbagliato , il 7905 non ha la stessa piedinatura del 7805, è un errore nel qualse sono incappato anche io tempo fa:
la piedinatura del 7905 è questa:
http://www.datasheetdir.com/SE7905+Line ... Regulators
la piedinatura del 7905 è questa:
http://www.datasheetdir.com/SE7905+Line ... Regulators
0
voti
davemad ha scritto:lo schema del post sopra è sbagliato ,
Lo schema ha un errore , non è sbagliato , girare il pn 1 con 2 del 7905. Il pin 1 è a GND , massa.
Scopo principale della nostra vita , è dare prosieguo alla vita , come tutti gli esseri viventi fanno.
0
voti
Alla fine ho rimediato due vecchi alimentatori da 15V che avevo in casa e utilizzando un circuito con un regolatore 7812 e un 7912 ho ottenuto i miei +12V e -12V per alimentare gli amplificatori operazionali 
17 messaggi
• Pagina 2 di 2 • 1, 2
Chi c’è in linea
Visitano il forum: Nessuno e 132 ospiti

Elettrotecnica e non solo (admin)
Un gatto tra gli elettroni (IsidoroKZ)
Esperienza e simulazioni (g.schgor)
Moleskine di un idraulico (RenzoDF)
Il Blog di ElectroYou (webmaster)
Idee microcontrollate (TardoFreak)
PICcoli grandi PICMicro (Paolino)
Il blog elettrico di carloc (carloc)
DirtEYblooog (dirtydeeds)
Di tutto... un po' (jordan20)
AK47 (lillo)
Esperienze elettroniche (marco438)
Telecomunicazioni musicali (clavicordo)
Automazione ed Elettronica (gustavo)
Direttive per la sicurezza (ErnestoCappelletti)
EYnfo dall'Alaska (mir)
Apriamo il quadro! (attilio)
H7-25 (asdf)
Passione Elettrica (massimob)
Elettroni a spasso (guidob)
Bloguerra (guerra)








