Cos'è ElectroYou | Login Iscriviti

ElectroYou - la comunità dei professionisti del mondo elettrico

Circuito del secondo ordine

Circuiti, campi elettromagnetici e teoria delle linee di trasmissione e distribuzione dell’energia elettrica

Moderatori: Foto Utenteg.schgor, Foto UtenteIsidoroKZ

0
voti

[1] Circuito del secondo ordine

Messaggioda Foto Utentegenny92c » 21 giu 2015, 19:20

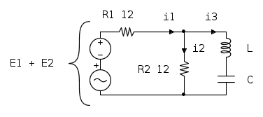
Salve, ho un problema con il seguente circuito



Innanzitutto specifico che il secondo generatore, E2, ha valore E2=240mV cos(200t+pi/4) (il generatore è sinusioidale)
Non sono molto pratico con fico, per cui vi specifico in maniera scritta che le due tensioni di E1 e E2 vanno rispettivamente "verso l'alto" e "verso destra". (scusate il metodo barbaro :( )

Il circuito è a regime per t<0, quando l'interruttore è aperto, ed in evoluzione libera per t>0 quando l'interruttore è chiuso.
L'esercizio mi chiede di trovare l'andamento di i2. Per t<0 l'esercizio è banale, ma per t>0 ho qualche difficoltà ad impostarlo, mi dareste una mano?
Avatar utente
Foto Utentegenny92c
5 2
 
Messaggi: 16
Iscritto il: 26 mar 2015, 12:00

0
voti

[2] Re: Circuito del secondo ordine

Messaggioda Foto Utentesimo85 » 21 giu 2015, 20:02

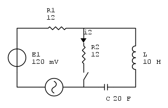
Per t > 0 Il circuito ovviamente diventa questo:



Ora ... se puoi usare i fasori è meglio :mrgreen: .. altrimenti devi scrivere il sistema di equazioni tenendo in conto che la corrente che circola nell'induttore è la stessa che circola nel condensatore.
Avatar utente
Foto Utentesimo85
30,9k 7 12 13
Disattivato su sua richiesta
 
Messaggi: 9927
Iscritto il: 30 ago 2010, 4:59

0
voti

[3] Re: Circuito del secondo ordine

Messaggioda Foto Utentegenny92c » 21 giu 2015, 20:08

Il metodo fasoriale non è applicabile solamente quando il circuito è a regime?
Io ho cercato di svolgerlo attraverso il metodo delle equazioni differenziali, ma è proprio qui che non riesco a procedere
Avatar utente
Foto Utentegenny92c
5 2
 
Messaggi: 16
Iscritto il: 26 mar 2015, 12:00

0
voti

[4] Re: Circuito del secondo ordine

Messaggioda Foto Utentegenny92c » 21 giu 2015, 20:23

In sostanza non riesco a scrivere l'equazione differenziale completa del circuito.
Mi dispiace se non sono molto chiaro, ma ho un gran mal di testa e come al solito prima di un esame non mi riesce più nulla e iniziano a sorgermi dubbi di ogni tipo #-o
Avatar utente
Foto Utentegenny92c
5 2
 
Messaggi: 16
Iscritto il: 26 mar 2015, 12:00

1
voti

[5] Re: Circuito del secondo ordine

Messaggioda Foto Utentemaik91 » 21 giu 2015, 20:40

Scusa ma non aveva detto che a t>0 il circuito era in evoluzione libera? Quindi siccome ci sono due generatori di tensione dovrebbe essere questo il circuito da individuare le equazioni differenziali

Dopo aver fatto il parallelo tra R_1 ed R_2 noti che hai un circuito RLC serie

Questo significa stessa corrente che circola, e che la somma delle loro tensioni fa zero:

R_{eq}i_l=V_r_{eq} \hspace{1cm} \frac{Ldi_l}{dt}=V_l \hspace{1cm} \frac{CdV_c}{dt}=i_l

Sapendo che ci serve la tensione del condensatore (e non la sua derivata) Integro rispetto al tempo a sinistra e a destra e trovo che V_c=\frac{1}{C}\int{i_l \hspace{2mm} dt}

Infine avendo quell'integrale nella nostra equazione finale delle tensioni deriviamo tutto nel tempo e avermo:
\frac{d^2i_l}{dt^2}+\frac{R}{L}\frac{di_l}{dt}+\frac{1}{LC}i_l=0
Che risolverai (se ho fatto bene i calcoli) nella forma i_l(t)=c_1e^{-k_1t}+c_2e^{-k_2t}
Trovandoti l'equazione cercata (i valori di c_1 e c_2) con il problema di cauchy eguagliandola con il valore della corrente dell'induttore a zero, ed il valore della derivata della corrente dell'induttore a zero. :-)
Avatar utente
Foto Utentemaik91
15 3
 
Messaggi: 27
Iscritto il: 19 giu 2015, 12:52

0
voti

[6] Re: Circuito del secondo ordine

Messaggioda Foto Utentesimo85 » 21 giu 2015, 20:42

oops. Datemi un punto negativo per la papera che ho scritto in 2. Grazie, che me ne merito qualcuno.
Avatar utente
Foto Utentesimo85
30,9k 7 12 13
Disattivato su sua richiesta
 
Messaggi: 9927
Iscritto il: 30 ago 2010, 4:59

0
voti

[7] Re: Circuito del secondo ordine

Messaggioda Foto Utentemaik91 » 21 giu 2015, 20:50

Credo di aver fatto giusto no Simo? Ovviamente siamo in un forum, ci correggiamo a vicenda per aiutarci :)
Avatar utente
Foto Utentemaik91
15 3
 
Messaggi: 27
Iscritto il: 19 giu 2015, 12:52

0
voti

[8] Re: Circuito del secondo ordine

Messaggioda Foto Utentesimo85 » 21 giu 2015, 20:53

Si si, solo che non ho fatto caso a quando ha scritto che è in evoluzione libera per t > 0.

Oggi ho finito le munizioni. Domani ti ricarico per la correzione.. :mrgreen:
Avatar utente
Foto Utentesimo85
30,9k 7 12 13
Disattivato su sua richiesta
 
Messaggi: 9927
Iscritto il: 30 ago 2010, 4:59

0
voti

[9] Re: Circuito del secondo ordine

Messaggioda Foto Utentegenny92c » 21 giu 2015, 21:30

maik, ti ringrazio infinitamente. Ero consapevole che quello fosse semplicemente un rlc serie, ma non so come mi sono bloccato :D
Avatar utente
Foto Utentegenny92c
5 2
 
Messaggi: 16
Iscritto il: 26 mar 2015, 12:00


Torna a Elettrotecnica generale

Chi c’è in linea

Visitano il forum: Nessuno e 22 ospiti