Salve a tutti
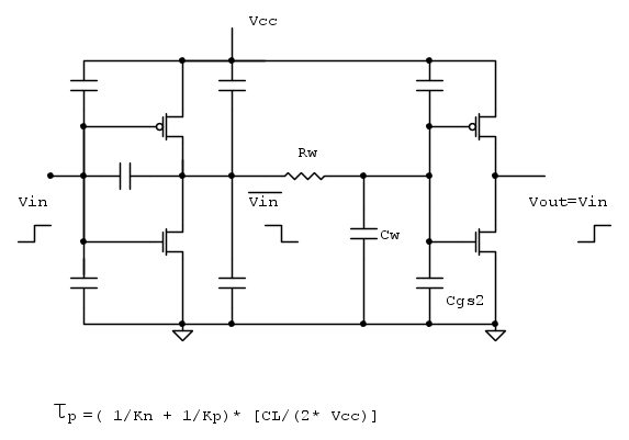
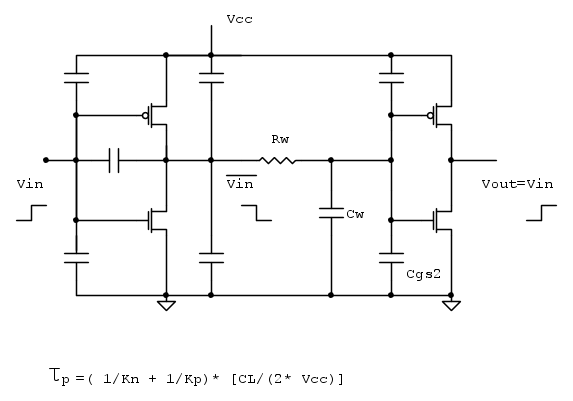
Supponendo il caso in figura che modella collegamento tra due buffer
Il ritardo che il bus genera sulla propagazione del segnale viene calcolato come
tao= Rw * Cw
Il dubbio è : non si considera nel tao anche la capacità di ingresso del buffer 2 oltre che quella Cw del bus?
Dubbio sul modello a parametri concentrati di un Bus
Moderatori:
carloc,
g.schgor,
BrunoValente,
IsidoroKZ
6 messaggi
• Pagina 1 di 1
0
voti
Ultima modifica di
gotthard il 23 giu 2015, 16:13, modificato 1 volta in totale.
Motivazione: Inseriti tag di FidoCadJ :)
Motivazione: Inseriti tag di FidoCadJ :)
-

andreacircuit9
93 1 2 - Messaggi: 49
- Iscritto il: 10 mag 2013, 19:49
0
voti
a ok
E se avessi un inverter invece?
devo considerare la capacità di gate dei due MOS?
Cioè non è sempre che vale tao = Rw*Cw giusto? non bisogna vedere cosa c'è a valle dell'ultimo stadio?
E se avessi un inverter invece?
devo considerare la capacità di gate dei due MOS?
Cioè non è sempre che vale tao = Rw*Cw giusto? non bisogna vedere cosa c'è a valle dell'ultimo stadio?
-

andreacircuit9
93 1 2 - Messaggi: 49
- Iscritto il: 10 mag 2013, 19:49
4
voti
andreacircuit9 ha scritto: non bisogna vedere cosa c'è a valle dell'ultimo stadio?
Si tratta sempre di capire se stai vivendo nel mondo "reale" oppure in quello "ideale" !
Se sei nel mondo reale devi tenere conto di tutti i parametri equivalenti (parassiti e non ) che si trovano all'interno del componente reale.
Ciao
Giorgio
-

giorgio25760
2.310 1 3 5 - G.Master EY

- Messaggi: 1700
- Iscritto il: 6 dic 2009, 17:02
- Località: Brescia
0
voti
andreacircuit9 ha scritto:
devo considerare la capacità di gate dei due MOS?
Cioè non è sempre che vale tao = Rw*Cw giusto? non bisogna vedere cosa c'è a valle dell'ultimo stadio?
Il buffer reale ha un'impedenza molto grande, ma non infinita. Di solito influisce poco, trascurabile. Poi, se vuoi precisione devi considerare tutto.
0
voti
Ok, supponendo il caso reale su cui agiscono i contributi delle capacità parassite degli inverter dove CL né rappresneta la somma di tutti i contributi.
Il tao della formula è il tempo di propagazione affinchè CL venga caricata e scaricata.
In questo caso il ritardo generato dalla connessione tra i due inverter da chi viene dato? come potrei calcolarlo? quali considerazioni dovrei fare? La Cw pesa maggiormente nel calcolo?
Il tao della formula è il tempo di propagazione affinchè CL venga caricata e scaricata.
In questo caso il ritardo generato dalla connessione tra i due inverter da chi viene dato? come potrei calcolarlo? quali considerazioni dovrei fare? La Cw pesa maggiormente nel calcolo?
-

andreacircuit9
93 1 2 - Messaggi: 49
- Iscritto il: 10 mag 2013, 19:49
6 messaggi
• Pagina 1 di 1
Chi c’è in linea
Visitano il forum: Google [Bot] e 421 ospiti

Elettrotecnica e non solo (admin)
Un gatto tra gli elettroni (IsidoroKZ)
Esperienza e simulazioni (g.schgor)
Moleskine di un idraulico (RenzoDF)
Il Blog di ElectroYou (webmaster)
Idee microcontrollate (TardoFreak)
PICcoli grandi PICMicro (Paolino)
Il blog elettrico di carloc (carloc)
DirtEYblooog (dirtydeeds)
Di tutto... un po' (jordan20)
AK47 (lillo)
Esperienze elettroniche (marco438)
Telecomunicazioni musicali (clavicordo)
Automazione ed Elettronica (gustavo)
Direttive per la sicurezza (ErnestoCappelletti)
EYnfo dall'Alaska (mir)
Apriamo il quadro! (attilio)
H7-25 (asdf)
Passione Elettrica (massimob)
Elettroni a spasso (guidob)
Bloguerra (guerra)



