A me interessa solo il modulo delle armoniche.
Riguardo agli operazionali tutto quello che so è quello fatto al corso di elettronica, che è poco, e di sicuro niente di pratico.
Inoltre il problema con i trasformatori è che quasi tutti abbassano la tensione da 230 a 100 V, che è lo standard,
quindi anche usandone uno dovrei poi abbassare ulteriormente la tensione ( a meno che non ordini un trasformatore su misura, adatto alle mie esigenze, con un costo che sarebbe probabilmente molto elevato).
Analizzatore armonico
Moderatori:
carloc,
g.schgor,
BrunoValente,
IsidoroKZ
28 messaggi
• Pagina 2 di 3 • 1, 2, 3
2
voti
Potresti utilizzare un trasformatore toroidale.
Di solito hanno una banda passante piuttosto elevata, considerando che la tua armonica più alta è a 650Hz, dovresti cavartela.
Naturalmente devi cartterizzare il trasformatore prima della misura per poterne tenere conto.
Se vuoi fare le cose ancora meglio, dovresti procurarti un trasformatore del tipo "per diffusione audio".
Sono trasformatori il cui primario è tranquillamente a 200-250V ed al suo secondario vengono collegate trombe o diffusori di vario tipo. ( a tensione ben più bassa)
Non costano molto e sono di facile reperibilità in negozi che si occupino di amplificazione sonora
(per fruttivendoli ambulanti !
)
Ciao
Giorgio
Di solito hanno una banda passante piuttosto elevata, considerando che la tua armonica più alta è a 650Hz, dovresti cavartela.
Naturalmente devi cartterizzare il trasformatore prima della misura per poterne tenere conto.
Se vuoi fare le cose ancora meglio, dovresti procurarti un trasformatore del tipo "per diffusione audio".
Sono trasformatori il cui primario è tranquillamente a 200-250V ed al suo secondario vengono collegate trombe o diffusori di vario tipo. ( a tensione ben più bassa)
Non costano molto e sono di facile reperibilità in negozi che si occupino di amplificazione sonora
(per fruttivendoli ambulanti !
)Ciao
Giorgio
-

giorgio25760
2.310 1 3 5 - G.Master EY

- Messaggi: 1700
- Iscritto il: 6 dic 2009, 17:02
- Località: Brescia
0
voti
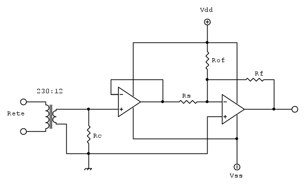
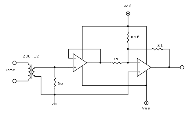
Io proporrei (nella mia ignoranza
) una soluzione di questo tipo:
Con Rc presa in modo che il trasformatore presenti in uscita la sua tensione nominale (12V nell'esempio ma 5 sarebbero ancora meglio) e poi Rs e Rof scelte in modo da portare a 5 vpp il segnale in uscita allo stadio sommatore fra 0 e 5V (con, quindi, un offset di 2,5V ).
Potrebbe andare?
Con Rc presa in modo che il trasformatore presenti in uscita la sua tensione nominale (12V nell'esempio ma 5 sarebbero ancora meglio) e poi Rs e Rof scelte in modo da portare a 5 vpp il segnale in uscita allo stadio sommatore fra 0 e 5V (con, quindi, un offset di 2,5V ).
Potrebbe andare?
1
voti
Non mi pare che vada perche' 12V di tensione efficace in uscita fanno 17V di tensione di picco e il primo operazionale probabilmente non ce la fa ad amplificarlo. Inoltre la resistenza Rc per caricare il trasformatore potrebbe non essere una buona idea per la banda passante, ma dipende dal trasformatore e dai suoi parametri parassiti.
Il secondo stadio deve sommare una tensione positiva all'uscita: se entri in quel modo sommi una tensione negativa. Inoltre il circuito richiede una doppia tensione di alimentazione, che potrebbe essere scomoda, sarebbe meglio alimentare gli operazionali fra 0V e 5V, usando dei rail to rail, cosi` anche se ci sono delle sovratensioni all'ingresso (e ci sono!) non si rischia di danneggiare il micro.
Stavo aspettando di trovare un momento di tempo e un trasformatore per caratterizzarlo ad "alta frequenza", per poi proporre un circuito di quel genere.
Il secondo stadio deve sommare una tensione positiva all'uscita: se entri in quel modo sommi una tensione negativa. Inoltre il circuito richiede una doppia tensione di alimentazione, che potrebbe essere scomoda, sarebbe meglio alimentare gli operazionali fra 0V e 5V, usando dei rail to rail, cosi` anche se ci sono delle sovratensioni all'ingresso (e ci sono!) non si rischia di danneggiare il micro.
Stavo aspettando di trovare un momento di tempo e un trasformatore per caratterizzarlo ad "alta frequenza", per poi proporre un circuito di quel genere.
Per usare proficuamente un simulatore, bisogna sapere molta più elettronica di lui
Plug it in - it works better!
Il 555 sta all'elettronica come Arduino all'informatica! (entrambi loro malgrado)
Se volete risposte rispondete a tutte le mie domande
Plug it in - it works better!
Il 555 sta all'elettronica come Arduino all'informatica! (entrambi loro malgrado)
Se volete risposte rispondete a tutte le mie domande
0
voti
IsidoroKZ ha scritto:Non mi pare che vada perche' 12 V di tensione efficace in uscita fanno 17V di tensione di picco e il primo operazionale probabilmente non ce la fa ad amplificarlo.
Sì 12v era un esempio (la prima tensione bassa che mi è venuta in mente) era giusto per spiegare il funzionamento.
IsidoroKZ ha scritto:Il secondo stadio deve sommare una tensione positiva all'uscita: se entri in quel modo sommi una tensione negativa. Inoltre il circuito richiede una doppia tensione di alimentazione, che potrebbe essere scomoda, sarebbe meglio alimentare gli operazionali fra 0V e 5 V, usando dei rail to rail, cosi` anche se ci sono delle sovratensioni all'ingresso (e ci sono!) non si rischia di danneggiare il micro.
Hai ragione
Ed effettivamente la tensione singola da 5V è più pratica in questo caso
1
voti
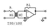
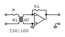
Credo che così potrebbe avere una risposta in frequenza più indipendente dalle caratteristiche del trasformatore, essendo questo cortocircuitato al secondario.
La tensione di ingresso cadrebbe tutta su R (trascurando l'induttanza dispersa)
La tensione di ingresso cadrebbe tutta su R (trascurando l'induttanza dispersa)
-

BrunoValente
39,6k 7 11 13 - G.Master EY

- Messaggi: 7796
- Iscritto il: 8 mag 2007, 14:48
2
voti
Direi che cosi` sia peggio perche' applichi una tensione direttamente all'operazionale, che si schianta. Anche se ce la facesse, quando il trasfo lavora in corto ha le impedenze di dispersione in serie all'uscita, che determinano la funzione di trasferimento fra tensione di ingresso e corrente di cortocircuito.
Ho provato la settimana scorsa a misurare la funzione di trasferimento di un trasformatore 230V-12V poche decine di voltampere. La banda fra 50Hz e 10kHz con uscita a vuoto e` praticamente piatta, entro 0.2dB, la fase gira di circa 5 gradi. Ma c'e` il guaio: la misura l'ho fatta a livelli di tensione molto bassi, ho tutto il laboratorio sottosopra per lavori di muratura, non sono riuscito e mettere su un set up per provarlo a tensioni piu` alte.
Ho provato la settimana scorsa a misurare la funzione di trasferimento di un trasformatore 230V-12V poche decine di voltampere. La banda fra 50Hz e 10kHz con uscita a vuoto e` praticamente piatta, entro 0.2dB, la fase gira di circa 5 gradi. Ma c'e` il guaio: la misura l'ho fatta a livelli di tensione molto bassi, ho tutto il laboratorio sottosopra per lavori di muratura, non sono riuscito e mettere su un set up per provarlo a tensioni piu` alte.
Per usare proficuamente un simulatore, bisogna sapere molta più elettronica di lui
Plug it in - it works better!
Il 555 sta all'elettronica come Arduino all'informatica! (entrambi loro malgrado)
Se volete risposte rispondete a tutte le mie domande
Plug it in - it works better!
Il 555 sta all'elettronica come Arduino all'informatica! (entrambi loro malgrado)
Se volete risposte rispondete a tutte le mie domande
0
voti
IsidoroKZ ha scritto:Direi che cosi` sia peggio perche' applichi una tensione direttamente all'operazionale, che si schianta...
Ma la R di ingresso è alta quanto serve, praticamente il trasformatore trasforma la corrente non la tensione e quindi pompa corrente in ingresso all'operazionale, o forse mi sfugge qualcosa.
-

BrunoValente
39,6k 7 11 13 - G.Master EY

- Messaggi: 7796
- Iscritto il: 8 mag 2007, 14:48
0
voti
Stiamo parlando di due circuiti diversi :). Io intendevo il trasfomatore collegato con il primario alla rete dato che deve misurare la tensione di rete e misurarne lo spettro.
Per usare proficuamente un simulatore, bisogna sapere molta più elettronica di lui
Plug it in - it works better!
Il 555 sta all'elettronica come Arduino all'informatica! (entrambi loro malgrado)
Se volete risposte rispondete a tutte le mie domande
Plug it in - it works better!
Il 555 sta all'elettronica come Arduino all'informatica! (entrambi loro malgrado)
Se volete risposte rispondete a tutte le mie domande
1
voti
Evidentemente sì
, io intendevo cortocircuitare il secondario collegandolo direttamente tra riferimento e ingresso non invertente (virtual ground), in questo modo guardando dentro al primario pure si vede un cortocircuito, per cui la tensione di ingresso 230V cade tutta sulla R e quindi la corrente nel primario dipende solo da R.
L'operazionale poi converte la corrente secondaria in tensione e quindi alla fine la tensione di uscita è proporzionale alla tensione di ingresso.

Ho disegnato un trasf. 230/100 solo perché dice di averlo già
L'operazionale poi converte la corrente secondaria in tensione e quindi alla fine la tensione di uscita è proporzionale alla tensione di ingresso.

Ho disegnato un trasf. 230/100 solo perché dice di averlo già
-

BrunoValente
39,6k 7 11 13 - G.Master EY

- Messaggi: 7796
- Iscritto il: 8 mag 2007, 14:48
28 messaggi
• Pagina 2 di 3 • 1, 2, 3
Chi c’è in linea
Visitano il forum: Nessuno e 28 ospiti

Elettrotecnica e non solo (admin)
Un gatto tra gli elettroni (IsidoroKZ)
Esperienza e simulazioni (g.schgor)
Moleskine di un idraulico (RenzoDF)
Il Blog di ElectroYou (webmaster)
Idee microcontrollate (TardoFreak)
PICcoli grandi PICMicro (Paolino)
Il blog elettrico di carloc (carloc)
DirtEYblooog (dirtydeeds)
Di tutto... un po' (jordan20)
AK47 (lillo)
Esperienze elettroniche (marco438)
Telecomunicazioni musicali (clavicordo)
Automazione ed Elettronica (gustavo)
Direttive per la sicurezza (ErnestoCappelletti)
EYnfo dall'Alaska (mir)
Apriamo il quadro! (attilio)
H7-25 (asdf)
Passione Elettrica (massimob)
Elettroni a spasso (guidob)
Bloguerra (guerra)




