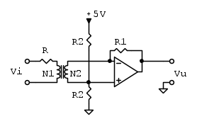
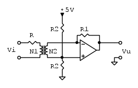
Se poi si polarizza un lato del secondario a 2.5V, si ha anche l'offset per la misura con il DA
Analizzatore armonico
Moderatori:
carloc,
g.schgor,
BrunoValente,
IsidoroKZ
28 messaggi
• Pagina 3 di 3 • 1, 2, 3
2
voti
Ovviamente hai ragione! Non avevo visto la R, sto rincoglionendo a vista d'occhio
. BIsogna fare i conti con le disperse e le capacita` parassite, ma non dovrebbero dare problemi dato che l'operazionale tiene basse le impedenze e la sorgente e` essenzialmente di corrente.
Se poi si polarizza un lato del secondario a 2.5V, si ha anche l'offset per la misura con il DA
Se poi si polarizza un lato del secondario a 2.5V, si ha anche l'offset per la misura con il DA
Per usare proficuamente un simulatore, bisogna sapere molta più elettronica di lui
Plug it in - it works better!
Il 555 sta all'elettronica come Arduino all'informatica! (entrambi loro malgrado)
Se volete risposte rispondete a tutte le mie domande
Plug it in - it works better!
Il 555 sta all'elettronica come Arduino all'informatica! (entrambi loro malgrado)
Se volete risposte rispondete a tutte le mie domande
0
voti
..e tirando su a mezza tensione anche l'ingresso non invertente si ottiene che l'offset di uscita va anche lui a mezza tensione indipendentemente dal valore di R1.
..allora mi segui a ruotaIsidoroKZ ha scritto:... sto rincoglionendo a vista d'occhio![]()
-

BrunoValente
39,6k 7 11 13 - G.Master EY

- Messaggi: 7796
- Iscritto il: 8 mag 2007, 14:48
0
voti
Il circuito con le due resistenze potrebbe non essere molto buono perche' devono avere una impedenza molto minore della resistenza di retroazione.
Forse meglio mettere un buffer fra il partitore e l'ingresso non invertente del convertitore corrente tensione.
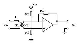
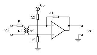
Che fidocad usi che vedo tutti i simboli scomposti nei vari elementi grafici? Oer una resistenza vedo un segmento per ogni zig zag. Modificare lo schema diventa molto complicato
Forse meglio mettere un buffer fra il partitore e l'ingresso non invertente del convertitore corrente tensione.
Che fidocad usi che vedo tutti i simboli scomposti nei vari elementi grafici? Oer una resistenza vedo un segmento per ogni zig zag. Modificare lo schema diventa molto complicato
Per usare proficuamente un simulatore, bisogna sapere molta più elettronica di lui
Plug it in - it works better!
Il 555 sta all'elettronica come Arduino all'informatica! (entrambi loro malgrado)
Se volete risposte rispondete a tutte le mie domande
Plug it in - it works better!
Il 555 sta all'elettronica come Arduino all'informatica! (entrambi loro malgrado)
Se volete risposte rispondete a tutte le mie domande
0
voti
Scusate, perche la corrente al primario dipende solo dalla resistenza? il resto del circuito non influisce in alcun modo?
-

MarcoGraziani
0 3 - Messaggi: 7
- Iscritto il: 29 mag 2015, 17:18
0
voti
Scusa
IsidoroKZ, ho usato simboli fatti da me che utilizzo per i miei disegni, dimentico sempre di disegnare con quelli originali nei messaggi del forum.
Utilizzo la versione originale di FidoCad, quella di Lorenzo Lutti, la preferisco.
Per quanto riguarda le due resistenze hai ragione, che granchio che ho preso! Come vedi sono messo male anch'io
Utilizzo la versione originale di FidoCad, quella di Lorenzo Lutti, la preferisco.
Per quanto riguarda le due resistenze hai ragione, che granchio che ho preso! Come vedi sono messo male anch'io
-

BrunoValente
39,6k 7 11 13 - G.Master EY

- Messaggi: 7796
- Iscritto il: 8 mag 2007, 14:48
0
voti
MarcoGraziani ha scritto:Scusate, perche la corrente al primario dipende solo dalla resistenza? il resto del circuito non influisce in alcun modo?
L'operazionale sul secondario forza un cortocircuito sul secondario e quindi anche sul primario hai praticamente tensione nulla.
Per usare proficuamente un simulatore, bisogna sapere molta più elettronica di lui
Plug it in - it works better!
Il 555 sta all'elettronica come Arduino all'informatica! (entrambi loro malgrado)
Se volete risposte rispondete a tutte le mie domande
Plug it in - it works better!
Il 555 sta all'elettronica come Arduino all'informatica! (entrambi loro malgrado)
Se volete risposte rispondete a tutte le mie domande
0
voti
MarcoGraziani ha scritto:Scusate, perche la corrente al primario dipende solo dalla resistenza? il resto del circuito non influisce in alcun modo?
Direi di no entro ampi margini, proprio perché il trasformatore è cortocircuitato.
-

BrunoValente
39,6k 7 11 13 - G.Master EY

- Messaggi: 7796
- Iscritto il: 8 mag 2007, 14:48
3
voti
Cosi` dovrebbe essere a posto, vediamo se "l'elettrico" riesce a farci qualcosa. Il vantaggio e` che il trasfo lavora a tensione molto bassa, la magnetizzante praticamente non c'e`!
Per usare proficuamente un simulatore, bisogna sapere molta più elettronica di lui
Plug it in - it works better!
Il 555 sta all'elettronica come Arduino all'informatica! (entrambi loro malgrado)
Se volete risposte rispondete a tutte le mie domande
Plug it in - it works better!
Il 555 sta all'elettronica come Arduino all'informatica! (entrambi loro malgrado)
Se volete risposte rispondete a tutte le mie domande
28 messaggi
• Pagina 3 di 3 • 1, 2, 3
Chi c’è in linea
Visitano il forum: Nessuno e 410 ospiti

Elettrotecnica e non solo (admin)
Un gatto tra gli elettroni (IsidoroKZ)
Esperienza e simulazioni (g.schgor)
Moleskine di un idraulico (RenzoDF)
Il Blog di ElectroYou (webmaster)
Idee microcontrollate (TardoFreak)
PICcoli grandi PICMicro (Paolino)
Il blog elettrico di carloc (carloc)
DirtEYblooog (dirtydeeds)
Di tutto... un po' (jordan20)
AK47 (lillo)
Esperienze elettroniche (marco438)
Telecomunicazioni musicali (clavicordo)
Automazione ed Elettronica (gustavo)
Direttive per la sicurezza (ErnestoCappelletti)
EYnfo dall'Alaska (mir)
Apriamo il quadro! (attilio)
H7-25 (asdf)
Passione Elettrica (massimob)
Elettroni a spasso (guidob)
Bloguerra (guerra)


