buon giorno a tutti.
Sono nuovo del forum e spero di poter trovare qui risposta ad alcune perplessità riguardo l'elettronica.
All 'università mi hanno dato da svolgere questo circuito ma ho forti dubbi riguardo la sua risoluzione. Potreste aiutarmi? La traccia è questa
Ho messo in allegato il file. Come faccio per trovare Rs? Secondo punto, cosa vede la capacità C2?
Grazie di cuore a tutti
Cascode N MOS con connessione diodo
Moderatori:
carloc,
g.schgor,
BrunoValente,
IsidoroKZ
5 messaggi
• Pagina 1 di 1
0
voti
0
voti
Per prima cosa devi calcolati il guadagno sostituendo il circuito per piccoli segnali e lo poni pari a -4.
Fatto ciò passi a considerare la polarizzazione e ti ricavi il valore di Rs
Fatto ciò passi a considerare la polarizzazione e ti ricavi il valore di Rs
0
voti
E' proprio il guadagno che mi mette in difficoltà. Essendo le correnti uguali,le tensioni di soglia e i K, i due Vgs sono uguali. Quindi posso mettere la seconda gmvgs in parallelo con la prima con Rs e con Rd ed Rl? Tu come calcoleresti il guadagno?
grazie mille
grazie mille
0
voti
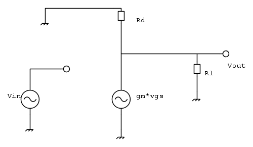
In centro banda i due condensatori sono considerati cortocircuiti perciò il secondo nmos è cortocircuitato. Il circuito per piccoli segnali è questo:
Si vede che Vout è pari alla caduta di tensione sul parallelo delle due resistenze e che la Vgs è proprio pari a Vin
P.S. ti ho mandato un messaggio privato
Si vede che Vout è pari alla caduta di tensione sul parallelo delle due resistenze e che la Vgs è proprio pari a Vin
P.S. ti ho mandato un messaggio privato
0
voti
calco ha scritto: Potreste aiutarmi?
Fai lo schema con fidocadj (vedi le regole del forum) e spiega come hai provato a farlo.
Per usare proficuamente un simulatore, bisogna sapere molta più elettronica di lui
Plug it in - it works better!
Il 555 sta all'elettronica come Arduino all'informatica! (entrambi loro malgrado)
Se volete risposte rispondete a tutte le mie domande
Plug it in - it works better!
Il 555 sta all'elettronica come Arduino all'informatica! (entrambi loro malgrado)
Se volete risposte rispondete a tutte le mie domande
5 messaggi
• Pagina 1 di 1
Chi c’è in linea
Visitano il forum: Nessuno e 46 ospiti

Elettrotecnica e non solo (admin)
Un gatto tra gli elettroni (IsidoroKZ)
Esperienza e simulazioni (g.schgor)
Moleskine di un idraulico (RenzoDF)
Il Blog di ElectroYou (webmaster)
Idee microcontrollate (TardoFreak)
PICcoli grandi PICMicro (Paolino)
Il blog elettrico di carloc (carloc)
DirtEYblooog (dirtydeeds)
Di tutto... un po' (jordan20)
AK47 (lillo)
Esperienze elettroniche (marco438)
Telecomunicazioni musicali (clavicordo)
Automazione ed Elettronica (gustavo)
Direttive per la sicurezza (ErnestoCappelletti)
EYnfo dall'Alaska (mir)
Apriamo il quadro! (attilio)
H7-25 (asdf)
Passione Elettrica (massimob)
Elettroni a spasso (guidob)
Bloguerra (guerra)



