Salve ragazzi ho un quesito da porvi.
Avrei bisogno di creare un circuito con le seguenti caratteristiche e vorrei conferme.
Necessito di un pacco batterie che eroghi 24 volt
Quidi ho pensato a due batterie al piombo da 12 collegate in serie ( fin qui tutto facile )
Ora però dovrei poterle collegare ad un trasformatore che le tenga sotto carica a 12 volt !
Il problema sorge perché a questo punto il collegamento andrebbe fatto in parallaelo ma così facendo andrebbero in corto.
Ho pensato all'utilizzo di diodi ( o di un relè che scambi i circuiti da serie a parallelo )
Preferirei una soluzione diodi ma messi come ?
Chi mi sbroglia la confusione che ho ?
Grazie mille
Daniele
Due batterie da 12 volt ricarica
Moderatori:
carloc,
g.schgor,
BrunoValente,
IsidoroKZ
5 messaggi
• Pagina 1 di 1
0
voti
0
voti
djdanielb ha scritto:Ora però dovrei poterle collegare ad un trasformatore che le tenga sotto carica a 12 volt !
Un trasformatore (che fornisce tensione alternata) non e' in grado di caricare una batteria; poi ci vuole una tensione superiore ai 12V.
marco
0
voti
dunque si il trasformatore sarebbe raddrizzato con tanto di condensatori
lo schema vedo è stato fatto con un relè.
mi chiedo nessuna soluzione con diodi ?
Grazie mille
lo schema vedo è stato fatto con un relè.
mi chiedo nessuna soluzione con diodi ?
Grazie mille
0
voti
Il trasformatore, anche se "raddrizzato con tanto di condensatori" non basta; serve un circuito a tensione costante e corrente limitata.
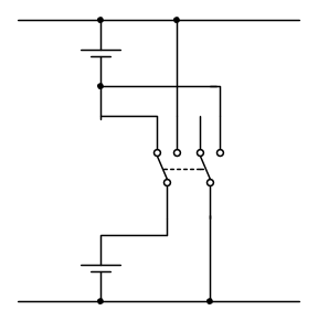
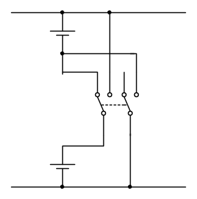
Si si puo' fare con un rele' ma molto piu' semplicemente con un deviatore come questo:
Un diodo lo metterei ma solo per evitare la scarica delle batterie sul caricatore.
Si si puo' fare con un rele' ma molto piu' semplicemente con un deviatore come questo:
Un diodo lo metterei ma solo per evitare la scarica delle batterie sul caricatore.
marco
5 messaggi
• Pagina 1 di 1
Chi c’è in linea
Visitano il forum: Nessuno e 38 ospiti

Elettrotecnica e non solo (admin)
Un gatto tra gli elettroni (IsidoroKZ)
Esperienza e simulazioni (g.schgor)
Moleskine di un idraulico (RenzoDF)
Il Blog di ElectroYou (webmaster)
Idee microcontrollate (TardoFreak)
PICcoli grandi PICMicro (Paolino)
Il blog elettrico di carloc (carloc)
DirtEYblooog (dirtydeeds)
Di tutto... un po' (jordan20)
AK47 (lillo)
Esperienze elettroniche (marco438)
Telecomunicazioni musicali (clavicordo)
Automazione ed Elettronica (gustavo)
Direttive per la sicurezza (ErnestoCappelletti)
EYnfo dall'Alaska (mir)
Apriamo il quadro! (attilio)
H7-25 (asdf)
Passione Elettrica (massimob)
Elettroni a spasso (guidob)
Bloguerra (guerra)





