salve,
cosa succede se inverto fra loro i capi di un avvolgimento di un MAT ?
invertire capi avvolgimento MAT
Moderatori:
SandroCalligaro,
mario_maggi,
fpalone
8 messaggi
• Pagina 1 di 1
0
voti
0
voti
cosa succede se inverto fra loro i capi di un avvolgimento di un MAT ?
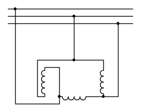
Questo collegamento è basato sull’effetto di una speciale disimmetria creata nell’avvolgimento dello statore, che durante la frenatura viene collegato come fig. Con tale dissimmetria insieme al campo rotante normale del motore viene prodotto un campo rotante in senso opposto. La coppia di quest’ultimo deve essere maggiore di quella sviluppata dal campo rotante nel senso di rotazione perché possa intervenire un’azione di frenatura.
-

StefanoSunda
2.880 3 6 10 - Master

- Messaggi: 1962
- Iscritto il: 16 set 2010, 19:29
0
voti
grazie della risposta , quindi se non ho capito male si svolge un azione frenante che ostacola la rotazione ma , un paio di domande
- come può essere maggiore delle forza di rotazione principale trattandosi di un avvolgimento contro 2 ?
- quali segnali può dare un motore così collegato oltre alla , secondo quello che hai detto , perdita di coppia ? .... rumori strani ? assorbimenti strani ???
- come può essere maggiore delle forza di rotazione principale trattandosi di un avvolgimento contro 2 ?
- quali segnali può dare un motore così collegato oltre alla , secondo quello che hai detto , perdita di coppia ? .... rumori strani ? assorbimenti strani ???
0
voti
- come può essere maggiore della forza di rotazione principale trattandosi di un avvolgimento contro 2 ?
Giusta osservazione – evidentemente questo sistema serve a rallentare il motore in determinate occasioni: immagina che il motore debba sollevare un braccio di una gru, da orizzontale in verticale, e quando sta per arrivare a finecorsa si debba arrivare lentamente, per poi bloccare il braccio giusto per innestare degli spinotti di sicurezza, in questo caso non sono spinotti ma spinotoni azionati a aria compressa. Frenatura con inserzione dissimmetrica dello statore si usava molto tempo fa; negli anni 70/87 ho conosciuto il “freno a correnti parassite”, per eseguire l’operazione sopra descritta. Con l'evoluzione oggi non lo so. Ti dirò che quando entrava in funzione si faceva sentire, era rumoroso.
cosa succede se inverto fra loro i capi di un avvolgimento di un MAT
Ora ti chiedo perché questa domanda?
Hai avuto problemi con qualche motore, oppure te la sei posta per curiosità?
-

StefanoSunda
2.880 3 6 10 - Master

- Messaggi: 1962
- Iscritto il: 16 set 2010, 19:29
0
voti
me lo sono chiesto per curiosità , ma so che è successo in un motore che era stato mandato a riavvolgere anni fa dalla ditta dove lavoro , poi ho pensato che potrebbe succedere sopratutto quando si porta i 6 capi degli avvolgimenti bel quadro magari per uno stella triangolo .
grazie della risposta comunque :)
grazie della risposta comunque :)
0
voti
non so se ho capito bene la domanda......
intendi dire invertire i principi/fine delle singole fasi?
se è quello che vuoi sapere ti dico che il motore avrà un assorbimento squilibrato e non riuscirà a spuntare
nella fattispecie, la fase su cui è stata fatta l'inversione principio fine assorbirà circa il doppio delle altre due

intendi dire invertire i principi/fine delle singole fasi?
se è quello che vuoi sapere ti dico che il motore avrà un assorbimento squilibrato e non riuscirà a spuntare
nella fattispecie, la fase su cui è stata fatta l'inversione principio fine assorbirà circa il doppio delle altre due

0
voti
si credo che hai capito bene , infatti mi tornano anche gli effetti , però parlerei più di principio-fine avvolgimento , non di fase .
grazie
grazie

8 messaggi
• Pagina 1 di 1
Chi c’è in linea
Visitano il forum: Nessuno e 46 ospiti

Elettrotecnica e non solo (admin)
Un gatto tra gli elettroni (IsidoroKZ)
Esperienza e simulazioni (g.schgor)
Moleskine di un idraulico (RenzoDF)
Il Blog di ElectroYou (webmaster)
Idee microcontrollate (TardoFreak)
PICcoli grandi PICMicro (Paolino)
Il blog elettrico di carloc (carloc)
DirtEYblooog (dirtydeeds)
Di tutto... un po' (jordan20)
AK47 (lillo)
Esperienze elettroniche (marco438)
Telecomunicazioni musicali (clavicordo)
Automazione ed Elettronica (gustavo)
Direttive per la sicurezza (ErnestoCappelletti)
EYnfo dall'Alaska (mir)
Apriamo il quadro! (attilio)
H7-25 (asdf)
Passione Elettrica (massimob)
Elettroni a spasso (guidob)
Bloguerra (guerra)


