Cos'è ElectroYou | Login Iscriviti

ElectroYou - la comunità dei professionisti del mondo elettrico

Sistema TN

Progettazione, esercizio, manutenzione, sicurezza, leggi, normative...

Moderatori: Foto Utentesebago, Foto UtenteMASSIMO-G, Foto Utentelillo, Foto UtenteMike

0
voti

[1] Sistema TN

Messaggioda Foto Utenteatomorama » 13 lug 2015, 11:51

Buongiorno,
scrivo per farvi l'ennesima domanda da studente di elettrotecnica quale sono:

- come progettare un sistema TN e quali sono le differenze lato interruttori con un TT?

Mi è capitato di vedere impianti industriali con cabine di trasformazione e sistemi interni tipo TT, in teoria se non ho capito male nel TN non ci dovrebbe essere la terra (diversa da quella di cabina) in quanto è il neutro a fare da ritorno al centro stella di cabina...

Inoltre non ho capito il discorso dei tempi d'intervento in funzione di Vo (quali protezioni metto?)

Grazie mille!

:ok:
Avatar utente
Foto Utenteatomorama
809 1 3 8
Sostenitore
Sostenitore
 
Messaggi: 875
Iscritto il: 1 gen 2015, 17:04

0
voti

[2] Re: Sistema TN

Messaggioda Foto Utenteclanis » 13 lug 2015, 12:52

In tutta onestà, mi sembra un tantino vasta la domanda!!!!
Comunque mi sembra che anche se vaghi, alcuni concetti ci siano!
Se tu provassi a ragionarci ancora un po' su, e casomai successivamente provassi a fare domande più specifiche?
Avatar utente
Foto Utenteclanis
115 1 5
Frequentatore
Frequentatore
 
Messaggi: 154
Iscritto il: 18 mar 2009, 18:55

0
voti

[3] Re: Sistema TN

Messaggioda Foto Utenteatomorama » 13 lug 2015, 14:07

Per esempio:

come va posizionato il differenziale e che tipi di differenziale si utilizzano?

(se ho la dispersione sul neutro vanno messe solo le 3 fasi?)

:)
Avatar utente
Foto Utenteatomorama
809 1 3 8
Sostenitore
Sostenitore
 
Messaggi: 875
Iscritto il: 1 gen 2015, 17:04

0
voti

[4] Re: Sistema TN

Messaggioda Foto UtenteMike » 13 lug 2015, 15:06

--
Michele Lysander Guetta
--
"Non pensare mai al dolore, al pericolo o ai nemici un momento più lungo del necessario per combatterli." — Ayn Rand
Avatar utente
Foto UtenteMike
55,6k 7 10 12
G.Master EY
G.Master EY
 
Messaggi: 17006
Iscritto il: 1 ott 2004, 18:25
Località: Conegliano (TV)

0
voti

[5] Re: Sistema TN

Messaggioda Foto Utentemarco76 » 13 lug 2015, 15:09

inizia qui http://www.electroyou.it/vis_resource.p ... ezio&id=57
poi segui i vari link :ok:

P.S. fregato sul tempo
Avatar utente
Foto Utentemarco76
1.253 2 5
Expert
Expert
 
Messaggi: 961
Iscritto il: 26 lug 2012, 12:34

1
voti

[6] Re: Sistema TN

Messaggioda Foto Utenteattilio » 13 lug 2015, 18:36

atomorama ha scritto:Mi è capitato di vedere impianti industriali con cabine di trasformazione e sistemi interni tipo TT, in teoria se non ho capito male nel TN non ci dovrebbe essere la terra (diversa da quella di cabina) in quanto è il neutro a fare da ritorno al centro stella di cabina...


in TT le masse sono collegate ad una "terra" personale dell'utente (abitazione, condominio, etc) metallicamente scollegata rispetto al riferimento di "terra" del generatore (trasformatore MT/BT), la corrente di guasto a terra si richiude attraverso il terreno, bisogna per cui tenere conto delle varie resistenze (Rt, Rn cabina) e coordinare con questa resistenza il valore limite della corrente differenziale nominale al fine di non avere più di 50 V sulle masse in caso di guasto

in TN-S le masse sono collegate al "PE", che a sua volta è derivato direttamente dal centrostella del trasformatore MT/BT, la corda giallo verde è fisicamente e francamente collegata al polo di neutro del trasformatore, o in altro modo (barra collettrice)
da li in poi, neutro e PE vengono distribuiti in modo separato (tranne che nei TN-C), un guasto a massa quindi, si richiude direttamente sul neutro BT del trasformatore interessando solo i conduttori metallici (fase e PE)

da questo si intuisce che nel secondo caso, la corrente di guasto può raggiungere centinaia o migliaia di ampere, per questo motivo nel TN si può realizzare la protezione dai contatti indiretti con interruttori magnetotermici (cosa praticamente impossibile nel TT)
Ognuno sta solo sul cuor della terra
trafitto da un raggio di sole:
ed è subito sera


Salvatore Quasimodo
Avatar utente
Foto Utenteattilio
61,5k 8 12 13
free expert
 
Messaggi: 9173
Iscritto il: 21 gen 2007, 14:34

0
voti

[7] Re: Sistema TN

Messaggioda Foto Utente6367 » 13 lug 2015, 19:19

atomorama ha scritto: in teoria se non ho capito male nel TN non ci dovrebbe essere la terra (diversa da quella di cabina) in quanto è il neutro a fare da ritorno al centro stella di cabina...


Come ha spiegato Attilio le masse in un TN solo collegate al centro stella in cabina.
Tuttavia non è proibito che siano collegate anche a un dispersore di terra locale, anzi nelle norme impianto di molti paesi è obbligatorio che sia così.
Avatar utente
Foto Utente6367
22,3k 6 9 12
G.Master EY
G.Master EY
 
Messaggi: 6997
Iscritto il: 9 set 2005, 0:00

0
voti

[8] Re: Sistema TN

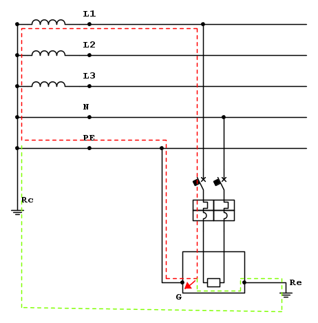
Messaggioda Foto Utentesebago » 14 lug 2015, 11:33

6367 ha scritto:Tuttavia non è proibito che siano collegate anche a un dispersore di terra locale, anzi nelle norme impianto di molti paesi è obbligatorio che sia così.

Detto così non è molto chiaro a cosa possa servire, questo collegamento locale.
Dal punto di guasto in poi, presumo che la corrente preferisca di gran lunga la via (rossa) offerta dal PE, piuttosto che quella (verde) delle due resistenza di terra. La Rc sarà pure bassa ma quella locale Re non credo. Ma forse sono io a non aver capito i collegamenti.

Sebastiano
________________________________________________________________
"Eo bos issettaìa, avanzade e non timedas / sas ben'ennidas siedas, rundinas, a domo mia" (P. Mossa)
Avatar utente
Foto Utentesebago
16,7k 4 10 13
G.Master EY
G.Master EY
 
Messaggi: 2196
Iscritto il: 1 apr 2005, 19:59
Località: Orune (NU)

0
voti

[9] Re: Sistema TN

Messaggioda Foto Utenteatomorama » 14 lug 2015, 12:13

Grazie a tutti per le risposte: mi servirebbe un libro sui TN e IT!

Ho visto che sugli schemi Schneider il PE è collegato anche a terra nel TNS (per ora lascio perdere il TNC in quanto non utilizzabile nei luoghi a maggior rischio d'incendio mi dicono).

Il punto è che non capisco il tipo di interruttori che van messi!
Avatar utente
Foto Utenteatomorama
809 1 3 8
Sostenitore
Sostenitore
 
Messaggi: 875
Iscritto il: 1 gen 2015, 17:04

0
voti

[10] Re: Sistema TN

Messaggioda Foto Utentemarco76 » 14 lug 2015, 12:43

visto che parli di maggior rischio incendio non è che intendi gli interruttori per questi luoghi? Tra TT e TN gli interruttori son gli stessi cambiano i tempi di intervento ed il fatto che un RCD è quasi indispensabile nei TT per interrompere in tempo O_/
Avatar utente
Foto Utentemarco76
1.253 2 5
Expert
Expert
 
Messaggi: 961
Iscritto il: 26 lug 2012, 12:34

Prossimo

Torna a Impianti, sicurezza e quadristica

Chi c’è in linea

Visitano il forum: Google Adsense [Bot] e 57 ospiti