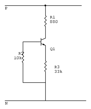
Come posso calcolare la pendenza della curva corrente vs. tensione per il circuito resistore-transistor disegnato in fidocad ?
Alcuni dettagli sul circuito: R1 é termicamente (e fisicamente) associato ad un fusibile termico e svolge il ruolo di indicatore termico tra fase e neutro (230 VAC). Non appena la tensione sale, la potenza dissipata dal resistore cresce così come la temperatura. Non appena la tensione persiste sopra un valore nominale massimo, il fusibile termico si apre.
Lo scopo del transistor dovrebbe essere quello di introdurre una certa non linearità aumentando così la sensibilità del circuito di protezione nei confronti degli overvoltages.
Protezione overvoltage con fusibile termico
Moderatori:
carloc,
g.schgor,
BrunoValente,
IsidoroKZ
4 messaggi
• Pagina 1 di 1
0
voti
Evita di citare i messaggi per intero e leggi le regole del forum.
Il post mi pare un INCUBO !!.
Lo schema mi pare sbagliato: se P sta per positivo e N per negativo, il transistor NPN risulta sempre con VBE = 0 ossia non polarizzato e sempre interdetto. Forse dovresti collegare R2 al P.
Non capisco cosa vuol dire: " R1 é termicamente (e fisicamente) associato ad un fusibile termico": è la resistenza di un fusibile ??
e svolge il ruolo di "indicatore termico tra fase e neutro (230 V in c.a.)" : se scalda segnala la presenza tensione, se brucia era presente troppa tensione ?? .
Ossia è un fusibile?
Non appena la tensione sale, la potenza dissipata dal resistore cresce così come la temperatura. Non appena la tensione persiste sopra un valore nominale massimo, il fusibile termico si apre.
Forse intendevi una protezione di tipo " crowbar", ma in questo caso il fusibile è in serie alla linea P e il circuito è diverso.
Il post mi pare un INCUBO !!.
Lo schema mi pare sbagliato: se P sta per positivo e N per negativo, il transistor NPN risulta sempre con VBE = 0 ossia non polarizzato e sempre interdetto. Forse dovresti collegare R2 al P.
Non capisco cosa vuol dire: " R1 é termicamente (e fisicamente) associato ad un fusibile termico": è la resistenza di un fusibile ??
e svolge il ruolo di "indicatore termico tra fase e neutro (230 V in c.a.)" : se scalda segnala la presenza tensione, se brucia era presente troppa tensione ?? .
Ossia è un fusibile?
Non appena la tensione sale, la potenza dissipata dal resistore cresce così come la temperatura. Non appena la tensione persiste sopra un valore nominale massimo, il fusibile termico si apre.
Forse intendevi una protezione di tipo " crowbar", ma in questo caso il fusibile è in serie alla linea P e il circuito è diverso.
0
voti
"Non farei mai parte di un club che accettasse la mia iscrizione" (G. Marx)
-

claudiocedrone
21,3k 4 7 9 - Master EY

- Messaggi: 15302
- Iscritto il: 18 gen 2012, 13:36
0
voti
lasciando perdere il discorso del fusibile termico che ho inserito per spiegare il senso di quel circuitino (che ho trovato in un libro) a me interessa sapere come il transistor rende piú veloce la variazione in temperatura di R1 rispetto alla presenza della sola R1 quando ci si avvicina alla tensione nominale massima (per questo ho parlato di andamento non lineare, con la sola resistenza questo non sarebbe stato possibile).
Se mi sono spiegato male, mi scuso in anticipo;
Credo il circuito sia dimensionato su 120VAC;
Se servono altri dati, con piacere :)
Se mi sono spiegato male, mi scuso in anticipo;
Credo il circuito sia dimensionato su 120VAC;
Se servono altri dati, con piacere :)
4 messaggi
• Pagina 1 di 1
Chi c’è in linea
Visitano il forum: Nessuno e 42 ospiti

Elettrotecnica e non solo (admin)
Un gatto tra gli elettroni (IsidoroKZ)
Esperienza e simulazioni (g.schgor)
Moleskine di un idraulico (RenzoDF)
Il Blog di ElectroYou (webmaster)
Idee microcontrollate (TardoFreak)
PICcoli grandi PICMicro (Paolino)
Il blog elettrico di carloc (carloc)
DirtEYblooog (dirtydeeds)
Di tutto... un po' (jordan20)
AK47 (lillo)
Esperienze elettroniche (marco438)
Telecomunicazioni musicali (clavicordo)
Automazione ed Elettronica (gustavo)
Direttive per la sicurezza (ErnestoCappelletti)
EYnfo dall'Alaska (mir)
Apriamo il quadro! (attilio)
H7-25 (asdf)
Passione Elettrica (massimob)
Elettroni a spasso (guidob)
Bloguerra (guerra)


