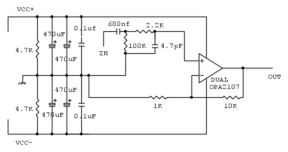
Ciao a tutti, ho costruito una ampli semplice cmoy, senza potenziometro, visto che il volume lo regolo dal telefono o PC, nonostante abbia messo il filtro passa alto tagliato a 2hz e un filtro passa bassa tagliato circa a 10mhz con R2.2k e C 4.7pf, quando scollego l'ingresso con il cavo ancora inserito becco dei rumori osceni, senza cavo alle cuffie non arriva niente.
È comprensibile, visto con il mio cavo in ingresso ho creato un antenna che becca sicuramente visto la lunghezza di circa 2,5 metri almeno 100mhz.
Come posso ovviare a questo problema, devo tagliare il filtro più basso intorno ai 50khz, oppure devo inserire un circuito di muting, si ma quale che non porta rumore?
Grazie
Emilio
Ampli Cmoy, problema Rf
Moderatori:
carloc,
g.schgor,
BrunoValente,
IsidoroKZ
23 messaggi
• Pagina 1 di 3 • 1, 2, 3
0
voti
Buona la prima, anche se io metterei un filtro con frequenza di taglio ancora più bassa.
"La follia sta nel fare sempre la stessa cosa aspettandosi risultati diversi".
"Parla soltanto quando sei sicuro che quello che dirai è più bello del silenzio".
Rispondere è cortesia, ma lasciare l'ultima parola ai cretini è arte.
"Parla soltanto quando sei sicuro che quello che dirai è più bello del silenzio".
Rispondere è cortesia, ma lasciare l'ultima parola ai cretini è arte.
-

TardoFreak
73,9k 8 12 13 - -EY Legend-

- Messaggi: 15754
- Iscritto il: 16 dic 2009, 11:10
- Località: Torino - 3° pianeta del Sistema Solare
0
voti
Che connettore monta il tuo cavo di ingresso ?
Potresti prevedere che il tuo connettore (se è un jack) resti in corto fino a quando non inserisci il cavo.
Potrebbe migliorare
Ciao
Giorgio
Potresti prevedere che il tuo connettore (se è un jack) resti in corto fino a quando non inserisci il cavo.
Potrebbe migliorare
Ciao
Giorgio
-

giorgio25760
2.310 1 3 5 - G.Master EY

- Messaggi: 1700
- Iscritto il: 6 dic 2009, 17:02
- Località: Brescia
0
voti
È un jack da 6,3
Questa è la foto del piccoletto
I server esterni sono vietati. La foto a breve verra' cancellata.
Leggi le regole del forum.
Questa è la foto del piccoletto
I server esterni sono vietati. La foto a breve verra' cancellata.
Leggi le regole del forum.
1
voti
Bene, qundi procurati una presa jack da 6.3 mm e collega gli ingressi in maniera tale che i capi caldi restino in corto fino a quando non inserisci la spina da 6.3mm.
Ve ne sono 2 tipi :
- uno fa si che il contatto centrale (se a riposo) tocchi il contatto di massa
- nell'altro vi sono dei contatti indipendenti, che puoifacilmente collegare per ottenere il corto in ingresso.
Ciao
Giorgio
P.S.
Le immagini non devono essere link esterni.
Dovresti caricarle direttamente su EY
Ve ne sono 2 tipi :
- uno fa si che il contatto centrale (se a riposo) tocchi il contatto di massa
- nell'altro vi sono dei contatti indipendenti, che puoifacilmente collegare per ottenere il corto in ingresso.
Ciao
Giorgio
P.S.
Le immagini non devono essere link esterni.
Dovresti caricarle direttamente su EY
-

giorgio25760
2.310 1 3 5 - G.Master EY

- Messaggi: 1700
- Iscritto il: 6 dic 2009, 17:02
- Località: Brescia
0
voti
Ciao Giorgio, forse non mi sono spiegato bene, il cavo in ingresso rimane collegato verso l'ampli, sono io che avvolte a cavo inserito è ampli acceso cambio sorgente a volo tra PC e telefonino.
Il sistema che mi hai gentilmente suggerito parte dal presupposto che il cavo non è inserito è l'ingresso è in corto, ma per fortuna il mio ampli senza il cavo inserito in ingresso è praticamente muto.
È il cavo lungo che fa da antenna e rompe le scatole quando lato sorgente non è collegato
Il sistema che mi hai gentilmente suggerito parte dal presupposto che il cavo non è inserito è l'ingresso è in corto, ma per fortuna il mio ampli senza il cavo inserito in ingresso è praticamente muto.
È il cavo lungo che fa da antenna e rompe le scatole quando lato sorgente non è collegato
1
voti
Quindi hai un ampli che fa da ricevitore AM/FM !
Dovresti usare almeno un paio di accorgimenti:
1) inserire in serie al segnale di ingresso, proprio a ridosso del jack da 6.3mm, un induttore di arresto, del tipo soppressione EMI. Può andare bene uno di quelli del tipo "bacchetta di ferrite diametro 2-3mm con 20-30 spire da o.6mm". Vengono di solito usati in serie alle spazzole dei motori elettrici. Poi, sempre sul connettore jack, a valle dell'induttore metti un 22pF ceramico verso massa. Questo per lasciare fuori la radio frequenza.
2) devi reazionare il tuo ampli per le frequenze elevate, ad esempio mettendo tra uscita ed ingresso invertente un condensatore da 22pF (puoi arrivare anche a 39pF). Questo per evitare di amplificare RF oppure eventuali raddrizzamenti di AM.
Fammi sapere.....
Ciao
Giorgio
Dovresti usare almeno un paio di accorgimenti:
1) inserire in serie al segnale di ingresso, proprio a ridosso del jack da 6.3mm, un induttore di arresto, del tipo soppressione EMI. Può andare bene uno di quelli del tipo "bacchetta di ferrite diametro 2-3mm con 20-30 spire da o.6mm". Vengono di solito usati in serie alle spazzole dei motori elettrici. Poi, sempre sul connettore jack, a valle dell'induttore metti un 22pF ceramico verso massa. Questo per lasciare fuori la radio frequenza.
2) devi reazionare il tuo ampli per le frequenze elevate, ad esempio mettendo tra uscita ed ingresso invertente un condensatore da 22pF (puoi arrivare anche a 39pF). Questo per evitare di amplificare RF oppure eventuali raddrizzamenti di AM.
Fammi sapere.....
Ciao
Giorgio
-

giorgio25760
2.310 1 3 5 - G.Master EY

- Messaggi: 1700
- Iscritto il: 6 dic 2009, 17:02
- Località: Brescia
0
voti
giorgio25760 ha scritto:Quindi hai un ampli che fa da ricevitore AM/FM !
Dovresti usare almeno un paio di accorgimenti:
1) inserire in serie al segnale di ingresso, proprio a ridosso del jack da 6.3mm, un induttore di arresto, del tipo soppressione EMI. Può andare bene uno di quelli del tipo "bacchetta di ferrite diametro 2-3mm con 20-30 spire da o.6mm". Vengono di solito usati in serie alle spazzole dei motori elettrici. Poi, sempre sul connettore jack, a valle dell'induttore metti un 22pF ceramico verso massa. Questo per lasciare fuori la radio frequenza.
Questo filtro lo posso mettere anche a valle del passo alto e basso, solo per una questione di spazio, a ridosso dei jack ho già i due wima mks...
giorgio25760 ha scritto:2) devi reazionare il tuo ampli per le frequenze elevate, ad esempio mettendo tra uscita ed ingresso invertente un condensatore da 22pF (puoi arrivare anche a 39pF). Questo per evitare di amplificare RF oppure eventuali raddrizzamenti di AM.
Fammi sapere.....
Ciao
Giorgio
Il mio opamp è un 2107 in configurazione non invertente, quindi il condensatore in serie con la rete di guadagno?
0
voti
leon77 ha scritto:Questo filtro lo posso mettere anche a valle del passo alto e basso, solo per una questione di spazio, a ridosso dei jack ho già i due wima mks...
No !
Il filtro choke + 22pF va proprio a ri dosso del jack di ingresso. Se la radio frequenza arriva ad entrare viene irradiata dal cavo di ingresso come un' antenna !
leon77 ha scritto:Il mio opamp è un 2107 in configurazione non invertente, quindi il condensatore in serie con la rete di guadagno?
A parte che se pubblicassi uno schema sarebbe più facile (naturalmente in FidoCadJ)
Comunque dovendo controreazionare il circuito alle frequenze più alte devi mettere un condensatore tra uscita ed ingresso -(inv input).
Ciao
Giorgio
-

giorgio25760
2.310 1 3 5 - G.Master EY

- Messaggi: 1700
- Iscritto il: 6 dic 2009, 17:02
- Località: Brescia
23 messaggi
• Pagina 1 di 3 • 1, 2, 3
Chi c’è in linea
Visitano il forum: Nessuno e 240 ospiti

Elettrotecnica e non solo (admin)
Un gatto tra gli elettroni (IsidoroKZ)
Esperienza e simulazioni (g.schgor)
Moleskine di un idraulico (RenzoDF)
Il Blog di ElectroYou (webmaster)
Idee microcontrollate (TardoFreak)
PICcoli grandi PICMicro (Paolino)
Il blog elettrico di carloc (carloc)
DirtEYblooog (dirtydeeds)
Di tutto... un po' (jordan20)
AK47 (lillo)
Esperienze elettroniche (marco438)
Telecomunicazioni musicali (clavicordo)
Automazione ed Elettronica (gustavo)
Direttive per la sicurezza (ErnestoCappelletti)
EYnfo dall'Alaska (mir)
Apriamo il quadro! (attilio)
H7-25 (asdf)
Passione Elettrica (massimob)
Elettroni a spasso (guidob)
Bloguerra (guerra)
