Ps: amo i cani, ma da quando la mia prima gatta ha iniziato a riportarmi la pallina lo accettata nella mia vita
Regolatore velocità ventole PC
Moderatori:
carloc,
g.schgor,
BrunoValente,
IsidoroKZ
1
voti
Riparto dall'inizio, le ventole costano circa 30€ l'una ed è per questo la superpippa mentale nel proteggerle, poi dato che dovrò mettere mano ad una parte dell'impianto elettrico, perché non predisporre tutto ad un sistema più sicuro, affidabile e un pelino più domotico?
Ps: amo i cani, ma da quando la mia prima gatta ha iniziato a riportarmi la pallina lo accettata nella mia vita
Ps: amo i cani, ma da quando la mia prima gatta ha iniziato a riportarmi la pallina lo accettata nella mia vita
-

prometheus
20 3 - New entry

- Messaggi: 52
- Iscritto il: 30 gen 2010, 11:12
0
voti
Ok, allora vediamo di capirci bene; che cosa vorresti collegare oltre alle ventole (0.4A per due se non ricordo male) e che consumo ha?
Sulla base di questi dati vedo di cercare qualcosa che vada bene.
P.S. Attualmente che cosa hai collegato a quel trasformatore (12V 4A mi pare?); insomma descrivimi bene l'impianto.
Sulla base di questi dati vedo di cercare qualcosa che vada bene.
P.S. Attualmente che cosa hai collegato a quel trasformatore (12V 4A mi pare?); insomma descrivimi bene l'impianto.
marco
0
voti
Ciao Marco oltre alle ventole collegherei una strip di led con telecomandino poi per il resto nulla, perché le 2 pompe acqua le lascerei perdere, per quanto riguarda la parte elettronica metterei lo step down come da tuo consiglio è lo tarerei a dovere ovviamente successivamente gli collegherei sia il PWM e la strip.
-

prometheus
20 3 - New entry

- Messaggi: 52
- Iscritto il: 30 gen 2010, 11:12
0
voti
Credo che a questo punto sia utile capire quanto sono "impegnative" le strip-led.


Più so e più mi accorgo di non sapere.
Qualsiasi cosa abbia scritto, tieni presente che sono ancora al mio primo rocchetto di stagno.
Qualsiasi cosa abbia scritto, tieni presente che sono ancora al mio primo rocchetto di stagno.
0
voti
Avete perfettamente ragione ma sino a mercoledì non potrò sapere il valore delle strip, posso solo dirvi che il suo alimentatore 220 /12 ha un uscita di 12V per 0.2A, quindi molto irrisoria.
-

prometheus
20 3 - New entry

- Messaggi: 52
- Iscritto il: 30 gen 2010, 11:12
0
voti
12 V per 0.2A
Sicuro? Non sono un esperto, ma mi sembra molto poco.

Più so e più mi accorgo di non sapere.
Qualsiasi cosa abbia scritto, tieni presente che sono ancora al mio primo rocchetto di stagno.
Qualsiasi cosa abbia scritto, tieni presente che sono ancora al mio primo rocchetto di stagno.
0
voti
Anche a me.
Leggi bene quello che c'e' scritto sulla targa dell'alimentatore.
Poi, ti avevo fatto altre domande che mi servono per valutare la soluzione migliore ma ancora non mi hai risposto.
Leggi bene quello che c'e' scritto sulla targa dell'alimentatore.
Poi, ti avevo fatto altre domande che mi servono per valutare la soluzione migliore ma ancora non mi hai risposto.
marco
0
voti
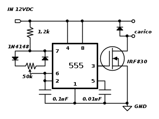
Marco438 le connessioni negli schemi dei circuiti elettronici sono obbligatorie non facoltative , rendono lo schema piu' leggibile.Te te le sei dimenticate ? Guarda la differenza.


Scopo principale della nostra vita , è dare prosieguo alla vita , come tutti gli esseri viventi fanno.
0
voti
Le giunzioni le avevo capite
ho allegato la targhetta dell'alimentatore
-

prometheus
20 3 - New entry

- Messaggi: 52
- Iscritto il: 30 gen 2010, 11:12
Chi c’è in linea
Visitano il forum: Nessuno e 49 ospiti

Elettrotecnica e non solo (admin)
Un gatto tra gli elettroni (IsidoroKZ)
Esperienza e simulazioni (g.schgor)
Moleskine di un idraulico (RenzoDF)
Il Blog di ElectroYou (webmaster)
Idee microcontrollate (TardoFreak)
PICcoli grandi PICMicro (Paolino)
Il blog elettrico di carloc (carloc)
DirtEYblooog (dirtydeeds)
Di tutto... un po' (jordan20)
AK47 (lillo)
Esperienze elettroniche (marco438)
Telecomunicazioni musicali (clavicordo)
Automazione ed Elettronica (gustavo)
Direttive per la sicurezza (ErnestoCappelletti)
EYnfo dall'Alaska (mir)
Apriamo il quadro! (attilio)
H7-25 (asdf)
Passione Elettrica (massimob)
Elettroni a spasso (guidob)
Bloguerra (guerra)





