Forse è una domanda banale, ma non riesco a spiegarmi questa affermazione:
"I poli della funzione di trasferimento non dipendono dalle eccitazioni in ingresso"
Qualcuno mi può illuminare per favore?
Grazie in anticipo.
Poli funzione di trasferimento
Moderatori:
carloc,
g.schgor,
BrunoValente,
IsidoroKZ
17 messaggi
• Pagina 1 di 2 • 1, 2
0
voti
Ianero ha scritto:non riesco a spiegarmi questa affermazione:
"I poli della funzione di trasferimento non dipendono dalle eccitazioni in ingresso"
.
Non capisco, i poli (al denominatore, con gli zeri al numeratore) definiscono una funzione di trasferimento; cosa centra l'eccitazione in ingresso? E' come dire: ho un partitore di tensione R1/(R1+R2)= 0,5 ; il rapporto Vu/Vi vale 0,5 indipendente dalla Vi applicata.
Forse volevi riferirti alla risposta di una fdt a una sollecitazione in ingresso ??
0
voti
Scusa mi sono espresso male, mi riferivo "a dove è posizionata l'eccitazione".
Ho un circuito, indipendentemente da dove posiziono l'ingresso i poli della sua funzione di trasferimento non dipenderanno da tale scelta.
E' vero? Se sì, perché?
Ho un circuito, indipendentemente da dove posiziono l'ingresso i poli della sua funzione di trasferimento non dipenderanno da tale scelta.
E' vero? Se sì, perché?
1
voti
Perché i poli dipendono dal denominatore della funzione di trasferimento. Non importa dove ti collochi nell'anello di retroazione, avrai sempre lo stesso denominatore, al più ci sono cancellazioni zero/polo che intervengono.
Se ho interpretato bene la tua domanda.
Se ho interpretato bene la tua domanda.
"640K ought to be enough for anybody" Bill Gates (?) 1981
Qualcosa non ha funzionato...
Lo sapete che l'arroganza in informatica si misura in nanodijkstra?
Qualcosa non ha funzionato...
Lo sapete che l'arroganza in informatica si misura in nanodijkstra?
-

fairyvilje
15,0k 4 9 12 - G.Master EY

- Messaggi: 3047
- Iscritto il: 24 gen 2012, 19:23
0
voti
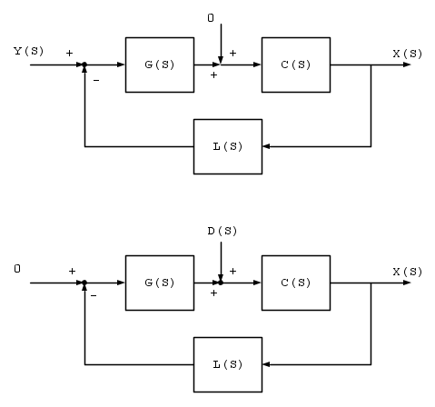
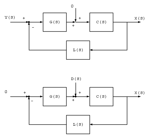
Ok, intuitivamente prova a risolvere questo
Scrivi la generica funzione di trasferimento fra Y e X e poi fra D e X. Confrontale e dovresti intuitivamente capire cosa succede. Nel caso non fosse ancora chiaro provo a postarti il procedimento formale per dimostrare questa proprietà :).
Scrivi la generica funzione di trasferimento fra Y e X e poi fra D e X. Confrontale e dovresti intuitivamente capire cosa succede. Nel caso non fosse ancora chiaro provo a postarti il procedimento formale per dimostrare questa proprietà :).
"640K ought to be enough for anybody" Bill Gates (?) 1981
Qualcosa non ha funzionato...
Lo sapete che l'arroganza in informatica si misura in nanodijkstra?
Qualcosa non ha funzionato...
Lo sapete che l'arroganza in informatica si misura in nanodijkstra?
-

fairyvilje
15,0k 4 9 12 - G.Master EY

- Messaggi: 3047
- Iscritto il: 24 gen 2012, 19:23
2
voti
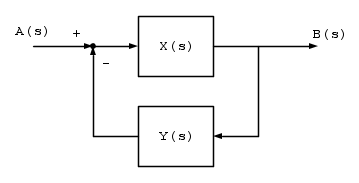
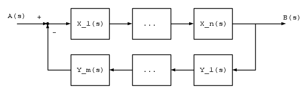
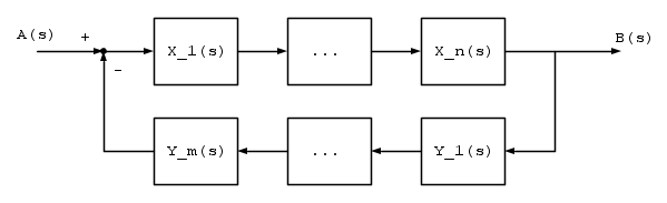
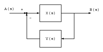
Consideriamo la generica rete con retroazione
La sua funzione di trasferimento è facilmente calcolabile:
e quindi
e infine
.
A questo punto consideriamo
e
. Quindi possiamo dividere i blocchi X e Y in n e m sottoblocchi tutti in serie.
Cosa succede se studiamo la funzione di trasferimento fra un nodo intermendio degli X che chiameremo
e l'uscita
del sistema?
ovvero
e quindi

Ti invito a fare gli stessi conti per un generico ingresso posto sul ramo di retroazione.
Ricordiamoci che si tratta di una rete lineare tempo invariante. Quindi vale la sovrapposizione degli effetti, possiamo studiare singolarmente i vari effetti per segnali "iniettati" nei singoli nodi e farne la somma.
La sua funzione di trasferimento è facilmente calcolabile:
e quindi
e infine
.A questo punto consideriamo
e
. Quindi possiamo dividere i blocchi X e Y in n e m sottoblocchi tutti in serie.Cosa succede se studiamo la funzione di trasferimento fra un nodo intermendio degli X che chiameremo
e l'uscita
del sistema?
ovvero
e quindi
Ti invito a fare gli stessi conti per un generico ingresso posto sul ramo di retroazione.
Ricordiamoci che si tratta di una rete lineare tempo invariante. Quindi vale la sovrapposizione degli effetti, possiamo studiare singolarmente i vari effetti per segnali "iniettati" nei singoli nodi e farne la somma.
"640K ought to be enough for anybody" Bill Gates (?) 1981
Qualcosa non ha funzionato...
Lo sapete che l'arroganza in informatica si misura in nanodijkstra?
Qualcosa non ha funzionato...
Lo sapete che l'arroganza in informatica si misura in nanodijkstra?
-

fairyvilje
15,0k 4 9 12 - G.Master EY

- Messaggi: 3047
- Iscritto il: 24 gen 2012, 19:23
0
voti
Se vuoi chiarirti le idee prendi un qualunque libro di controlli automatici (Bolzern-Scattolini-Schiavone, per esempio). Nella parte iniziale viene presentata la formulazione matriciale del problema; da qualche (semplicissimo) conticino viene fuori che i poli di quella che chiamiamo funzione di trasferimento dipendono solo dalla matrice che lega lo stato futuro del sistema a quello passato (l'ingresso non c'entra).
Detta così può sembrare poco chiara, ma se dai uno sguardo sul libro capisci tutto per bene :)
Detta così può sembrare poco chiara, ma se dai uno sguardo sul libro capisci tutto per bene :)
-

slashino
378 2 5 7 - CRU - Account cancellato su Richiesta utente
- Messaggi: 528
- Iscritto il: 15 mag 2012, 17:15
0
voti
Ianero ha scritto:Ho un circuito, indipendentemente da dove posiziono l'ingresso i poli della sua funzione di trasferimento non dipenderanno da tale scelta.
E' vero?
Hai qualche fonte in proposito?
17 messaggi
• Pagina 1 di 2 • 1, 2
Chi c’è in linea
Visitano il forum: Google Adsense [Bot] e 47 ospiti

Elettrotecnica e non solo (admin)
Un gatto tra gli elettroni (IsidoroKZ)
Esperienza e simulazioni (g.schgor)
Moleskine di un idraulico (RenzoDF)
Il Blog di ElectroYou (webmaster)
Idee microcontrollate (TardoFreak)
PICcoli grandi PICMicro (Paolino)
Il blog elettrico di carloc (carloc)
DirtEYblooog (dirtydeeds)
Di tutto... un po' (jordan20)
AK47 (lillo)
Esperienze elettroniche (marco438)
Telecomunicazioni musicali (clavicordo)
Automazione ed Elettronica (gustavo)
Direttive per la sicurezza (ErnestoCappelletti)
EYnfo dall'Alaska (mir)
Apriamo il quadro! (attilio)
H7-25 (asdf)
Passione Elettrica (massimob)
Elettroni a spasso (guidob)
Bloguerra (guerra)







