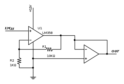
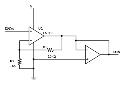
In seguito all'alimentatore con lm723, avevo un volmetro da pannello a led, 1€ made in cina, con risoluzione 0.1V quindi ho utilizzato un LM35 e per poter visualizzare la temperatura con il voltmetro in questione ho realizzato questo circuitino per amplificare la tensione d'uscita del LM35 utilizzando 1/2 LM358,
provato e funziona, solo che leggevo che sarebbe meglio utilizzare tutto LM358, ci sono controindicazioni con questa configurazione oppure no?
Amplificatore operazionale
Moderatori:
carloc,
g.schgor,
BrunoValente,
IsidoroKZ
8 messaggi
• Pagina 1 di 1
1
voti
Io varierei R1, non l'altra, così avrei una variazione lineare.
Non mi piace che quella resistenza possa arrivare fino a 0 ohm, perché da un certo valore in poi saturi l'operazionale.
Inoltre abbasserei un po' le resistenze, magari di un fattore 10, in modo che la corrente nel trimmer sia un po' più cospicua e il trimmer non smetta di funzionare dopo un po'.
Se hai messo il trimmer per fare una taratura, sarebbe meglio che tu mettessi una resistenza fissa in serie al trimmer, in modo da ridurne il range all'intorno dell'amplificazione voluta e rendere la taratura più semplice.
Inoltre: devi proprio usare un trimmer? il circuito sarebbe più affidabile se usassi due resistori fissi. In genere non serve conoscere la temperatura con una precisione elevatissima.
Se l'altro operazionale non è usato collegalo ad inseguitore di tensione con l'ingresso non invertente a 0V.
Ciao,
Pietro.
Non mi piace che quella resistenza possa arrivare fino a 0 ohm, perché da un certo valore in poi saturi l'operazionale.
Inoltre abbasserei un po' le resistenze, magari di un fattore 10, in modo che la corrente nel trimmer sia un po' più cospicua e il trimmer non smetta di funzionare dopo un po'.
Se hai messo il trimmer per fare una taratura, sarebbe meglio che tu mettessi una resistenza fissa in serie al trimmer, in modo da ridurne il range all'intorno dell'amplificazione voluta e rendere la taratura più semplice.
Inoltre: devi proprio usare un trimmer? il circuito sarebbe più affidabile se usassi due resistori fissi. In genere non serve conoscere la temperatura con una precisione elevatissima.
Se l'altro operazionale non è usato collegalo ad inseguitore di tensione con l'ingresso non invertente a 0V.
Ciao,
Pietro.
-

PietroBaima
90,7k 7 12 13 - G.Master EY

- Messaggi: 12207
- Iscritto il: 12 ago 2012, 1:20
- Località: Londra
0
voti
devi proprio usare un trimmer?
No
...temperatura con una precisione elevatissima
Non mi serve a niente una precisone elevata 1 grado in piu o meno non cambia niente
Quindi se ho fatto giusto dovrebbe essere così:
1
voti
-

PietroBaima
90,7k 7 12 13 - G.Master EY

- Messaggi: 12207
- Iscritto il: 12 ago 2012, 1:20
- Località: Londra
0
voti
e di che cosa? 
-

PietroBaima
90,7k 7 12 13 - G.Master EY

- Messaggi: 12207
- Iscritto il: 12 ago 2012, 1:20
- Località: Londra
0
voti
Ennesima domanda ignorantona: Come mai il secondo operazionale in quella configurazione? Rischia di rompersi se lasciato "fluttuante"?
Piuttosto che chiedere qualcosa a me, chiedila a Mara Maionchi. E' più competente.
-

paofanello
2.280 8 13 - Expert

- Messaggi: 532
- Iscritto il: 7 lug 2015, 21:01
2
voti
No non si rompre niente. Però lasciato libero è appunto...libero, di commutare l'uscita a qualunque spiffero di rumore, cosa che può portare anche a un funzionamento imprevisto dell'altro opa a causa del fenomeno di croas-talking fra circuiti accresciuti sullo stesso substrato.
_______________________________________________________
Gli oscillatori non oscillano mai, gli amplificatori invece sempre
Io HO i poteri della supermucca, e ne vado fiero!
Gli oscillatori non oscillano mai, gli amplificatori invece sempre
Io HO i poteri della supermucca, e ne vado fiero!
8 messaggi
• Pagina 1 di 1
Chi c’è in linea
Visitano il forum: Nessuno e 44 ospiti

Elettrotecnica e non solo (admin)
Un gatto tra gli elettroni (IsidoroKZ)
Esperienza e simulazioni (g.schgor)
Moleskine di un idraulico (RenzoDF)
Il Blog di ElectroYou (webmaster)
Idee microcontrollate (TardoFreak)
PICcoli grandi PICMicro (Paolino)
Il blog elettrico di carloc (carloc)
DirtEYblooog (dirtydeeds)
Di tutto... un po' (jordan20)
AK47 (lillo)
Esperienze elettroniche (marco438)
Telecomunicazioni musicali (clavicordo)
Automazione ed Elettronica (gustavo)
Direttive per la sicurezza (ErnestoCappelletti)
EYnfo dall'Alaska (mir)
Apriamo il quadro! (attilio)
H7-25 (asdf)
Passione Elettrica (massimob)
Elettroni a spasso (guidob)
Bloguerra (guerra)


pigreco]=π


