Cos'è ElectroYou | Login Iscriviti

ElectroYou - la comunità dei professionisti del mondo elettrico

Circuito allarme batteria scarica

Elettronica lineare e digitale: didattica ed applicazioni

Moderatori: Foto Utentecarloc, Foto Utenteg.schgor, Foto UtenteBrunoValente, Foto UtenteIsidoroKZ

0
voti

[11] Re: Circuito allarme batteria scarica

Messaggioda Foto Utentepaofanello » 8 ago 2015, 22:41

L'integrato fa esattamente al caso tuo :ok:
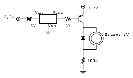
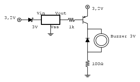
Adesso io ti posto un circuito. Prima anche solo di guardarlo però sappi che SICURAMENTE ho fatto degli errori, lo metto solo per facilitare il compito a qualcuno più esperto che magari lo completa e basta (oppure fa schifo e gli faccio solo perdere tempo :roll: )



Dando per scontato che riesci ad avere l'integrato di cui ti ho postato il link, quando la batteria è a 3,2 V con un diodo schottky nel pin Vin lui leggerà 3 V.
quando l'ingresso scende sotto tale soglia l'integrato commuta l'uscita (Vout) a massa, attivando il transistor pnp che alimenta il buzzer.
Ora arriva il bello:
1) Su internet gente mette il buzzer in parallelo ad un resistenza, altri ne mettono una in serie, altri mettono un diodo in antiparallelo. Io semplicemente non ho idea di cosa si metta insieme ad un buzzer per farlo funzionare correttamente :D
2)Sicuramente non vuoi che il suono continui all'infinito finché non si ricarichi :roll: si dovrà aggiungere uno switch per staccare il tutto, o se vuoi qualcosa di più complesso un temporizzatore che faccia suonare un poco ogni tot minuti. Penso bastino un paio di 555, ma non mi sembra il caso di esagerare nel caso in questione :ok:
Piuttosto che chiedere qualcosa a me, chiedila a Mara Maionchi. E' più competente.
Avatar utente
Foto Utentepaofanello
2.280 8 13
Expert
Expert
 
Messaggi: 532
Iscritto il: 7 lug 2015, 21:01

1
voti

[12] Re: Circuito allarme batteria scarica

Messaggioda Foto UtenteSjuanez » 8 ago 2015, 22:57

Bel progettino! Se date le dimensioni ridotte ti serve qualche SMD e vai di fretta o non li trovi, fammi un fischio che se ho qualcosa te la spedisco volentieri.

Vedrai che faremo felice il papà! O_/
Più so e più mi accorgo di non sapere.

Qualsiasi cosa abbia scritto, tieni presente che sono ancora al mio primo rocchetto di stagno.
Avatar utente
Foto UtenteSjuanez
11,3k 6 8 13
G.Master EY
G.Master EY
 
Messaggi: 3479
Iscritto il: 18 mar 2015, 13:48

0
voti

[13] Re: Circuito allarme batteria scarica

Messaggioda Foto Utenteteletommy » 9 ago 2015, 11:09

...lo so sono una zecca ma tanta è la voglia di venire a capo del problema. Ho cercato su rs il componente e ci sono da varie tensioni di intervento; immagino occorre quello a 3 volt che dovrebbe essere questo: http://it.rs-online.com/web/p/superviso ... i/7681505/.
poi scorrendo ne ho trovato uno che pare monitorizzi più tensioni: http://it.rs-online.com/web/p/superviso ... i/7681502/. Quale prendo? Come diodo shottky potreste indicarmi le caratteristiche così prendo anche quelli su rs visto che non ne ho mai utilizzati? (io ho i comuni diodi 4148, non so se possono andare ma credo di no). Grazie
Avatar utente
Foto Utenteteletommy
955 1 1 7
New entry
New entry
 
Messaggi: 65
Iscritto il: 1 mag 2012, 16:29

0
voti

[14] Re: Circuito allarme batteria scarica

Messaggioda Foto Utentepaofanello » 9 ago 2015, 11:22

Sto avendo dei problemi con la mia inesperienza. Quelli bravi sono in vacanza :mrgreen:
Cerco di spiegarti:
1)Sai saldare i componenti SMD? I link che hai messo sono di quel tipo!
2)Gli integrati in questione da datasheet assorbono correnti nell'ordine di 1-2 uA, mi è venuto il dubbio e un semplice diodo al silicio in effetti con quell'assorbimento ha una tensione di forward di circa 0,35 V. Perciò il buzzer inizierebbe a suonare se la batteria scendesse sotto i 3,35 V, pensi vada bene? Il problema è che quella parte di curva nei datasheet dei diodi neanche la disegnano, probabilmente è una regione instabile, non lineare o che ne so io. Ti direi di provare, con i tuoi 1n4148, e vedere come va, al massimo suona troppo presto e compri qualche schottky su ebay a poco.
3)Se vuoi comprare su rs:
Buzzer
Regolatore a 3 V (NON SMD)
Ma considera che l'integrato lo vendono solo a pacchi da 10 :roll:
Se vuoi comprare su ebay:
Diodi schottky (Per un euro li prenderei, poi controlli se vanno meglio questi o gli 1n4148)
Regolatore a 3 V
Buzzer
Piuttosto che chiedere qualcosa a me, chiedila a Mara Maionchi. E' più competente.
Avatar utente
Foto Utentepaofanello
2.280 8 13
Expert
Expert
 
Messaggi: 532
Iscritto il: 7 lug 2015, 21:01

0
voti

[15] Re: Circuito allarme batteria scarica

Messaggioda Foto Utenteteletommy » 9 ago 2015, 20:57

Grazie Paofanello sei veramente molto gentile. Adesso acquisto e provo appena mi arriva. Per le saldature SMD me la cavo abbastanza bene (sono una schiappa sul software ma non sull'hardware :lol: ). Grazie infinite di nuovo, mi sa però ti ridisturberò presto. p.s. non è vero che quelli bravi sono tutti in vacanza; ce n'è anche uno non in vacanza :ok:
Avatar utente
Foto Utenteteletommy
955 1 1 7
New entry
New entry
 
Messaggi: 65
Iscritto il: 1 mag 2012, 16:29

0
voti

[16] Re: Circuito allarme batteria scarica

Messaggioda Foto Utentepaofanello » 9 ago 2015, 21:26

teletommy ha scritto: ce n'è anche uno non in vacanza :ok:

Aspetta a vedere se funziona :roll:
Ripeto non so cosa vada insieme al buzzer, per ora, SOLO per fare le prove fai questo circuito, per star sicuri :mrgreen:


Poi molto probabilmente la resistenza si potrà omettere, il diodo non so.
Piuttosto che chiedere qualcosa a me, chiedila a Mara Maionchi. E' più competente.
Avatar utente
Foto Utentepaofanello
2.280 8 13
Expert
Expert
 
Messaggi: 532
Iscritto il: 7 lug 2015, 21:01

1
voti

[17] Re: Circuito allarme batteria scarica

Messaggioda Foto Utentecrovax » 10 ago 2015, 13:02

Ma qualcosa del genere?

http://www.ebay.it/itm/1S-8S-Lipo-Batte ... 20f9ff2afe

Si usa nel modellismo, puoi settare la tensione prima che suoni! Unico inconveniente, quando inizia a suonare, è davvero fastidioso!!
Carspa, il mondo dell'elettronica!
Avatar utente
Foto Utentecrovax
401 3 5 7
Sostenitore
Sostenitore
 
Messaggi: 1068
Iscritto il: 3 mar 2011, 20:50
Località: Catania

0
voti

[18] Re: Circuito allarme batteria scarica

Messaggioda Foto Utenteteletommy » 11 ago 2015, 19:04

No quello non va bene; ce l'ho su un drone ma è troppo ingombrante per l'utilizzo che ne voglio fare io e poi a mio papà verrebbe un infarto al primo beep e ce lo avrei sulla coscienza. :D . Oggi mi sono arrivati i diodi shottky da rs, domani i regolatori. Provo e faccio sapere. Grazie
Avatar utente
Foto Utenteteletommy
955 1 1 7
New entry
New entry
 
Messaggi: 65
Iscritto il: 1 mag 2012, 16:29

Precedente

Torna a Elettronica generale

Chi c’è in linea

Visitano il forum: Nessuno e 63 ospiti