
P.s. E anche che non serva un condensatore enorme per far si che ci metta tempo a caricarsi, ma piuttosto un condensatore "ragionevole" con un resistore in serie.
Moderatori:
carloc,
g.schgor,
BrunoValente,
IsidoroKZ





Ho la sensazione che il condensatore ritarderebbe sia l'eccitazione che la diseccitazione; sbaglierò

allora non funziona.dvd2000 ha scritto:(...) Tutto funziona correttamente se non che, molte volte, il portoncino in vetro non si apre in quanto se alimento nello stesso momento le 2 elettroserrature, l'alimentatore principale non fornisce abbastanza potenza per aprirle entrambe. (...)


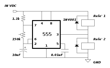
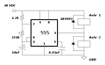
g.schgor ha scritto:.Se non è chiaro, ti faccio lo schema-
Visitano il forum: Nessuno e 148 ospiti