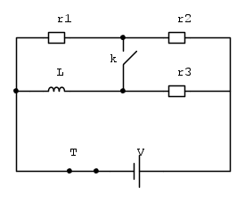
Calcolare l’energia immagazzinata nell’induttore in condizioni stazionarie con V =12 V, R1=20 Ohm, R2=40 ohm, R3=10 ohme L=4mH, quando (a) l’interruttore K è aperto e (b) quando l’interruttore è chiuso. Nell’ipotesi che l’interruttore K sia aperto da molto tempo, all’istante t=0 viene aperto l’interruttore T in modo da escludere il generatore. (c) Calcolare dopo quanto tempo la corrente che circola nei resistori si dimezza
punto a:
A regime la corrente che circola nell'induttore è costante e di conseguenza la tensione
sarà nulla.. in queste condizioni l'induttore si comporta come un cortocircuito. La corrente che circola nel ramo in cui è presente l'induttore é
. L'energia immagazzinata nell'induttoe è data da 
punto b:
In questa situazione su R1 non circola corrente e i resistori R2 ed R3 sono in parallelo. Trovo
. La corrente sarà i=V/Req e trovo l'energia come 
punto c:
Scrivo la LKT all'unica maglia presente :
con Req=R1+R2+R3. Risolvo l'equazione differenziale e, sapendo che i(0)=1,5 posso scrivere:
. Impongo che i(t)=i/2 e trovo il valore di t
Elettrotecnica e non solo (admin)
Un gatto tra gli elettroni (IsidoroKZ)
Esperienza e simulazioni (g.schgor)
Moleskine di un idraulico (RenzoDF)
Il Blog di ElectroYou (webmaster)
Idee microcontrollate (TardoFreak)
PICcoli grandi PICMicro (Paolino)
Il blog elettrico di carloc (carloc)
DirtEYblooog (dirtydeeds)
Di tutto... un po' (jordan20)
AK47 (lillo)
Esperienze elettroniche (marco438)
Telecomunicazioni musicali (clavicordo)
Automazione ed Elettronica (gustavo)
Direttive per la sicurezza (ErnestoCappelletti)
EYnfo dall'Alaska (mir)
Apriamo il quadro! (attilio)
H7-25 (asdf)
Passione Elettrica (massimob)
Elettroni a spasso (guidob)
Bloguerra (guerra)

buoni esercizi

Buon ferragosto e buona cena