Cos'è ElectroYou | Login Iscriviti

ElectroYou - la comunità dei professionisti del mondo elettrico

Dimensionare CMOS

Elettronica lineare e digitale: didattica ed applicazioni

Moderatori: Foto Utentecarloc, Foto Utenteg.schgor, Foto UtenteBrunoValente, Foto UtenteIsidoroKZ

1
voti

[1] Dimensionare CMOS

Messaggioda Foto UtenteCesc99 » 16 ago 2015, 12:51

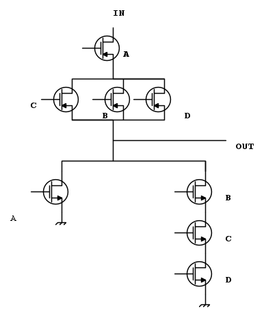
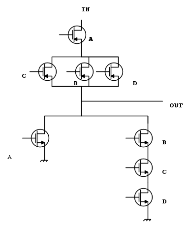
Salve a tutti :D Stavo svolgendo un esercizio che mi ha mandato un po' in difficoltà,ecco perché vorrei un vostro aiuto,qualora fosse possibile :ok: Devo realizzare la funzione logica A+BCD (la funzione è tutta negata) e dimensionare rispetto al Cmos di riferimento in modo che il ritardo medio di propagazione deve risultare pari a quello dell'invertitore di riferimento diviso 2,ossia la metà :mrgreen: .
Il problema sorge in questo punto,non riesco a capire che ragionamento devo fare per dimensionare,avevo pensato di dividere le dimensioni di ogni transistor per 2. Ma non sono sicuro :oops: . Vi allego, il mio svolgimento..
Avatar utente
Foto UtenteCesc99
10 4
 
Messaggi: 44
Iscritto il: 10 nov 2014, 12:03

1
voti

[2] Re: Dimensionare CMOS

Messaggioda Foto Utentesimo85 » 16 ago 2015, 15:47

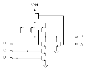
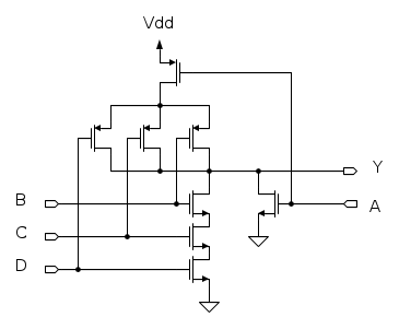
Attenzione che hai girato i PMOS al contrario. Cosi lo schema dovrebbe essere corretto:



Ciao,
Simo
Avatar utente
Foto Utentesimo85
30,9k 7 12 13
Disattivato su sua richiesta
 
Messaggi: 9927
Iscritto il: 30 ago 2010, 4:59

0
voti

[3] Re: Dimensionare CMOS

Messaggioda Foto UtenteCesc99 » 16 ago 2015, 16:31

Grazie della risposta,ma in che senso girato al contrario? ho trovato solo quel simbolo per i PMOS su fidocad.. :?:
Avatar utente
Foto UtenteCesc99
10 4
 
Messaggi: 44
Iscritto il: 10 nov 2014, 12:03

1
voti

[4] Re: Dimensionare CMOS

Messaggioda Foto Utentesimo85 » 16 ago 2015, 16:44

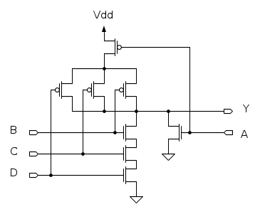
Sono girati al contrario perché, per i PMOS, hai collegato il terminale di Source dove dovresti collegare quello di Drain.



Con Fidocadj il componente si gira con R. E si specchia con S.

EDIT:

Se si vuole evitare possibili confusiuoni, si possono usare i simboli digitali:



In questo caso dovrebbero essere sottointesi quali sono Source e Drain per ambi i tipi di MOS. :-)

Ciao,
Simo
Avatar utente
Foto Utentesimo85
30,9k 7 12 13
Disattivato su sua richiesta
 
Messaggi: 9927
Iscritto il: 30 ago 2010, 4:59

0
voti

[5] Re: Dimensionare CMOS

Messaggioda Foto UtenteCesc99 » 16 ago 2015, 17:34

Non si smette mai di imparare :ok: Mi sai dire di più sulla seconda questione?
Avatar utente
Foto UtenteCesc99
10 4
 
Messaggi: 44
Iscritto il: 10 nov 2014, 12:03

0
voti

[6] Re: Dimensionare CMOS

Messaggioda Foto Utentesimo85 » 16 ago 2015, 21:04

Cesc99 ha scritto:Mi sai dire di più sulla seconda questione?

Cosi su due piedi no. Mi dispiace. :(

Però questa frase, almeno io, non l'ho capita:

Cesc99 ha scritto:dimensionare rispetto al Cmos di riferimento in modo che il ritardo medio di propagazione deve risultare pari a quello dell'invertitore di riferimento diviso 2

Cosa intendi per "il CMOS di riferimento" ?
CMOS è il nome dell'architettura (che fa uso di MOSFET complementari P ed N, da qui il nome).
Volevi dire "MOS di riferimento" ? In questo caso, quale sarebbe ?
Stessa domanda per "l'invertitore di riferimento".

Secondo me non sei stato molto chiaro. Forse se ti spieghi meglio (magari con qualche conto in LaTeX) qualcuno potrà dire di più.

Ciao,
Simo
Avatar utente
Foto Utentesimo85
30,9k 7 12 13
Disattivato su sua richiesta
 
Messaggi: 9927
Iscritto il: 30 ago 2010, 4:59

0
voti

[7] Re: Dimensionare CMOS

Messaggioda Foto UtenteCesc99 » 17 ago 2015, 1:01

Scusami,hai ragione..non sono stato preciso. Allora le dimensioni dell'invertitore CMOS di riferimento è 2/1 per i transistor della rete di pull down,mentre 5/1 quelli della rete di pull up.
Avatar utente
Foto UtenteCesc99
10 4
 
Messaggi: 44
Iscritto il: 10 nov 2014, 12:03

3
voti

[8] Re: Dimensionare CMOS

Messaggioda Foto UtenteIsidoroKZ » 17 ago 2015, 1:44

Ti do solo una indicazione di massima su come procedere. I dettagli dipendono da cosa vuole il prof, come lo ha spiegato a lezione... ad esempio se considera le capacita` di ingresso del circuito, se considera le capacita` di uscita del MOS oppure solo quelle di carico...

Il ritardo di un blocco dipende dalla resistenza che il blocco fa a caricare in fretta la capacita` di uscita. Per avere una carica e scarica simmetrica bisogna fare in modo che i possibili percorsi abbiano tutti la stessa resistenza.

Per avere l'uscita alta devi avere in conduzione il pmos A e uno dei tre pomos B C e D. Il che vuol dire che la resistenza di carica e` nel caso peggiore data dalla somma delle resistenze di due pmos.

Per la scarica invece puoi avere la conduzione attraverso l'nmos A oppure attraverso la serie dei tre nmos B C e D.

Allora per avere sempre lo stesso tempo di discesa devi avere che la resistenza dell'nmos A deve essere uguale a quella dei tre nmos B C e D in serie. Quindi gli nmos B C e D devono essere larghi tre volte tanto A. E due pmos in serie devono dare la stessa resistenza di un nmos, e quindi saranno probabilmente larghi 6 volte l'nmos A, perche' ci sono due dispositivi in serie ed essendo dei p conducono di meno.

Questa e` una analisi per avere lo stesso tempo di salita e discesa massimo. Il tempo di salita e discesa e` anche legato al tempo di propagazione, ma dipende da come e` stato definito a lezione. Non so che cosa intenda con tempo medio, non c'ero in classe :(

Se il MOS di riferimento ha W/L per l'n pari a 1 e W/L per il p pari a 3, vuol dire che per l'nmos A devi avere W/L=2 in modo da avere meta` resistenza e quindi per B C e D nmos deve essere W/L=6. Poi procedi sulla stessa strada per i pmos.

NB: potrebbe essere tutto sbagliato, perche' buona parte dei problemi di esame sono definiti dal testo e dalle convenzioni piu` o meno implicite definite dal docente durante il corso.
Per usare proficuamente un simulatore, bisogna sapere molta più elettronica di lui
Plug it in - it works better!
Il 555 sta all'elettronica come Arduino all'informatica! (entrambi loro malgrado)
Se volete risposte rispondete a tutte le mie domande
Avatar utente
Foto UtenteIsidoroKZ
121,2k 1 3 8
G.Master EY
G.Master EY
 
Messaggi: 21059
Iscritto il: 17 ott 2009, 0:00

1
voti

[9] Re: Dimensionare CMOS

Messaggioda Foto Utenteclaudiocedrone » 17 ago 2015, 1:58

IsidoroKZ ha scritto: ...buona parte dei problemi di esame sono definiti dal testo e dalle convenzioni piu` o meno implicite definite dal docente durante il corso...

:-) Mi permetto di rimarcare questa parte in quanto ho notato che ciò è spesso ignorato o non tenuto nella giusta considerazione dagli studenti che chiedono aiuto sul forum ;-) O_/
"Non farei mai parte di un club che accettasse la mia iscrizione" (G. Marx)
Avatar utente
Foto Utenteclaudiocedrone
21,3k 4 7 9
Master EY
Master EY
 
Messaggi: 15302
Iscritto il: 18 gen 2012, 13:36

0
voti

[10] Re: Dimensionare CMOS

Messaggioda Foto UtenteCesc99 » 17 ago 2015, 11:32

Grazie della risposta,prima di tutto :) Allora per quanto riguarda il dimensionamento del CMOS ragionando sul percorso peggiore è quello che ho fatto e che corrisponde a ciò che tu hai scritto :ok: Non capisco perché tu voglia dimezzare la resistenza,quindi moltiplicare per due i rapporti d'aspetto.A che relazione ti stai attenendo? A intuito,se la resistenza è doppia c'è minore "opposizione" e di conseguenza maggiore "velocità" non minore "velocità". Un discorso molto semplicistico,ma era solo per trovare una logica..
Avatar utente
Foto UtenteCesc99
10 4
 
Messaggi: 44
Iscritto il: 10 nov 2014, 12:03

Prossimo

Torna a Elettronica generale

Chi c’è in linea

Visitano il forum: Nessuno e 298 ospiti