Ciao a tutti...
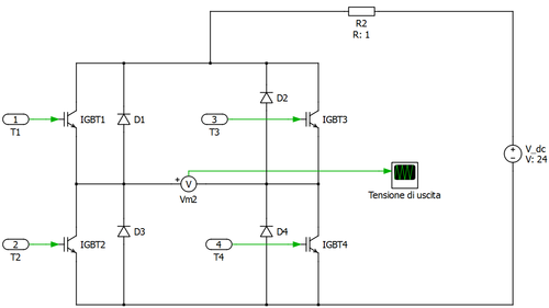
volevo a chiedere a voi un parere riguardo a un progettino che sto portando avanti. Ho un carico resistivo-induttivo (un solenoide avente R=20 Ω e L=9 mH) da alimentare con un onda quadra duale ±24 V. E' da giorni che mi chiedo come generare tale alimentazione con Duty cycle e frequenza variabile (5-50 Hz). Ho pensato di usare un ponte H collegato a un alimentatore esterno a 24 V e comandarlo attraverso Arduino accendendo e spegnendo i dispositivi sulla diagonale del ponte. Dalle simulazioni mi risulta una tensione in uscita del ponte duale ±24 V partendo da un'alimentazione di 24 V.
Ora vi chiedo, è la strada giusta? O sto dicendo cavolate? Gli operazionali gli ho lasciati perdere per le tensioni troppo basse.
Generare onda quadra ±24 V
Moderatori:
carloc,
g.schgor,
BrunoValente,
IsidoroKZ
5 messaggi
• Pagina 1 di 1
0
voti
Si, sei sulla strada giusta.
Occhio che devi prevedere dei tempi morti sulle accensioni degli switch perché se no rischi che quello superiore inizi ad accendersi mentre quello inferiore non si è ancora spento, cortocircuitando il generatore.
Occhio che devi prevedere dei tempi morti sulle accensioni degli switch perché se no rischi che quello superiore inizi ad accendersi mentre quello inferiore non si è ancora spento, cortocircuitando il generatore.
Atlant.
Behind every great man is a woman rolling her eyes.
Behind every great man is a woman rolling her eyes.
4
voti
A quelle tensioni non puoi pilotare gli igbt direttamente con arduino, poi ti consiglio di utilizzare dei mosfet al posto degli igbt e pilotarli con uno dei tanti integrati driver per mosfet che si occupano di farli commutare come si deve e evitano la possibilità di conduzione contemporanea, tipo questo che puoi trovare da RS.
A pag. 3 del datasheet trovi lo schema di un driver PWM che dovrebbe fare al caso tuo.
I segnali per pilotare l'integrato, se proprio ti piace, puoi generarli con arduino.
A pag. 3 del datasheet trovi lo schema di un driver PWM che dovrebbe fare al caso tuo.
I segnali per pilotare l'integrato, se proprio ti piace, puoi generarli con arduino.
-

BrunoValente
39,6k 7 11 13 - G.Master EY

- Messaggi: 7796
- Iscritto il: 8 mag 2007, 14:48
0
voti
Grazie mille del consiglio..Inizialmente volevo usare il MOS IRL40 che si dovrebbe pilotare con i 5V.. poi ho cambiato strada dopo aver visto integrato L298 che contiene già al suo interno 2 ponti H. Sto valutando se acquistare delle schedine di potenza con già montato questo dispositivo però mi semplificherebbe notevolmente il lavoro.
5 messaggi
• Pagina 1 di 1
Chi c’è in linea
Visitano il forum: Google [Bot] e 50 ospiti

Elettrotecnica e non solo (admin)
Un gatto tra gli elettroni (IsidoroKZ)
Esperienza e simulazioni (g.schgor)
Moleskine di un idraulico (RenzoDF)
Il Blog di ElectroYou (webmaster)
Idee microcontrollate (TardoFreak)
PICcoli grandi PICMicro (Paolino)
Il blog elettrico di carloc (carloc)
DirtEYblooog (dirtydeeds)
Di tutto... un po' (jordan20)
AK47 (lillo)
Esperienze elettroniche (marco438)
Telecomunicazioni musicali (clavicordo)
Automazione ed Elettronica (gustavo)
Direttive per la sicurezza (ErnestoCappelletti)
EYnfo dall'Alaska (mir)
Apriamo il quadro! (attilio)
H7-25 (asdf)
Passione Elettrica (massimob)
Elettroni a spasso (guidob)
Bloguerra (guerra)


.. Si si.. lo so.. infatti gli ho inseriti nella simulazione.. Dopo come farli per via software non ci ho ancora pensato