Salve a tutti, sono un elettricista e per passione mi diverto con un po di elettronica. Ho installato un po di tempo fa un impianto di allarme in casa mia e pia piano ho pensando di ampliarlo con messaggi vocali esempio: inserito,disinserito ecc.. quindi ho realizzato dei semplici circuiti dove posso registrare un solo messaggio attivandoli poi con uscite derivate dalla mia centrale. Fino a qui tutto ok, ora voglio eliminare gli altoparlanti e usarne solo 1, dato che i messaggi non si sovrappongono. penso di arrivare a 7 messaggi.
Ora chiedo: posso mettere in parallelo le varie uscite su un unico altoparlante?
registratore/riproduttore vocale
Moderatori:
carloc,
g.schgor,
BrunoValente,
IsidoroKZ
13 messaggi
• Pagina 1 di 2 • 1, 2
1
voti
per sommare piu' segnali analogici puoi ad esempio procedere con questo circuito
https://it.wikipedia.org/wiki/Sommatore_analogico
https://it.wikipedia.org/wiki/Sommatore_analogico
0
voti
Scusami
Russell, ti andrebbe di spiegarmi perché non si possono collegare semplicemente in parallelo i dispositivi dell'OP? Anche perché non si sovrappongono mai i segnali.
Ti ringrazio.

Ti ringrazio.

Più so e più mi accorgo di non sapere.
Qualsiasi cosa abbia scritto, tieni presente che sono ancora al mio primo rocchetto di stagno.
Qualsiasi cosa abbia scritto, tieni presente che sono ancora al mio primo rocchetto di stagno.
0
voti
non so.. forse vedrei indicato più un mixer. Anche perché nelle centrali allarme che non hanno questa funzione le uscite a disposizione non sono molte, e il promo posto dove prenderei il riferimento per azionare la riproduzione sono i led di stato, ma li sorgerebbero altri problemi.
Correzione
guardando un po' di schemi tutto sommato quello proposto da
Russell potrebbe andare bene...
Correzione
-

elettroigor
2.063 1 5 12 - Expert free
- Messaggi: 780
- Iscritto il: 22 gen 2011, 0:02
2
voti
Sjuanez ha scritto:perché non si possono collegare semplicemente in parallelo i dispositivi dell'OP?
perche' se i vari circuiti fossero anche solo alimentati, con uno solo in riproduzione, imporrebbero comunque ciascuno una tensione diversa al nodo sul quale convergono tutti i circuiti... e questo non sarebbe simpatico, perche' a forza di fare braccio di ferro qualcuno si romperebbe
potresti mettere una resistenza in serie a ciascun circuito... ma appunto tanto vale alla fine mettere l'operazionale che cosi' fa' anche da buffer
poi diamine, la mia era solo un'idea, magari si puo' fare anche in altri modi
in effetti cercando la parola mixer in rete qualche circuito a dare ulteriori spunti dovrebbe saltare fuori
0
voti
poi diamine, la mia era solo un'idea, magari si puo' fare anche in altri modi
in effetti cercando la parola mixer in rete qualche circuito a dare ulteriori spunti dovrebbe saltare fuori
No, ma ci mancherebbe. La mia era una curiosità da principiante, mica una critica o roba del genere. Mi interessava solo capire questa possibilità di collegare più "fonti" di segnale audio non utilizzabili in contemporanea, in parallelo ad uno speaker. Tutto qua.
Grazie per la spiegazione.

Più so e più mi accorgo di non sapere.
Qualsiasi cosa abbia scritto, tieni presente che sono ancora al mio primo rocchetto di stagno.
Qualsiasi cosa abbia scritto, tieni presente che sono ancora al mio primo rocchetto di stagno.
0
voti
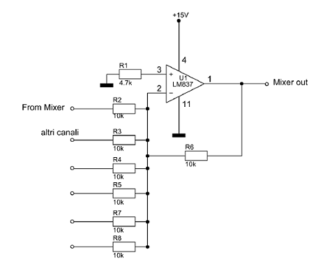
Grazie a tutti per le risposte, io sono un elettricista e non ho basi di elettronica, potete postarmi un circuito con 5 ingressi? ho trovato questo,può andare al mio caso?
- Allegati
-
- Immagine mixer.png (17.86 KiB) Osservato 7169 volte
-

nicolini2000
10 5 - Messaggi: 46
- Iscritto il: 20 set 2011, 0:00
0
voti
Quel circuito è un miscelatore per piccoli segnali e l'uscita non è in grado da sola di pilotare un altoparlante e andrebbe amplificata. Suppongo che ogni uscita derivata dalla tua centrale attivi un modulino con il messaggio che finisce su un altoparlante. Quel circuito miscelatore andrebbe fra la parte del modulino che genera il segnale vocale e la parte del modulino che lo amplifica per pilotare un altoparlante. In buona sostanza tu avresti sette modulini con la parte che genera il segnale vocale in ingresso a quel circuito e una sola parte di amplificazione del segnale da mandare ad un unico altoparlante. Se posti uno schema possiamo essere più precisi.
1
voti
grazie pgiano ti posto lo schema, si trova benissimo anche su internet. siccome i progetti sono gia realizzati avrei la necessita di modificare solo la parte dell'altoparlante. Naturalmente il play viene dato anche da un contatto di un relè pilotato dalla centrale di allarme
-

nicolini2000
10 5 - Messaggi: 46
- Iscritto il: 20 set 2011, 0:00
0
voti
Ok, si tratta di un modulo basato sull'integrato ISD1820.
Leggendo questo http://www.mpja.com/download/isd1800-datasheet.pdf datasheet alla pagina 7, c'è scritto che l'altoparlante si può collegare fra SP+ e SP-, come hai fatto tu per ciascun modulino. Se ho capito bene c'è anche scritto che si può collegare l'altoparlante in "single ended" connettendolo fra lo SP+ e la massa (sembrerebbe SENZA utilizzare SP-) interponendo un condensatore elettrolitico da una decina di microF (SP+ -> +10uF- -> ALTOPARLANTE -> GND). In questo caso si avrà un volume più basso, ma se fosse sufficiente (fai una prova con un modulino) penso (PENSO) che si potrebbe connettere un condensatore da 10 uF a ogni SP+ e connettere insieme tutti i terminali negativi dei condensatori a un unico altoparlante.
Sempre nel datasheet c'è scritto anche che se il modulino NON è in playback mode sia SP+ che SP- sono floating, cioè scollegati. Questo significa che, se uno e UNO SOLO, modulino per volta va in playback dovrebbe (DOVREBBE) essere possibile connettere insieme tutti gli SP+ fra loro, e gli SP- fra loro, ad un unico altoparlante.
La prima soluzione mi sembra la più sicura, ma avrai un volume basso, la seconda più rischiosa, ma secondo il datasheet, fattibile. Io proverei con due soli modulini per vedere cosa succede. Spero che non costino troppo.
Leggendo questo http://www.mpja.com/download/isd1800-datasheet.pdf datasheet alla pagina 7, c'è scritto che l'altoparlante si può collegare fra SP+ e SP-, come hai fatto tu per ciascun modulino. Se ho capito bene c'è anche scritto che si può collegare l'altoparlante in "single ended" connettendolo fra lo SP+ e la massa (sembrerebbe SENZA utilizzare SP-) interponendo un condensatore elettrolitico da una decina di microF (SP+ -> +10uF- -> ALTOPARLANTE -> GND). In questo caso si avrà un volume più basso, ma se fosse sufficiente (fai una prova con un modulino) penso (PENSO) che si potrebbe connettere un condensatore da 10 uF a ogni SP+ e connettere insieme tutti i terminali negativi dei condensatori a un unico altoparlante.
Sempre nel datasheet c'è scritto anche che se il modulino NON è in playback mode sia SP+ che SP- sono floating, cioè scollegati. Questo significa che, se uno e UNO SOLO, modulino per volta va in playback dovrebbe (DOVREBBE) essere possibile connettere insieme tutti gli SP+ fra loro, e gli SP- fra loro, ad un unico altoparlante.
La prima soluzione mi sembra la più sicura, ma avrai un volume basso, la seconda più rischiosa, ma secondo il datasheet, fattibile. Io proverei con due soli modulini per vedere cosa succede. Spero che non costino troppo.
13 messaggi
• Pagina 1 di 2 • 1, 2
Chi c’è in linea
Visitano il forum: Nessuno e 101 ospiti

Elettrotecnica e non solo (admin)
Un gatto tra gli elettroni (IsidoroKZ)
Esperienza e simulazioni (g.schgor)
Moleskine di un idraulico (RenzoDF)
Il Blog di ElectroYou (webmaster)
Idee microcontrollate (TardoFreak)
PICcoli grandi PICMicro (Paolino)
Il blog elettrico di carloc (carloc)
DirtEYblooog (dirtydeeds)
Di tutto... un po' (jordan20)
AK47 (lillo)
Esperienze elettroniche (marco438)
Telecomunicazioni musicali (clavicordo)
Automazione ed Elettronica (gustavo)
Direttive per la sicurezza (ErnestoCappelletti)
EYnfo dall'Alaska (mir)
Apriamo il quadro! (attilio)
H7-25 (asdf)
Passione Elettrica (massimob)
Elettroni a spasso (guidob)
Bloguerra (guerra)




