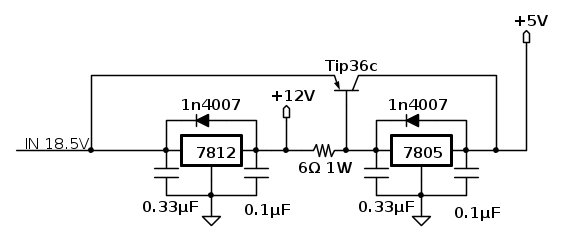
Ciao...
Ho la necessità di alimentare due circuiti uno a 12v ed uno a 5v.
L'entrata a 18,5V la ricavo da un'alimentatore per portatile, per quanto riguarda il ramo a 12V serve solo per alimentare una ventola da PC, quindi massimo 400mA, invece per quanto riguarda il ramo a 5V tra rele ed altro arrivo ad un massimo di 1,4A, realmente non supero 1,2A.
Secondo i conti che ho fatto sul 7812 dovrei dissipare circa 2,5W quindi dovrei arrivare ad una temperatura di circa 170 gradi il che impone un dissipatore forse anche ventilato.
Mentre per il 7805 con una resistenza da 6Ω 1W dovrei prelevare 200mA dal regolatore ed il restante dal TIP36.
limitando cosi la dissipazione ad 1.5W per una temperatura di 90° circa per il 7805 e 2W ed una temperatura di 72° per il TIP.
La cosa che chiederei è :
E' giusto tutto sto papiro oppure ho sbagliato qualcosa (tutto)?
Alimentazione +12 e +5
Moderatori:
carloc,
g.schgor,
BrunoValente,
IsidoroKZ
9 messaggi
• Pagina 1 di 1
1
voti
solideo ha scritto:Ciao...
Ho la necessità di alimentare due circuiti uno a 12 V ed uno a 5 V.
L'entrata a 18,5 V la ricavo da un'alimentatore per portatile, per quanto riguarda il ramo a 12 V serve solo per alimentare una ventola da PC, quindi massimo 400mA, invece per quanto riguarda il ramo a 5 V tra rele ed altro arrivo ad un massimo di 1,4A, realmente non supero 1,2A.
Vuoi 1.4 o 1.2? prima di procedere a qualunque progetto, sia anche hobbistico, bisogna sempre avere ben chiare le specifiche.
solideo ha scritto:Secondo i conti che ho fatto sul 7812 dovrei dissipare circa 2,5W ....
E' giusto tutto sto papiro oppure ho sbagliato qualcosa (tutto)?...
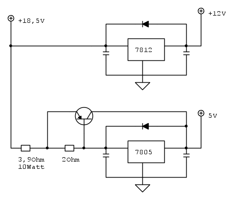
Diciamo che c'è molto da rivedere.

Il 2,5W ti viene fuori utilizzando come corrente nel 7812 i 400mA (fa 2,6W in realtà). Però non puoi considerare così, attraverso il 7812 passa anche la corrente del 7805. Anche nelle tue intenzioni, quindi, passerebbero per il 7812 600mA che con 6,5V farebbero 0,6*6,5 = 3,9W. C'è però la piccola questione che così quel transistor non funziona, visto che ha l'emettitore a 18,5V e la base a 12V in teoria, in pratica ovviamente no. Visto che il 7812 in uscita è in grado di fare il solo source, quello che ottieni con quel circuito sono circa 18V al posto della 12V e della 5V, e i due regolatori spenti.
Io separerei i due rami a 12 e a 5V, con una resistenza grossa (di potenza) in serie al 7805 per aiutare regolatore e transistor e uno shunt che si attivi intorno ai 300mA. Per esempio, una 3,9Ohm 10W, 7805 e shunt con 2 Ohm fra base ed emettitore:
Con questa configurazione, ottieni i seguenti valori di potenza dissipata:
ILoad = corrente assorbita dalla 5V (in A)
Vr tensione a valle della resistenza di limitazione da 3,9V (in V)
Ptr potenza dissipata dal transistor (in W)
P7805 potenza dissipata dal regolatore (in W)
Pr potenza dissipata dalla resistenza (in W)
sia il 7805 che il transistor (il TIP36A va bene) vanno quindi alettati.
Per completezza, queste le potenze con R = 0:
_______________________________________________________
Gli oscillatori non oscillano mai, gli amplificatori invece sempre
Io HO i poteri della supermucca, e ne vado fiero!
Gli oscillatori non oscillano mai, gli amplificatori invece sempre
Io HO i poteri della supermucca, e ne vado fiero!
0
voti
Mii che casino era successo!
ora dovrebbe essere a posto...
ora dovrebbe essere a posto...
_______________________________________________________
Gli oscillatori non oscillano mai, gli amplificatori invece sempre
Io HO i poteri della supermucca, e ne vado fiero!
Gli oscillatori non oscillano mai, gli amplificatori invece sempre
Io HO i poteri della supermucca, e ne vado fiero!
0
voti
marco438 ha scritto:Ma non e' piu' semplice, invece di dissipare inutilmente energia, usare due step-down cinesi da due euro?
di sicuro, ma magari era un progetto didattico...
_______________________________________________________
Gli oscillatori non oscillano mai, gli amplificatori invece sempre
Io HO i poteri della supermucca, e ne vado fiero!
Gli oscillatori non oscillano mai, gli amplificatori invece sempre
Io HO i poteri della supermucca, e ne vado fiero!
1
voti
Oltre al 7805 e transistor, si possono mettere due 7805 in parallelo, conservando così la protezione contro i cortocircuiti. La resistenza da 3.9ohm prima deI regolatore a 5V va bene anche con due regolatori, sposta la dissipazione. Se non c'è limitazione di corrente, in caso di cortocircuito sull'uscita anche questa resistenza è a rischio.
Il diodo a cavallo del 7805 non serve di sicuro, quello sul 7812 potrebbe non servire, dipende dai carichi capacitivi. Se dopo il 7812 c'è solo la ventola, probabilmente non serve e che lui.
Il diodo a cavallo del 7805 non serve di sicuro, quello sul 7812 potrebbe non servire, dipende dai carichi capacitivi. Se dopo il 7812 c'è solo la ventola, probabilmente non serve e che lui.
Per usare proficuamente un simulatore, bisogna sapere molta più elettronica di lui
Plug it in - it works better!
Il 555 sta all'elettronica come Arduino all'informatica! (entrambi loro malgrado)
Se volete risposte rispondete a tutte le mie domande
Plug it in - it works better!
Il 555 sta all'elettronica come Arduino all'informatica! (entrambi loro malgrado)
Se volete risposte rispondete a tutte le mie domande
1
voti
Intanto GRAZIE
In realta 1.2A sono sufficenti, ma pensavo che avere un piccolo margine non facesse male.
Guardando le potenze da dissipare mi pare assurdo da fare, mica voglio fare una stufa.
Sicuramente SI, e ne ho a disposizione anche diversi, ma vuoi mettere riiuscire a capire qualcosina e riuscire a farsela, non c'è paragone, e ci ho pensato anchio a due stepdown.
Vuoi 1.4 o 1.2?
In realta 1.2A sono sufficenti, ma pensavo che avere un piccolo margine non facesse male.
Guardando le potenze da dissipare mi pare assurdo da fare, mica voglio fare una stufa.
usare due step-down cinesi da due euro?
Sicuramente SI, e ne ho a disposizione anche diversi, ma vuoi mettere riiuscire a capire qualcosina e riuscire a farsela, non c'è paragone, e ci ho pensato anchio a due stepdown.
9 messaggi
• Pagina 1 di 1
Chi c’è in linea
Visitano il forum: Nessuno e 43 ospiti

Elettrotecnica e non solo (admin)
Un gatto tra gli elettroni (IsidoroKZ)
Esperienza e simulazioni (g.schgor)
Moleskine di un idraulico (RenzoDF)
Il Blog di ElectroYou (webmaster)
Idee microcontrollate (TardoFreak)
PICcoli grandi PICMicro (Paolino)
Il blog elettrico di carloc (carloc)
DirtEYblooog (dirtydeeds)
Di tutto... un po' (jordan20)
AK47 (lillo)
Esperienze elettroniche (marco438)
Telecomunicazioni musicali (clavicordo)
Automazione ed Elettronica (gustavo)
Direttive per la sicurezza (ErnestoCappelletti)
EYnfo dall'Alaska (mir)
Apriamo il quadro! (attilio)
H7-25 (asdf)
Passione Elettrica (massimob)
Elettroni a spasso (guidob)
Bloguerra (guerra)








