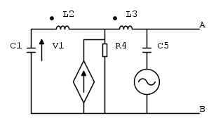
Come dati ho
per il generatore di tensione indipendente
per il generatore di corrente pilotato
Come di consueto metto in cortocircuito il generatore indipendente.
Ora però mi sorge il problema, come posso trovare l'equivalente di Thevenin?
So che in teoria dovrei attaccare un generatore di prova, ma la cosa non mi aiuta affato.
Non chiedo che mi venga risolto l'esercizio (la pappa pronta non aiuta molto a capire) quanto piuttosto capire se mi sto muovendo nella direzione giusta ed evidentemente come poter procedere.
Grazie Mille

Elettrotecnica e non solo (admin)
Un gatto tra gli elettroni (IsidoroKZ)
Esperienza e simulazioni (g.schgor)
Moleskine di un idraulico (RenzoDF)
Il Blog di ElectroYou (webmaster)
Idee microcontrollate (TardoFreak)
PICcoli grandi PICMicro (Paolino)
Il blog elettrico di carloc (carloc)
DirtEYblooog (dirtydeeds)
Di tutto... un po' (jordan20)
AK47 (lillo)
Esperienze elettroniche (marco438)
Telecomunicazioni musicali (clavicordo)
Automazione ed Elettronica (gustavo)
Direttive per la sicurezza (ErnestoCappelletti)
EYnfo dall'Alaska (mir)
Apriamo il quadro! (attilio)
H7-25 (asdf)
Passione Elettrica (massimob)
Elettroni a spasso (guidob)
Bloguerra (guerra)







indica la mutua induttanza

che scorre dentro l'impedenza
e quindi calcolare la differenza di potenziale ai suoi capi.
.