Salve a tutti,
ho un dubbio per quanto riguarda i circuiti dinamici del secondo ordine con generatori sinusoidali.
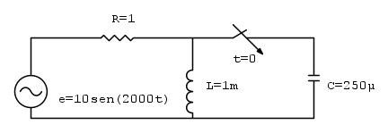
Ora posto un esempio:
Devo trovarmi Vc(t) per t>0.
Ora:
-per t<0 lo risolvo come un normale circuito sinusoidale (trasformando, quindi, i bipoli in impedenze)?
-per t>0? (Il metodo risolutivo che conosco è solo quello delle equazioni differenziali).
Vi ringrazio anticipatamente!
Circuito dinamico del secondo ordine
Moderatori:
g.schgor,
IsidoroKZ
5 messaggi
• Pagina 1 di 1
0
voti
2
voti
Per t>0 puoi usare le equazioni differenziali o le trasformate di Laplace, che per i transitori di questo genere sono un pochino incasinate. Andiamo di eq. diff.
Per risolvere una eq. diff. servono le condizioni iniziali, in questo caso la corrente in L e la tensione su C al tempo t=0. Notare che non ho scritto 0+ o 0- perche' tanto sono variabili di stato, e a meno di casi patologici sono funzioni continue.
La tensione iniziale di C dovrebbe essere specificata, se non lo e` si puo` assumere che sia nulla. La corrente attraverso L, con l'interruttore aperto, e` una corrente a regime dato che il circuito e` li` da prima dell'inizio dei tempi
, e quindi puoi trovare la corrente dell'induttore al tempo 0- (con l'interruttore aperto) usando i fasori.
Quindi: con l'interruttore aperto hai un circuito RL, a regime sinusoidale, usi i fasori per trovare la corrente a t=0 (o se ti piace di piu` 0-). Poi usi questa condizione iniziale insieme con quella sul condensatore per scrivere e risolvere l'equazione differenziale del sistema del secondo ordine.
Per risolvere una eq. diff. servono le condizioni iniziali, in questo caso la corrente in L e la tensione su C al tempo t=0. Notare che non ho scritto 0+ o 0- perche' tanto sono variabili di stato, e a meno di casi patologici sono funzioni continue.
La tensione iniziale di C dovrebbe essere specificata, se non lo e` si puo` assumere che sia nulla. La corrente attraverso L, con l'interruttore aperto, e` una corrente a regime dato che il circuito e` li` da prima dell'inizio dei tempi
Quindi: con l'interruttore aperto hai un circuito RL, a regime sinusoidale, usi i fasori per trovare la corrente a t=0 (o se ti piace di piu` 0-). Poi usi questa condizione iniziale insieme con quella sul condensatore per scrivere e risolvere l'equazione differenziale del sistema del secondo ordine.
Per usare proficuamente un simulatore, bisogna sapere molta più elettronica di lui
Plug it in - it works better!
Il 555 sta all'elettronica come Arduino all'informatica! (entrambi loro malgrado)
Se volete risposte rispondete a tutte le mie domande
Plug it in - it works better!
Il 555 sta all'elettronica come Arduino all'informatica! (entrambi loro malgrado)
Se volete risposte rispondete a tutte le mie domande
0
voti
IsidoroKZ ha scritto: La tensione iniziale di C dovrebbe essere specificata, se non lo e` si puo` assumere che sia nulla.
Di solito è sempre specificata? E per quale motivo è nulla? Non dovrebbe essere uguale alla caduta di tensione su L?
Altra domanda: l'equazione differenziale si risolve normalmente? Come mi devo comportare visto che il termine noto è sinusoidale??
0
voti

"Non farei mai parte di un club che accettasse la mia iscrizione" (G. Marx)
-

claudiocedrone
21,3k 4 7 9 - Master EY

- Messaggi: 15302
- Iscritto il: 18 gen 2012, 13:36
0
voti
5 messaggi
• Pagina 1 di 1
Torna a Elettrotecnica generale
Chi c’è in linea
Visitano il forum: Google [Bot] e 20 ospiti

Elettrotecnica e non solo (admin)
Un gatto tra gli elettroni (IsidoroKZ)
Esperienza e simulazioni (g.schgor)
Moleskine di un idraulico (RenzoDF)
Il Blog di ElectroYou (webmaster)
Idee microcontrollate (TardoFreak)
PICcoli grandi PICMicro (Paolino)
Il blog elettrico di carloc (carloc)
DirtEYblooog (dirtydeeds)
Di tutto... un po' (jordan20)
AK47 (lillo)
Esperienze elettroniche (marco438)
Telecomunicazioni musicali (clavicordo)
Automazione ed Elettronica (gustavo)
Direttive per la sicurezza (ErnestoCappelletti)
EYnfo dall'Alaska (mir)
Apriamo il quadro! (attilio)
H7-25 (asdf)
Passione Elettrica (massimob)
Elettroni a spasso (guidob)
Bloguerra (guerra)



