, su cui la lunghezza d'onda è
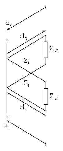
. I carichi di impedenza
e
sono collegati alla sezione
mediante due tratti di linea di impedenza caratteristica
di lunghezza rispettivamente
e
. La distanza tra le sezioni
e
è
. Si determini 1) il carico equivalente immediatamente a destra della sezione
e 2) della sezione
; si adatti il carico trovato al punto precedente mediante il doppio stub raffigurato, scegliendo la soluzione che minimizza la lunghezza 
Svolgimento - L'ordine con cui bisogna procedere è già stabilito dal testo, mi limito dunque a seguire i passi indicati.
Carico equivalente immediatamente a destra della sezione
A destra della sezione
si hanno due tratti di linea in paralleloPer trovare il carico equivalente
è sufficiente trasportare
e
alla sezione
, per poi valutarne il parallelo.Al carico
è associata l'impedenza normalizzata
, associata a sua volta al punto P sul piano Γ.Ora
deve essere trasportata per un tratto lungo
, quindi il punto P ruota in senso orario lungo la rispettiva circonferenza a
costante su un arco di
, trovandosi in P' alla fine del processo.Al punto P' è associata l'impedenza normalizzata

tramite lo stesso procedimento, trovo per l'altra impedenza
.A questo punto dovrei denormalizzare le due impedenze
,
per poi valutare il parallelo. Invece di stare a fare i conti trasformo le due impedenze normalizzate in ammettenze normalizzate, per poi sommarle e denormalizzare.
L'ammettenza associata all'impedenza
è in corrispondenza con il punto P''=-P'quindi l'ammettenza normalizzata
vale 
analogamente per l'altra ammettenza trovo

L'ammettenza normalizzata totale alla sezione
vale dunque 
mentre l'impedenza normalizzata totale (ottenuta sempre con la carta) è

quindi concludo che il carico equivalente visto alla sezione
è
Impedenza vista immediatamente a destra della sezione
Qui si tratta di trasportare il precedente carico
alla nuova sezione 
quindi, riapplicando sempre il solito procedimento per il trasporto di impedenza, trovo



sono molto dubbioso riguardo questo risultato, però mi pare sia tutto corretto fino ad ora...
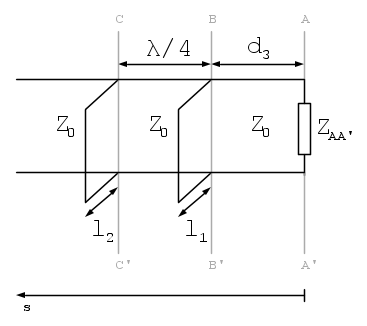
Adattamento
Gli stub sono in parallelo, quindi, al fine di agevolare i calcoli, riporto il carico da adattare in ammettenza. L'ammettenza normalizzata del carico vale

La distanza tra gli stub è di
. Al fine di ottenere l'adattamento, il primo stub (quello da porre alla sezione
) deve portare il punto Q (associato a
) sulla circonferenza a conduttanza unitaria ruotata in senso antiorario di mezzo giro.Il punto individuato, Q', è quello che minimizzerà la lunghezza
del primo stub.al punto Q è associata una suscettanza normalizzata di -0.20, mentre al punto Q' una suscettanza normalizzata di -0.50.
il primo stub deve dunque realizzare una suscettanza

dunque la sua lunghezza vale

Ora l'ammettenza vista alla sezione
, data dal contributo del primo stub e il carico, vale
il punto Q' è stato cercato sulla versione ruotata di 180° in senso antiorario della circonfernza g=1, quindi se adesso si trasporta l'ammettenza
verso il generatore per un tratto lungo
è naturale aspettarsi come risultato una ammettenza a suscettanza unitaria.Infatti si trova che

il secondo stub, quello da porre alla sezione
, è deputato ad annullare la parte immaginaria dell'ammettenza che si sta vedendo alla sezione
, quindi dovra avere una suscettanza pari a ![b_{stub2}=-\text{Im}[y(d_3^++\lambda/4)]=-1.2 b_{stub2}=-\text{Im}[y(d_3^++\lambda/4)]=-1.2](/forum/latexrender/pictures/5a3009ffed22b5b7a7ed6c5e1c5c8800.png)
La sua lunghezza dovrà quindi essere

A questo punto l'esercizio è finito in quanto, nell'immediata sinistra della sezione
si vede una ammettenza normalizzata pari a 
e, conseguentemente, una impedenza normalizzata unitaria

ossia si è nelle condizioni di adattamento.
Conclusioni - mi scuso per la lunghezza indecente del post, ho cercato di riportare (con un pessimo risultato) solamente i passaggi chiave dell'esercizio. Forse era preferibile splittare il thread in più parti.

Elettrotecnica e non solo (admin)
Un gatto tra gli elettroni (IsidoroKZ)
Esperienza e simulazioni (g.schgor)
Moleskine di un idraulico (RenzoDF)
Il Blog di ElectroYou (webmaster)
Idee microcontrollate (TardoFreak)
PICcoli grandi PICMicro (Paolino)
Il blog elettrico di carloc (carloc)
DirtEYblooog (dirtydeeds)
Di tutto... un po' (jordan20)
AK47 (lillo)
Esperienze elettroniche (marco438)
Telecomunicazioni musicali (clavicordo)
Automazione ed Elettronica (gustavo)
Direttive per la sicurezza (ErnestoCappelletti)
EYnfo dall'Alaska (mir)
Apriamo il quadro! (attilio)
H7-25 (asdf)
Passione Elettrica (massimob)
Elettroni a spasso (guidob)
Bloguerra (guerra)
















