Salve a tutti,
ho la necessità di pilotare un comune relè a 12v (57mA corrente assorbita) con un segnale digitale a 5v utilizzando per questo scopo un transistor TIP31c . La tensione di alimentazione disponibile è di 15v ed il carico (in questo caso il relè) non è riferito a massa ma al collettore.
Per trovarmi la VCEsat,la VBEsat e l'HFE ho guardato i grafici del datasheet che ho allegato all'articolo e mi risultano in base alla ICsat scelta:
circa 0,025 =VCEsat
circa 0,7=VBEsat
HFE=180
I calcoli per dimensionare le resistenze sono i seguenti:
Rc=(15-12-0,025)/(57*10^-3)=52,2ohm=>56ohm val.commerciale
IBsat=ICsat/HFE=335uA
RB=(5-0,7)/(335*10^-6)=12,8kohm => 12Kohm val.commerciale
Tuttavia simulando su breadboard il circuito il relè non si aziona....e non capisco dove ho sbagliato.
Pilotaggio relè con TIP31
Moderatori:
carloc,
g.schgor,
BrunoValente,
IsidoroKZ
9 messaggi
• Pagina 1 di 1
0
voti
Forse sarebbe d'aiuto intanto postare un circuito in fidocadJ, così tutti possono farsi un'idea dei collegamenti fatti! 

Piuttosto che chiedere qualcosa a me, chiedila a Mara Maionchi. E' più competente.
-

paofanello
2.280 8 13 - Expert

- Messaggi: 532
- Iscritto il: 7 lug 2015, 21:01
0
voti
Hai ragione, il TIP31 è sovradimensionato ....
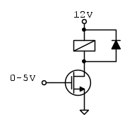
Comunque questo è lo schema.
Comunque questo è lo schema.
0
voti
Non c'è lo schema 
Piuttosto che chiedere qualcosa a me, chiedila a Mara Maionchi. E' più competente.
-

paofanello
2.280 8 13 - Expert

- Messaggi: 532
- Iscritto il: 7 lug 2015, 21:01
0
voti
Scusate ma sono nuovo, non capisco che formati si vedano 

0
voti
Visto che sei nuovo, e' meglio se leggi le regole del forum (fascia rosa sopra i messaggi) e usi FidoCadJ per lo schema; cosi' gli altri lo potranno correggere senza doverlo ridisegnare.
Nell'occasione, metti anche i valori dei componenti che hai usato.
Nell'occasione, metti anche i valori dei componenti che hai usato.
marco
2
voti
Ci sono due errori:
1) Rc non serve, il carico è la resistenza interna della bobina e son serve aggiungerne un'altra in serie che andrebbe solo ad abbassare la tensione sulla bobina.
2) Il valore della resistenza di base è troppo grande devi abbassarlo.
La tensione sulla bobina quando il transistor è completamente chiuso (saturo) è circa
(consideriamo nulla la tensione che cade tra collettore ed emettitore che invece in realtà è qualche decimo di volt) e quindi nel collettore scorre tutta la corrente del relè che vale
ed è con questo valore che va calcolata la corrente che occorre iniettare in base per saturare il transistor.
Il valore di beta che trovi sul datasheet ti dà il rapporto tra corrente di collettore e corrente di base quando il transistor non è saturo e quindi non va bene utilizzarlo per il calcolo della corrente di base in questo caso perché vogliamo invece che saturi.
Per garantire una buona saturazione si deve iniettare in base una corrente molto più alta di quella calcolata con quel valore di beta, in pratica si devono fare i conti considerando un valore di beta molto più basso di quello, diciamo che 50 può andare bene.
In saturazione la corrente di base deve essere quindi dalle parti di
che si ottiene con circa
in serie alla base.
Il valore di
viene fuori considerando che tra base ed emettitore in qualsiasi condizione, tranne che in interdizione, cadono circa
(non serve a nulla essere precisi) che si sottraggono ai 5V del segnale di pilotaggio, vuol dire che sulla resistenza cadono circa
che con
danno appunto quel valore di corrente.
Puoi utilizzare un valore commerciale di
o
che garantisce ancora meglio la saturazione.
Un modo più semplice per eccitare quel relè puoi ottenerlo utilizzando un mosfet tipo BS170 che non richiede alcuna resistenza.
Il diodo devi montarlo in entrambi i casi, va bene un 1N4004, serve ad evitare l'exratensione, dovuta alla componente induttiva della bobina, che altrimenti si produrrebbe all'apertura ai capi del transistor (o del mosfet) danneggiandolo.
1) Rc non serve, il carico è la resistenza interna della bobina e son serve aggiungerne un'altra in serie che andrebbe solo ad abbassare la tensione sulla bobina.
2) Il valore della resistenza di base è troppo grande devi abbassarlo.
La tensione sulla bobina quando il transistor è completamente chiuso (saturo) è circa
(consideriamo nulla la tensione che cade tra collettore ed emettitore che invece in realtà è qualche decimo di volt) e quindi nel collettore scorre tutta la corrente del relè che vale
ed è con questo valore che va calcolata la corrente che occorre iniettare in base per saturare il transistor.Il valore di beta che trovi sul datasheet ti dà il rapporto tra corrente di collettore e corrente di base quando il transistor non è saturo e quindi non va bene utilizzarlo per il calcolo della corrente di base in questo caso perché vogliamo invece che saturi.
Per garantire una buona saturazione si deve iniettare in base una corrente molto più alta di quella calcolata con quel valore di beta, in pratica si devono fare i conti considerando un valore di beta molto più basso di quello, diciamo che 50 può andare bene.
In saturazione la corrente di base deve essere quindi dalle parti di
che si ottiene con circa
in serie alla base.Il valore di
viene fuori considerando che tra base ed emettitore in qualsiasi condizione, tranne che in interdizione, cadono circa
(non serve a nulla essere precisi) che si sottraggono ai 5V del segnale di pilotaggio, vuol dire che sulla resistenza cadono circa
che con
danno appunto quel valore di corrente.Puoi utilizzare un valore commerciale di
o
che garantisce ancora meglio la saturazione.Un modo più semplice per eccitare quel relè puoi ottenerlo utilizzando un mosfet tipo BS170 che non richiede alcuna resistenza.
Il diodo devi montarlo in entrambi i casi, va bene un 1N4004, serve ad evitare l'exratensione, dovuta alla componente induttiva della bobina, che altrimenti si produrrebbe all'apertura ai capi del transistor (o del mosfet) danneggiandolo.
-

BrunoValente
39,6k 7 11 13 - G.Master EY

- Messaggi: 7796
- Iscritto il: 8 mag 2007, 14:48
1
voti
Grazie mille per la dritta Marco438, vedrò di leggermi con calma il regolamento!
Infinitamente grazie BrunoValente per l'esaustiva risposta che mi permette di rimettermi all'opera
Infinitamente grazie BrunoValente per l'esaustiva risposta che mi permette di rimettermi all'opera

9 messaggi
• Pagina 1 di 1
Chi c’è in linea
Visitano il forum: Nessuno e 184 ospiti

Elettrotecnica e non solo (admin)
Un gatto tra gli elettroni (IsidoroKZ)
Esperienza e simulazioni (g.schgor)
Moleskine di un idraulico (RenzoDF)
Il Blog di ElectroYou (webmaster)
Idee microcontrollate (TardoFreak)
PICcoli grandi PICMicro (Paolino)
Il blog elettrico di carloc (carloc)
DirtEYblooog (dirtydeeds)
Di tutto... un po' (jordan20)
AK47 (lillo)
Esperienze elettroniche (marco438)
Telecomunicazioni musicali (clavicordo)
Automazione ed Elettronica (gustavo)
Direttive per la sicurezza (ErnestoCappelletti)
EYnfo dall'Alaska (mir)
Apriamo il quadro! (attilio)
H7-25 (asdf)
Passione Elettrica (massimob)
Elettroni a spasso (guidob)
Bloguerra (guerra)

