Impianto messa a terra in comune
Moderatori:
sebago,
MASSIMO-G,
lillo,
Mike
14 messaggi
• Pagina 2 di 2 • 1, 2
0
voti
Grazie eliop, sempre con riferimento ai due impianti del primo post, invece un guasto verso terra dell'impianto TT (nel caso in cui il differenziale non funzioni) non andrebbe ad intaccare il sistema disperdente e relativo funzionamento del TN giusto?
0
voti
Grazie per la risposta, quindi la terra serve sul lato MT?eliop ha scritto:Un guasto tra una fase ed una massa lato bt in un sistema tn ,si traduce in un corto,in quanto la corrente di guasto si richiude al centrostella del trasformatore attraverso il conduttore di protezione PE,non coinvolgendo di fatto il sistema disperdente in se stesso ,questo fa si che le correnti di guasto siano abbastanza elevate da permettere l'uso di interruttori magnetotermici per la protezione dai contatti indiretti(almeno per i circuiti principali di distribuzione).
Di fatto sopratutto per i circuiti terminali dove la corrente di guasto non è abbastanza elevata ,con utenze mobili e in presenza di guasti non franchi a massa(che possono essere origine di incendi) ,è d'obbligo l'uso del differenziale.
Diverso è il caso di un guasto lato mt è di fondamentale importanza per contenere le tensioni sulle masse nei limiti di sicurezza.
2
voti
atomorama ha scritto:quindi la terra serve sul lato MT?
Posta così, la domanda è ambigua.
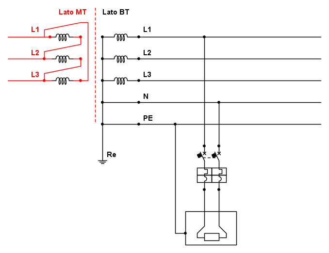
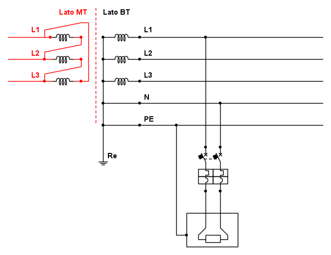
Guarda lo schema multifilare TN-S:
* a sinistra vedi gli avvolgimenti in MT del primario del trasformatore (collegati a triangolo)
* a destra vedi gli avvolgimenti in BT del secondario del trasformatore (collegati a stella) e un carico monofase, alimentato sotto una protezione magnetotermica, dotato di massa connessa al PE.
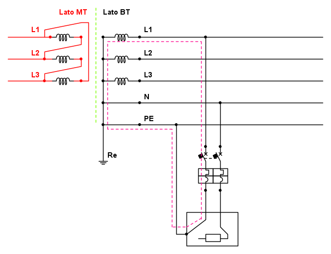
PRIMO CASO (GUASTO SUL LATO BT)
Se la fase L1 si stacca e va a toccare la massa, si stabilisce una corrente di corto circuito fase-PE
L'interruttore magnetotermico deve interrompere tale corrente rispettando la nota relazione:

dove
è l'impedenza dell'anello di guasto,
la tensione verso terra del sistema e
la corrente che provoca l'apertura dell'interruttore entro un tempo specificato dalla Norma, a seconda del valore di U0 e del tipo di circuito (t=5 s per circuiti di distribuzione con U0 = 230 V). La realizzazione di un altro impianto di terra (con resistenza Ru), a cui collegare la massa, distinto da quello di cabina Re, è perfettamente inutile, giacché la corrente preferisce richiudersi dove trova meno resistenza: quella del PE è in genere larghissimamente inferiore a quella della somma fra Re e Ru.
In questo caso si usa dire che tale impianto di terra "aggiuntivo" ha il solo scopo di mettere in pace la cattiva coscienza dell'installatore/progettista (la famosa sindrome del "tutto a terra")
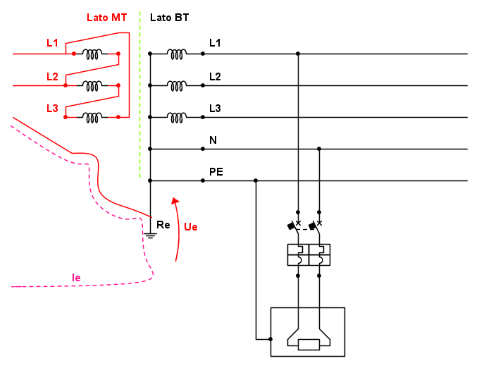
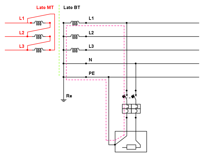
SECONDO CASO (GUASTO SUL LATO MT)
La situazione ora prevede che una fase di MT perda il suo isolamento e vada a interessare il centro stella del lato BT
Si stabilisce anche in questo caso una corrente di guasto
in MT ma che porterebbe alla conseguenza di far assumere anche alle masse di BT il potenziale di terra (per la legge di Ohm):
In tal caso la Norma chiede che tale tensione Ue sia minore di un valore accettabile Utp, a seconda del valore della corrente di guasto e del tempo di intervento delle protezioni MT.
Se il sistema è a neutro compensato tale tempo è superiore ai 10 s, la corrente di guato è fissata in 40 A (a 15 kV) o 50 A (a 20 kV) e la tensione ammissibile risulta Utp=75 V.
P.S.: quanto ho scritto sopra è una parziale semplificazione, poiché ci sono anche altre considerazioni (per esempio la corrente di guasto può essere ridotta visto che in parte si richiude nello schermo dello stesso cavo MT).
Sebastiano
________________________________________________________________
"Eo bos issettaìa, avanzade e non timedas / sas ben'ennidas siedas, rundinas, a domo mia" (P. Mossa)
________________________________________________________________
"Eo bos issettaìa, avanzade e non timedas / sas ben'ennidas siedas, rundinas, a domo mia" (P. Mossa)
0
voti
Grazie della risposta!
Edit sebago: ti ringrazio anch'io ma non c'era bisogno di citare tutto. La prossima volta usa il pulsante "rispondi" invece del pulsante "cita". Alla prossima
Edit sebago: ti ringrazio anch'io ma non c'era bisogno di citare tutto. La prossima volta usa il pulsante "rispondi" invece del pulsante "cita". Alla prossima
14 messaggi
• Pagina 2 di 2 • 1, 2
Torna a Impianti, sicurezza e quadristica
Chi c’è in linea
Visitano il forum: Nessuno e 69 ospiti

Elettrotecnica e non solo (admin)
Un gatto tra gli elettroni (IsidoroKZ)
Esperienza e simulazioni (g.schgor)
Moleskine di un idraulico (RenzoDF)
Il Blog di ElectroYou (webmaster)
Idee microcontrollate (TardoFreak)
PICcoli grandi PICMicro (Paolino)
Il blog elettrico di carloc (carloc)
DirtEYblooog (dirtydeeds)
Di tutto... un po' (jordan20)
AK47 (lillo)
Esperienze elettroniche (marco438)
Telecomunicazioni musicali (clavicordo)
Automazione ed Elettronica (gustavo)
Direttive per la sicurezza (ErnestoCappelletti)
EYnfo dall'Alaska (mir)
Apriamo il quadro! (attilio)
H7-25 (asdf)
Passione Elettrica (massimob)
Elettroni a spasso (guidob)
Bloguerra (guerra)







