Cos'è ElectroYou | Login Iscriviti

ElectroYou - la comunità dei professionisti del mondo elettrico

Matrice di trasmissione doppio bipolo

Circuiti, campi elettromagnetici e teoria delle linee di trasmissione e distribuzione dell’energia elettrica

Moderatori: Foto Utenteg.schgor, Foto UtenteIsidoroKZ

0
voti

[1] Matrice di trasmissione doppio bipolo

Messaggioda Foto UtenteGiuls91 » 28 set 2015, 18:00

Salve a tutti, sono sempre io! :mrgreen:
Avrei bisogno del vostro aiuto riguardo ad una matrice di trasmissione diretta di un doppio bipolo.
Fino ad ora ho risolto tutti gli esercizi suddividendo il doppio bipolo in doppi bipoli più piccoli per ciascun carico contenuto nel doppio bipolo (scusate il giro di parole), ovviamente riducendone il più possibile il numero.
Adesso però, diciamo che mi sono stancata di procedere in questo modo (risultano tutti gli esercizi, quindi presumo di saperli risolvere, almeno in questo modo), e vorrei provare a risolvere in modo diverso, utilizzando il metodo degli anelli, in modo tale da ricondurmi alla forma del sistema della matrice con i coefficienti A, B. C, D.
Solo che mi ritrovo ad avere difficoltà con il trasformatore ideale, in quanto, sinceramente, non so come trattarlo all'interno del doppio bipolo, nel caso in cui io debba studiare la rete con il metodo degli anelli. Non so se mi sono spiegata.
Quando lo divido in tanti doppi bipoli, per poi fare il prodotto righe per colonne tra le singole matrici, utilizzo le relazioni caratteristiche:
V_1=nV_2
I_2=-nI_1.
Ma se utilizzo il metodo delle correnti di anello? Nella riga che riguarda l'anello che contiene il trasformatore devo mettere tutto 0? Ma poi quella riga mi fa diventare il determinante nullo. Mi sono confusa :? lo ammetto!
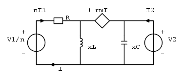
Per una questione di completezza vi allego il doppio bipolo!


Ovviamente, vorrei precisare che quando utilizzo il metodo delle correnti di anello, collego il doppio bipolo a due generatori di tensione di prova V_1 e V_2 ai capi dei morsetti 1-1' e 2-2'. Poi considero che la corrente del primo anello sia la mia I_1 e la corrente dell'ultimo anello sia I_2, così da portarmi alla forma:

V_1=A*V_2+B*(-I_2)
I_1=C*V_2+D*(-I_2).
Avatar utente
Foto UtenteGiuls91
20 1 5
 
Messaggi: 41
Iscritto il: 22 feb 2015, 11:44

0
voti

[2] Re: Matrice di trasmissione doppio bipolo

Messaggioda Foto UtenteGiuls91 » 28 set 2015, 19:14

Scusate, non posso più cancellare il post, ma ho risolto da sola :mrgreen:
Grazie comunque O_/
Avatar utente
Foto UtenteGiuls91
20 1 5
 
Messaggi: 41
Iscritto il: 22 feb 2015, 11:44

1
voti

[3] Re: Matrice di trasmissione doppio bipolo

Messaggioda Foto UtenteIsidoroKZ » 28 set 2015, 19:23

Potresti raccontarci per sommi capi come hai fatto, e soprattutto qual era la difficolta` che stavi trovando. Una percentuale elevata di tuoi colleghi studenti probabilmente hanno la stessa difficolta` e hai una buona occasione per aiutarli.
Per usare proficuamente un simulatore, bisogna sapere molta più elettronica di lui
Plug it in - it works better!
Il 555 sta all'elettronica come Arduino all'informatica! (entrambi loro malgrado)
Se volete risposte rispondete a tutte le mie domande
Avatar utente
Foto UtenteIsidoroKZ
121,2k 1 3 8
G.Master EY
G.Master EY
 
Messaggi: 21059
Iscritto il: 17 ott 2009, 0:00

1
voti

[4] Re: Matrice di trasmissione doppio bipolo

Messaggioda Foto UtenteGiuls91 » 28 set 2015, 21:06

Innanzitutto, vi dico che ho scelto proprio questo esercizio per svolgerlo in maniera diversa, per la presenza del generatore pilotato da una corrente che non faceva parte della sua maglia, per cui mi creava un paio di problemi dividerlo in più parti.
Quindi, ho scelto di agire utilizzando il metodo delle correnti di anello.
Ho immaginato di collegare il doppio bipolo a due generatori di tensione V_1 ai morsetti 1-1' e V_2 ai morsetti 2-2', ottenendo una rete con 4 maglie, in cui entrano due correnti I_1 dai morsetti 1-1' e I_2 dai morsetti 2-2'.
Il trasformatore l'ho considerato come "collante" tra le prime due maglie, in modo da poter utilizzare le relazioni caratteristiche, che mi hanno fornito un "riepilogo", diciamo così, di ciò che succede nella prima maglia. In questo modo, ho potuto dare il valore della seconda corrente del trasformatore in funzione della corrente che entrava dal doppio bipolo. Diciamo che ho potuto eliminare in questo modo la prima maglia, risolvendo così un sistema 3x3. Per capire meglio, ho studiato la rete fatta in questo modo:



Ho poi utilizzato il metodo delle correnti di maglia, assumendo che la corrente della prima maglia sia uguale a quella "ereditata" dal trasformatore, quindi -nI_1 che sarà uguale anche alla corrente che pilota il generatore pilotato. Inoltre, la corrente dell'ultima maglia, sarà uguale alla corrente I_2.
In questo modo poi, impostando la matrice e risolvendo il sistema in 3 incognite (la corrente della maglia di mezzo, la tensione V_1 in funzione di V_2 e I_2, e la corrente I_1 in funzione di V_2 e I_2), mi sono portata alla forma nota per trovare la matrice di trasmissione. Quindi, la matrice di trasmissione finale risulta essere:

\left[T\right]=\left[\begin{matrix}7.7+j2.6 & 2.6-j4.7 \Omega \\ 0.13+j0.07 S & 0.07-j0.13\end{matrix}\right]

Spero di essere stata abbastanza chiara. Non mi è risultato facile scrivere a parole il procedimento utilizzato :oops:
E spero di essere d'aiuto ad altri miei colleghi :lol:
Buona serata O_/ O_/ O_/
Avatar utente
Foto UtenteGiuls91
20 1 5
 
Messaggi: 41
Iscritto il: 22 feb 2015, 11:44


Torna a Elettrotecnica generale

Chi c’è in linea

Visitano il forum: Nessuno e 54 ospiti