Cos'è ElectroYou | Login Iscriviti

ElectroYou - la comunità dei professionisti del mondo elettrico

Monitoraggio temperatura con LM35 per PIC

Elettronica lineare e digitale: didattica ed applicazioni

Moderatori: Foto Utentecarloc, Foto Utenteg.schgor, Foto UtenteBrunoValente, Foto UtenteIsidoroKZ

2
voti

[1] Monitoraggio temperatura con LM35 per PIC

Messaggioda Foto Utenteandrew95 » 30 set 2015, 17:05

Salve a tutti,
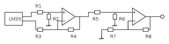
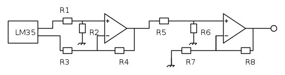
ho intenzione di rilevare la temperatura di un recipiente mediante il sensore LM35 Datasheet che voglio interfacciare ad un PIC16F887 mediante operazionali uA741.L'intervallo di temperatura che ho scelto è 0°-110°C e necessito di un segnale compreso tra 0 e 5V in ingresso al PIC.
Ho pensato di mettere uno stadio iniziale che consiste in un amp.op. differenziale che avendo G1=1 serve solo a filtrare i disturbi che possono esserci nei cavi che collegano il sensore con il circuito di condizionamento.

Le resistenze le ho pertanto scelte R1=R2=R3=R4=1KOhm
Il secondo guadagno l'ho calcolato : G2=Vo/Vi=4,5
Le resistenze le ho scelte:R5=R7=10Kohm R6=R8=45Kohm=39Kohm+trimmer 10Kohm

Quello che vorrei sapere è se è giusto fare così il circuito di condizionamento o se sbaglio in qualcosa e come faccio per il calcolo della potenza dissipata dalle varie resistenze.
Avatar utente
Foto Utenteandrew95
18 4
 
Messaggi: 44
Iscritto il: 22 set 2015, 14:43

1
voti

[2] Re: Monitoraggio temperatura con LM35 per PIC

Messaggioda Foto UtenteTardoFreak » 30 set 2015, 18:30

Per quel range di temperatura forse sarebbe più semplice utilizzare un NTC.
In questo articolo c'è un esempio di interfacciamento con un PIC.
"La follia sta nel fare sempre la stessa cosa aspettandosi risultati diversi".
"Parla soltanto quando sei sicuro che quello che dirai è più bello del silenzio".
Rispondere è cortesia, ma lasciare l'ultima parola ai cretini è arte.
Avatar utente
Foto UtenteTardoFreak
73,9k 8 12 13
-EY Legend-
-EY Legend-
 
Messaggi: 15754
Iscritto il: 16 dic 2009, 11:10
Località: Torino - 3° pianeta del Sistema Solare

2
voti

[3] Re: Monitoraggio temperatura con LM35 per PIC

Messaggioda Foto UtenteMarcoD » 1 ott 2015, 8:42

Le resistenza R1,R2,R3,R4 da 1 kohm, hanno un valore basso, caricano troppo l'uscita del LM35, mettile tutte a 10 kohm,

R5 e R6 non servono.

I 741 sono ormai obsoleti, potresti provare ad adoperare i doppi operazionali LM385 (se ricordo bene la sigla, hanno "solo" 20anni).
Per filtrare i disturbi, metti un filtro passa basso da 1 o 5 Hz ( un condensatore elettrolitico da 10 uF ?) in parallelo all'ingresso del PIC o meglio nella rete di reazione del secondo operazionale (in parallelo a R8 o a R6 ?), tanto la temperatura varia sempre molto lentamente.
Il LM35 lo devi alimentare fra +5 V? e massa, lo stadio differenziale in ingresso mi pare quasi inutile.
Potresti collegare il LM35 direttamente all' ingresso analogico del PIC : avrai una scala massima di 1 V a 100 C°, perdi in risoluzione ma ti semplifichi la vita, quale è la risoluzione del convertitore A/D del PIC (che non conosco). Tanto il LM25 ha una precisione di (solo) 0,5 C°, ti serve una risoluzione maggiore?.

Aggiorna lo schema elettrico con le alimentazioni, magari un 10 uF in parallelo alla alimentazione non guasta mai.

A occhio la potenza dissipata dalle resistenze è trascurabile, quelle da 1/4W o 1/2 watt vanno bene.
Però puoi calcolarla tu nel caso peggiore di T = 110 C* :mrgreen:
Attendiamo tue osservazioni, buone prove
O_/
Avatar utente
Foto UtenteMarcoD
12,2k 5 9 13
Master EY
Master EY
 
Messaggi: 6696
Iscritto il: 9 lug 2015, 16:58
Località: Torino

6
voti

[4] Re: Monitoraggio temperatura con LM35 per PIC

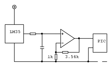
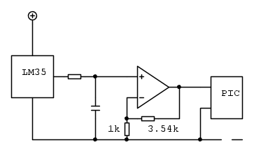
Messaggioda Foto UtenteBrunoValente » 1 ott 2015, 11:18

Ciao Foto Utenteandrew95,

è inutile, anzi controproducente, tutto quell'ambaradam.

Ti consiglierei di fare così

In pratica l'uscita dell'LM35 incrementa di 10mV per ogni grado di incremento della temperatura a partire da 0V a 0°C fino a un massimo quindi di 1.1V a 110°C.
Per spalmare questo campo di 0-1.1V su 0-5V occorre un guadagno di 5/1.1=4.5454 che si ottiene con i valori delle resistenze nello schema, eventualmente al posto della R da 3.54k puoi montare una resistenza da 3.3k con in serie un trimmer multigiri da 330ohm per la taratura.

La configurazione non invertente dell'amplificatore ha un'impedenza di ingresso alta e questo ti consente di giostrare ampiamente con il valore della resistenza del filtro senza compromettere la precisione della misura e ti da quindi la possibilità, una volta scelta la costante di tempo da utilizzare, di scegliere un valore non elevato per il condensatore, ad esempio sotto il uF così da poter utilizzare un poliesteri e non un elettrolitico che con il tempo potrebbe iniziare a perdere l'isolamento compromettendo la precisione.

Lascia stare il uA741 che non andrebbe assolutamente bene, occorre scegliere anzitutto un operazionale con una tensione di offset sufficientemente bassa: se utilizzassi un operazionale con 10mV di tensione di offset introdurresti un errore di 1°C, non occorre spiegare perché.

Se utilizzi una singola alimentazione devi scegliere un operazionale che sia anche in grado di funzionare correttamente con tensioni di ingresso che scendono fino alla tensione del morsetto meno di alimentazione che in questo caso sarebbe collegato al riferimento.

Così però L'LM35 non inizierebbe a funzionare proprio da 0°C, bensì inizierebbe a farlo da circa 2°C, se invece ti occorre partire proprio da 0 devi rinunciare alla singola alimentazione e aggiungere una resistenza collegandola tra l'uscita dell'LM35 e il meno, come è indicato chiaramente nella prima pagina del datasheet fig 1 e 2
Avatar utente
Foto UtenteBrunoValente
39,6k 7 11 13
G.Master EY
G.Master EY
 
Messaggi: 7796
Iscritto il: 8 mag 2007, 14:48

1
voti

[5] Re: Monitoraggio temperatura con LM35 per PIC

Messaggioda Foto Utenteboiler » 1 ott 2015, 11:28

BrunoValente ha scritto:Per spalmare questo campo di 0-1.1V su 0-5V occorre un guadagno di 5/1.1=4.5454 che si ottiene con i valori delle resistenze nello schema, eventualmente al posto della R da 3.54k puoi montare una resistenza da 3.3k con in serie un trimmer multigiri da 330ohm per la taratura.


Ho il sospetto che la "necessità" di avere 0-5 V sia frutto di un'incomprensione o di una falsa interpretazione di una caratteristica. Io lascerei perdere le resistenze esotiche per avere esattamente quel guadagno a favore di valori standard ma con un basso tempco. Anche se a onor del vero non sappiamo che precisione voglia avere l'OP.

Boiler
Avatar utente
Foto Utenteboiler
26,4k 5 9 13
G.Master EY
G.Master EY
 
Messaggi: 5602
Iscritto il: 9 nov 2011, 12:27

1
voti

[6] Re: Monitoraggio temperatura con LM35 per PIC

Messaggioda Foto UtentePaolino » 1 ott 2015, 11:29

BrunoValente ha scritto:... se invece ti occorre partire proprio da 0...

... potrest, in alternativa,i abbandonare LM35 e puntare su NTC, come indicato da Foto UtenteTardoFreak.

Ciao.

Paolo.
"Houston, Tranquillity Base here. The Eagle has landed." - Neil A.Armstrong

-------------------------------------------------------------

PIC Experience - http://www.picexperience.it
Avatar utente
Foto UtentePaolino
32,6k 8 12 13
G.Master EY
G.Master EY
 
Messaggi: 4226
Iscritto il: 20 gen 2006, 11:42
Località: Vigevano (PV)

2
voti

[7] Re: Monitoraggio temperatura con LM35 per PIC

Messaggioda Foto UtenteBrunoValente » 1 ott 2015, 11:33

Con l'LM35 credo sia ragionevole aspettarsi un'incertezza di circa 0.5-1°C e se per l'applicazione è sufficiente allora andrebbero bene anche normali resistenze.
Avatar utente
Foto UtenteBrunoValente
39,6k 7 11 13
G.Master EY
G.Master EY
 
Messaggi: 7796
Iscritto il: 8 mag 2007, 14:48

0
voti

[8] Re: Monitoraggio temperatura con LM35 per PIC

Messaggioda Foto Utenteandrew95 » 1 ott 2015, 18:58

boiler ha scritto:Ho il sospetto che la "necessità" di avere 0-5 V sia frutto di un'incomprensione o di una falsa interpretazione di una caratteristica...

Ma se io ho un ingresso analogico del PIC16F887 che,essendo alimentato a 5Vmi accetta di conseguenza (suppongo) un segnale da 0 a 5V,perché non sfruttare tutto l'intervallo? O mi sbaglio? :?:

BrunoValente ha scritto:
Se utilizzi una singola alimentazione devi scegliere un operazionale che sia anche in grado di funzionare correttamente con tensioni di ingresso che scendono fino alla tensione del morsetto meno di alimentazione che in questo caso sarebbe collegato al riferimento.

Sono d'accordo nell'usare un altro operazionale per via della tensione di Offset(opterò per un LM538), tuttavia avrei la curiosità di sapere perché un semplice uA741 in alimentazione singola non riesce a funzionare con tensioni in ingresso che raggiungono il riferimento a massa:qual è il parametro nel datasheet di questo che mi restringe l'intervallo di tensioni utilizzabili in ingresso?


BrunoValente ha scritto:Così però L'LM35 non inizierebbe a funzionare proprio da 0°C, bensì inizierebbe a farlo da circa 2°C...

Non capisco se così facendo, quando ho 2°C presenterebbe in uscita una tensione di 20mV o partirebbe considerando 2°C come lo "zero" di partenza(quindi ho in uscita 0mV)?
Avatar utente
Foto Utenteandrew95
18 4
 
Messaggi: 44
Iscritto il: 22 set 2015, 14:43

1
voti

[9] Re: Monitoraggio temperatura con LM35 per PIC

Messaggioda Foto UtenteIlGuru » 1 ott 2015, 20:04

andrew95 ha scritto:Sono d'accordo nell'usare un altro operazionale per via della tensione di Offset(opterò per un LM538), tuttavia avrei la curiosità di sapere perché un semplice uA741 in alimentazione singola non riesce a funzionare con tensioni in ingresso che raggiungono il riferimento a massa


perché un conto sono gli OpAmp ideali, un conto sono quelli reali.
Paragrafo 8.2 del datasheet Texas Instruments:

8.2 Functional Block Diagram
ua741.png


Vedi il finale? Come fa ad arrivare a VCC o a -VCC ub questa configurazione?
\Gamma\nu\tilde{\omega}\theta\i\ \sigma\epsilon\alpha\upsilon\tau\acute{o}\nu
Avatar utente
Foto UtenteIlGuru
5.482 2 10 13
G.Master EY
G.Master EY
 
Messaggi: 1924
Iscritto il: 31 lug 2015, 23:32

3
voti

[10] Re: Monitoraggio temperatura con LM35 per PIC

Messaggioda Foto Utenteboiler » 1 ott 2015, 20:51

andrew95 ha scritto:
boiler ha scritto:Ho il sospetto che la "necessità" di avere 0-5 V sia frutto di un'incomprensione o di una falsa interpretazione di una caratteristica...

Ma se io ho un ingresso analogico del PIC16F887 che,essendo alimentato a 5 Vmi accetta di conseguenza (suppongo) un segnale da 0 a 5 V,perché non sfruttare tutto l'intervallo?


Ci sono diversi motivi, il primo è che l'ADC ha 10 bit e se il tuo range copre 4.096 V invece di 5 V l'LSB diventa un "bel numero" ;-)

Visto il range di temperatura, 10 bit non ti servono tutti, quindi puoi permetterti un po' di offset e perdere così risoluzione. Il vantaggio è che non hai problemi con i rails dell'opamp.

Per finire non sei costretto a cercare un guadagno particolare e puoi comprare banali resistenze della serie E6 che sono disponibili in tutte le misure e forme anche con buona precisione e stabilità termica.

Qualsiasi scaling che ti serve puoi farlo in digitale nel PIC.

qual è il parametro nel datasheet di questo che mi restringe l'intervallo di tensioni utilizzabili in ingresso?


Dipende dal produttore... solitamente Input Voltage Range o qualcosa di simile. Questo è il parametro meno sensibile, oggi ci sono opamps che accettano tensioni in ingresso che vanno addirittura oltre i rails. Problematico è piuttosto l'Output Voltage Swing, anche se ci sono belle bestie che arrivano a 1 mV dal rail (con carichi ragionevoli, ovviamente).

Ho avuto l'onore e il piacere (non si può dire altrimenti!) di parlare con i direttori della ricerca e sviluppo di TI precision analog (ex sviluppatori Burr-Brown, tra l'altro). Ci sono trucchetti molto interessanti per ottenere il rail-to-rail in ingresso: ci sono op-amp che contengono una charge-pump per alimentare la sorgente di corrente del differential-pair, in modo che il burden della stessa sia comunque sopra alla tensione di alimentazione. Oppure vengono implementati due differential-pairs in parallelo, uno npn e uno pnp che si occupano di mezza regione di ingresso, poi c'è una specie di chopper che commuta tra le due regioni (ovviamente sono opamps con un GBP relativamente basso).

Boiler
Avatar utente
Foto Utenteboiler
26,4k 5 9 13
G.Master EY
G.Master EY
 
Messaggi: 5602
Iscritto il: 9 nov 2011, 12:27

Prossimo

Torna a Elettronica generale

Chi c’è in linea

Visitano il forum: Nessuno e 170 ospiti